- 易迪拓培训,专注于微波、射频、天线设计工程师的培养
基于GaN FET的CCM 腾柱无桥PFC
录入:edatop.com 点击:
氮化镓 (GaN) 技术由于其出色的开关特性和不断提升的品质,近期逐渐得到了电力转换应用的青睐。具有低寄生电容和零反向恢复的安全GaN可实现更高的开关频率和效率,从而为全新应用和拓扑选项打开了大门。连续传导模式 (CCM)图腾柱PFC就是一个得益于GaN优点的拓扑。与通常使用的双升压无桥PFC拓扑相比,CCM图腾柱无桥PFC能够使半导体开关和升压电感器的数量减半,同时又能将峰值效率推升到95%以上。本文分析了AC交叉区域内出现电流尖峰的根本原因,并给出了相应的解决方案。一个750W图腾柱PFC原型机被构造成具有集成栅极驱动器的安全GaN,并且展示出性能方面的提升。
I. 简介
当按下智能手机上的一个按钮时,这个手机会触发一个巨大的通信网络,并且连接到数千英里之外的数据中心。承载通信数据时的功耗是不可见的,而又大大超过了人们的想象。世界信息通信技术 (ICT) 生态系统的总体功耗正在接近全球发电量的10% [1]。单单一个数据中心,比如说位于北卡罗来纳州的脸谱公司的数据中心,耗电量即达到40MW。另外还有两个位于美国内华达州和中国重庆的200MW数据中心正在建设当中。随着数据存储和通信网络的快速增长,持续运行电力系统的效率变得越来越重要。现在比以前任何时候都需要对效率进行空前的改进与提升。
几乎所有ICT生态系统的能耗都转换自AC。AC输入首先被整流,然后被升压至一个预稳压电平。下游的DC/DC转换器将电压转换为一个隔离式48V或24V电压,作为电信无线系统的电源,以及存储器和处理器的内核电压。随着MOSFET技术的兴起和发展,电力转换效率在过去三十年间得到大幅提升。自2007年生效以来,Energy Star(能源之星)80 PLUS效率评价技术规范 [2] 将针对AC/DC整流器的效率等级从黄金级增加到更高的白金级,并且不断提高到钛金级。然而,由于MOSFET的性能限制,以及与钛金级效率要求有关的重大设计挑战,效率的改进与提升正在变慢。为了达到96%的钛金级峰值效率,对于高压线路来说,功率因数校正 (PFC) 电路效率的预算效率应该达到98.5%及以上,对于低压电路,这个值应该不低于96.4%。发展前景最好的拓扑是无桥PFC电路,它没有全波AC整流器桥,并因此降低了相关的传导损耗。[3] 对于不同无桥PFC的性能评价进行了很好的总结。这个性能评价的前提是,所使用的有源开关器件为MOSFET或IGBT。大多数钛金级AC/DC整流器设计使用图6中所示的拓扑 [3],由两个电路升压组成。每个升压电路在满功率下额定运行,不过只在一半AC线路周期内运行,而在另外周期内处于空闲状态。这样的话,PFC转换器以材料和功率密度为代价实现了一个比较高的效率值 [4]。通常情况下,由于MOSFET体二极管的缓慢反向恢复,一个图腾柱PFC无法在连续传导模式 (CCM) 下高效运行。然而,它能够在电压开关为零 (ZVS) 的变换模式下实现出色的效率值。数篇论文中已经提到,PFC效率可以达到98.5%-99%。对于高功率应用来说,多个图腾柱升压电路可以交错在一起,以提高功率水平,并且减少输入电流纹波。然而,这个方法的缺点就是控制复杂,并且驱动器和零电流检测电路的成本较高。此外,因此而增加的功率组件数量会产生一个低功率密度设计。因此,这个简单的图腾柱电路需要高效运行在CCM下,以实现高功率区域,并且在轻负载时切换至具有ZVS的TM。通过使用这个方法,可以同时实现高效率和高功率密度。作为一款新兴半导体开关,氮化镓 (GaN) FET正在逐渐走向成熟,并且使此类应用成为可能。Transphorm公司已经在APEC 2013上展示了一款峰值效率达到99%的基于GaN的图腾柱CCM PFC [9]。[10-12] 还介绍了GaN器件出色的开关特性,以及应用优势。为了更好地理解GaN特性,并且进一步解决应用中存在的顾虑,特别是开关频率和交叉电流尖峰问题,这篇文章讨论了:II. GaN技术概述、III. 图腾柱CCM PFC控制、IV. 实验和V. 结论。
II. GaN技术概述
GaN高电子迁移率晶体管 (HEMT) 首次问世是在2004年。HEMT结构表现出非同寻常的高电子迁移率,这个值所表示的是一个AlGaN和GaN异构表面附近的二维电子气 (2DEG)。正因如此,GaN HEMT也被称为异构FET (HFET),或者简单地称为FET。基本GaN晶体管结构如图1中所示 [13]。源电极和漏电极穿透AlGaN层的顶部,并且接触到下面的2DEG。这就在源极和漏极之间形成一个低阻抗路径,而也就自然而然地形成了一个D模式器件。通过将负电压施加到栅极上,2DEG的电子被耗尽,晶体管被关闭。

图1—D-mode GaN FET结构

图2—E-mode GaN FET结构
增强模式 (E-mode) GaN晶体管器件使用与D-mode GaN器件一样的基底工艺,在一个硅 (Si) 或碳化硅 (SiC) 基板顶部培养一层薄薄的氮化铝 (AlN) 绝缘层。然后,高阻性GaN和一个氮化铝镓与GaN的异构体被先后放置在AlN上。源电极与2DEG接触,而漏电极与GaN接触。对于栅极的进一步处理在栅极下形成一个耗尽层。图2中给出了这个基本结构。要接通FET,必须在栅极上施加一个正电压。
B.GaN,SiC和Si的物理属性比较
一个半导体材料的物理属性决定了终端器件的最终性能。表1中显示的是影响器件性能的主要属性。

表1—GaN、SiC和Si在300 Kelvin时的材料属性 [14-18]。
EG是带隙能量。EG>1.4的半导体通常被称为宽带隙材料。EG更大的材料将需要更多的能量来将电子从其键位上断开,以穿越带隙。它具有更低的泄露电流和更高的温度稳定性。EBR是临界区域击穿电压,这个电压会直接影响到电离和雪崩击穿电压电平。VS是饱和速率。峰值电子漂移速率决定了开关频率限值。μ是电子迁移率,它与接通电阻成反比。接通电阻与这个参数之间的关系为 [19]:

与一个Si器件相比,如图3的品质因数中所示,碳化硅的接通电阻减少了大约500倍,而对于一个指定尺寸的半导体来说,GaN的这些值甚至更高。

图3—硅、碳化硅和氮化镓理论接通电阻与阻断电压能力之间的关系 [16]。
过去三十年间,硅 (Si) 在功率应用中占主导地位。但是,随着其性能接近了理论限值,性能方面的提升也变得十分有限。作为2个新兴半导体材料,SiC和GaN看起来似乎是针对未来高性能应用的极有发展前途的候选材料。
C.在FET模式和二极管模式中运行的GaN器件
D-mode和E-mode GaN FET的输出特性如图4中所示 [13]。很明显,D-mode器件使用起来不太方便,其原因在于,将一个功率级连接至DC输入之前,必须在功率器件上施加一个负偏置电压。相反地,E-mode GaN FET,正如MOSFET,通常情况下是关闭的,并且对于应用来说更加友好。然而,常开型GaN器件更加易于生产,并且性能要好很多 [20]。对于一个指定区域或导通电阻,D-mode GaN FET的栅极电荷和输出电容比E-mode GaN FET的少一半。而这在开关电力转换器应用中具有重大优势。对于高压GaN器件来说,大多数供应商正在使用图5中所示的,具有共源共栅LV NMOSFET结构的D-mode GaN。LV NMOS是一种具有低Rds-on和快速反向恢复体二极管的20V-30V硅材料N沟道MOSFET。当把一个正电压施加到GaN共源共栅FET的漏极与源极之间时,内部MOSFET的Vds在FET关闭时开始上升,进而在GaN器件的栅极和源极上形成一个负电压,从而使GaN器件关闭。通常情况下,MOSFET的Vds将保持几伏特的电压,这个电压足够使GaN器件保持在关闭状态。当施加栅极电压时,MOSFET被接通,这使得MOSFET的栅极与源极短接,随后,GaN器件被接通。在FET模式下,一个GaN共源共栅FET与具有扩展GaN电压额定值和附加GaN电阻的集成MOSFET的工作方式十分相似。然而,GaN器件决定了输出电容值,而这个值远远小于与之相对应的MOSFET的Coss。GaN器件本身没有体二极管,但是,当反向电流被施加到GaN共源共栅FET上时,MOSFET的体二极管首先导电,而这样实际上就把体二极管的Vf施加到GaN器件的栅极上,随后GaN器件被接通。这样的话,低压FET的体二极管运行为共源共栅开关“体二极管”。由于LV MOSFET的正向压降和Qrr比高压MOSFET要低,所以这样做还是有其实际意义的。出色的体二极管运行方式是GaN共源共栅FET的其中一个主要特性和优势。由于对GaN共源共栅FET驱动的要求与对于传统MOSFET的要求是一样的,在应用采用方面,MOSFET的直接简易替换也是GaN共源共栅FET的另外一个优势。共源共栅方法的缺点在于,集成MOSFET必须在每个开关周期内切换。GaN共源共栅FET继承了MOSFET开关的某些特点,其中包括大栅极电荷与反向恢复。这些特点限制了GaN器件的性能。

图4—D-mode GaN FET(上图)和E-mode GaN FET(下图)的输出特点 [13]。

图5—GaN共源共栅FET结构。
D.安全GaN FET
为了克服共源共栅结构的缺点,我们在这里介绍一个全新的安全GaN FET结构(如图6中所示)。

图6—安全GaN FET结构。
这个安全GaN FET集成了一个常开型GaN器件、一个LV MOSFET、一个启动电路和一个用于GaN器件的栅极驱动器。MOSFET的功能与其在GaN共源共栅FET结构中的功能一样。它确保常开型GaN器件在Vcc偏置电压被施加前关闭。在Vcc被施加,并且栅极驱动器建立一个稳定的负偏置电压后,启动逻辑电路将MOSFET打开,并在随后保持接通状态。由于GaN器件不具有少数载子,也就不存在反向恢复,与相对应的MOSFET相比,GaN的栅极电容要少10倍,输出电容要低数倍。安全GaN FET完全涵盖了GaN所具有的优势。出色的开关特性确保了全新的开关转换器性能等级。还应指出的一点是,由于安全GaN FET内没有实际存在的体二极管,当一个负电流流经GaN FET,并且在漏极和源极上产生出一个负电压时,这个GaN器件的运行方式与二极管一样。GaN FET在Vds达到特定的阀值时开始反向传导,而这个阀值就是“体二极管”正向压降。正向压降可以很高,达到数伏特。有必要接通GaN FET来减少二极管模式下运行时的传导损耗。
III.图腾柱PFC CCM控制
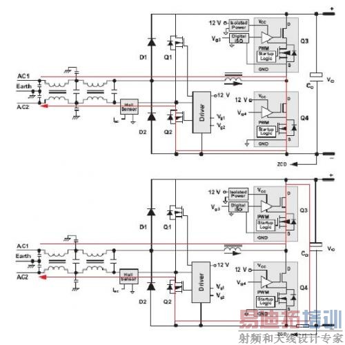
图腾柱PFC是一款不错的测试工具,可以在硬开关模式中对安全GaN FET进行评估。图7中所示的是一个常见的图腾柱PFC电源电路。Q3和Q4是安全GaN FET;Q1和Q2是AC整流器FET,它在AC线路频率上开关;而D1和D2是浪涌路径二极管。当AC电压被输入,并且Vac1-Vac2处于正周期内,Q2被接通时,Q4运行为一个有源开关,而Q3运行为一个升压二极管。为了减少二极管的传导损耗,Q4在同步整流模式中运行。而对于负AC输入周期,此电路的运行方式一样,但是具有交流开关功能。

图7—有源开关周期(上图)和续流周期(下图)中,正AC输入下,图腾柱PFC的工作方式。
正如在第II部分中描述的那样,这个“体二极管”具有一个很明显的正压降。这个GaN FET应该在续流期间被接通。为了实现CCM运行,在插入特定的死区时间的同时,有源FET和续流FET分别在占空比D和1-D内开关。如图8中所示,在重负载下,电感器电流可以全为正,不过在轻负载情况下,这个电流可以变为负。

图8—重负载(上图)和轻负载(下图)情况下的PFC电感器电流。
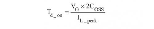
特定的负电流对于软开关有所帮助,但是,过高的负电流会导致较大的循环功率和低效率。为了实现最优效率,GaN FET的接通和关闭死区时间需要根据负载和线路情况进行实时控制。由于GaN FET输出电容,Coss,不会随Vds电压的波动而大幅变化,从有源FET关闭到续流FET接通的死区时间Td-on可以计算为,

在这里,Vo是PFC输出电压,而IL-peak是峰值电感器电流。
在CCM模式下,被定义为续流FET关闭到有源FET接通的死区时间Td-off应该尽可能保持在较小的水平。如图9中所示,当接收到零电流检测 (ZCD) 信号后,相应的PWM随之被斩波,以避免出现一个负电流和循环功率。这样的话,GaN FET运行为一个理想二极管,这通常被称为理想二极管仿真 (IDE)。

图9—理想二极管仿真控制。
为了用理想二极管仿真实现CCM控制,我们选择的是UCD3138,一款融合数字控制器。这个控制器块的功能如图10中所示。PFC的电压环路和电流环路分别由固件和硬件CLA执行。通过采用将ZCD用作触发信号的一个控制器内部逐周期 (CBC) 硬件,可以实现IDE。

图10—用于图腾柱PFC控制的UCD3138。
为了最大限度地减少AC输入整流器二极管的传导损耗,如图7中的Q1和Q2所显示的那样,常常用低Rds_on MOSFET替换低速整流器二极管。这些MOSFET和高速GaN FET,Q3和Q4,根据AC电压交叉点检测值,在正负AC输入周期之间变换工作状态。这个任务看似简单,但是,为了实现洁净且平滑的AC交叉电流,应该将很多注意事项考虑在内。交叉检测的精度对于保持正确的工作状态和运行十分重要。这个精度经常受到感测电阻器容差和感测电路滤波器相位延迟的影响。几伏特的计算错误会导致很大的电流尖峰。为了避免由整流器FET提前接通所导致的输入AC短路,必须要有足够的消隐时间让Q1和Q2关闭,并且应该将这个时间插入到检测到的交叉点上。消隐时间的典型值大约在100μs至200μs之间。由于MOSFET的输出电容,Coss,很明显,Q1和Q2上的电压应该在消隐时间内几乎保持恒定。在互补整流器FET被接通前,PFC保持在之前的运行状态中,此时,施加到升压电感器上的电压几乎为零,而有源GaN FET运行在几乎满占空比状态下。在这一点上,接通互补整流器FET,或者在有源开关和同步开关之间变换GaN FET的这两个功能,会在升压电感器中形成大电压二次浪涌,并因此导致一个较大的电流尖峰。理论上,在理想AC电压交叉点上同时改变整流器FET和GaN FET工作状态可以避免电流尖峰,并且保持电流环路的负反馈,不过,这在实际环境中很难实现。此外,任何由突然状态变化所导致的电流尖峰会干扰电流环路,并且导致一定的电流振铃级别。[9] 建议在交叉点上使用PFC软启动。顾虑在于,AC交叉检测电路通常具有相位偏移,并且有可能不够精确。过早或过晚的改变状态会导致AC线路短路,或者电流环路正反馈,这会形成电流尖峰。这篇文章内提出的一款全新可靠的控制机制就是为了确保一个平滑的状态改变。图11显示的是状态变化的时序图。

图11—PFC状态变化时序图。
输入AC线路电压VAC_L和中间电压VAC_N被分别感测。得出的两个感测到电压的差值被用于AC电压交叉检测,这实际上是一个差分感测机制。它消除了Y_Cap电流对感测精度的影响。VAC_L-VAC_N的符号被用来确定输入的正周期和负周期。VAC_L-VAC_N的绝对值与高压线路的AC电压交叉阀值VT_H,以及低压线路的VT_L进行比较,以确定AC电压是否处于交叉区域内。如果回答是肯定的,整流器FET和升压开关均被关闭,而控制环路的积分器被暂停。当AC电压增加,并且存在于交叉区域内时,相应的整流器FET被缓慢接通。通过插入一个适当的值栅极电阻器,可以限制接通速度。在整流器FET被接通后,一个短延迟,比如说20μs,在积分器被暂停,并且PWM输出被再次启用前被插入。
IV.实验
为了评估安全GaN FET的性能,并验证CCM图腾柱PFC控制机制,一个运行频率为140kHz的750W PFC电路被设计成一个测试工具。表2中列出了这个电路的主要组件参数。

表2—750W PFC电路主要组件参数。
图12和图13显示的是D-mode GaN FET接通和关闭波形。Vg4是栅极驱动器信号,Vds是漏源电压,而IL是升压电感器电流。

图12—GaN FET接通波形。

图13—GaN FET关闭波形。
如这些图中所见,GaN FET在dv/dt的值达到79V/ns最大值时的接通时间为7ns。可以在开关结束时观察到大约10-20V的振铃。这个振铃由H桥跟踪泄露电感和H桥输出高频陶瓷电容器的谐振所导致。在关闭时,Vds缓慢上升,过冲电压大约为20V。dv/dt受到GaN FET输出电容值的限制。零GaN“体二极管”正向恢复特性最大限度地减小了电压过冲幅度。
图14显示的是安全GaN FET“体二极管”正向压降。当“体二极管”传导的电流为2.8A时,可以观察到大约6.6V的正向压降。当GaN被接通时,根据器件Rds_on的不同,这个电压减少到数十mV范围内。一个用DC电流进行的单独测试显示出的正向压降在4.3V至7.3V之间。为了最大限度地减少“体二极管”传导损耗,有必要使用一个良好的SyncFET控制机制。

图14—GaN FET“体二极管”正向压降。

图15—GaN FET反向恢复测试。
图15中给出了ST生产的Turbo-2二极管STTH8R06D,Cree生产的SiC二极管C3D04060E,与TI生产的试验安全GaN之间的反向恢复比较数据。
ST生产的Turbo二极管性能出色,并且在大约10年前,SiC上市时,一直在PFC应用领域占主导地位。ST Turbo二极管关闭缓慢,但是反向恢复十分明显,而SiC二极管具有零反向恢复。无法避免的电路和器件端子泄露是导致所观察到的振铃的主要原因。TI的试验GaN FET也表现出零反向恢复。由于较大的Coss,与SiC的结电容相比,观察到一个更大的振铃,但是频率较低。振铃是零反向恢复的一个附带的振铃特性。
图16显示的是由不适当状态变化和控制导致的AC电流尖峰和振铃。在图16上标出了导致每个尖峰和振铃的根本原因。图17显示的是使用本文中所提出的控制方法后洁净且平滑电流波形。

图16—230 VAC输入时的交叉波形,此时Q2硬开关接通,具有3.8V的VT_H,并且积分器在消隐时间内运行。

图17—230 VAC输入时的交叉波形,此时Q2软开关接通,具有7.6V的VT_H,并且积分器在消隐时间内暂停。
图18和图19显示的是450W低压线路和750W高压线路上的AC电流波形。可以在低压线路上实现0.999功率因数和3.3%的THD,以及0.995功率因数和4.0% THD。图20显示的是PFC效率曲线。峰值效率在230 VAC输入时达到98.53%,在115VAC输入时达到97.1%。可在轻负载区域内观察到由部分ZVS所导致的低压线路效率尖峰,此时,PFC运行在CCM和DCM边界附近。

图18—115V输入和450W负载时的AC电压和电流波形。

图19--230V输入和750W负载时的AC电压和电流波形。

图20—图腾柱PFC效率。

图21—750W图腾柱PFC原型机。
V.结论
GaN FET表现出出色的开关特性。用8mm x 8mm QFN GaN FET将PFC的功率推高到750W,并且用早期的试验GaN样片使高压线路输入时的效率达到98.53%,低压线路输入时的效率达到97.1%,这一切从正面反映出GaN FET的潜力。借助安全GaN FET结构,FET具有零“体二极管”反向恢复,这使其成为图腾柱或半桥硬开关应用的理想选择。这些器件在高很多的频率下运行,而又不受反向恢复损耗和明显栅极损耗的影响。它在效率和物理尺寸方面代表了开关转换器性能的全新发展水平。为了尽可能地降低“体二极管”传导损耗,一个高精度和可靠死区时间与IDE控制机制是必须的。一个好的控制器将在确保安全GaN FET应用取得成功方面发挥重大作用。
高精度AC电压交叉检测是在交叉区域内实现平滑AC电流的前提。本文分析了电流尖峰和振铃的根本原因,并给出了一个解决方案。提出的控制机制展示了一个实现平滑电流变换的可靠方法。
基于GaN的图腾柱CCM PFC可以在轻负载时,运行在电压开关为零 (ZVS) 的TM下,实现效率优化。这个控制会复杂得多。我将在另外一篇文章内讨论CCM和电压开关为零 (ZVS) 的TM。
I. 简介
当按下智能手机上的一个按钮时,这个手机会触发一个巨大的通信网络,并且连接到数千英里之外的数据中心。承载通信数据时的功耗是不可见的,而又大大超过了人们的想象。世界信息通信技术 (ICT) 生态系统的总体功耗正在接近全球发电量的10% [1]。单单一个数据中心,比如说位于北卡罗来纳州的脸谱公司的数据中心,耗电量即达到40MW。另外还有两个位于美国内华达州和中国重庆的200MW数据中心正在建设当中。随着数据存储和通信网络的快速增长,持续运行电力系统的效率变得越来越重要。现在比以前任何时候都需要对效率进行空前的改进与提升。
几乎所有ICT生态系统的能耗都转换自AC。AC输入首先被整流,然后被升压至一个预稳压电平。下游的DC/DC转换器将电压转换为一个隔离式48V或24V电压,作为电信无线系统的电源,以及存储器和处理器的内核电压。随着MOSFET技术的兴起和发展,电力转换效率在过去三十年间得到大幅提升。自2007年生效以来,Energy Star(能源之星)80 PLUS效率评价技术规范 [2] 将针对AC/DC整流器的效率等级从黄金级增加到更高的白金级,并且不断提高到钛金级。然而,由于MOSFET的性能限制,以及与钛金级效率要求有关的重大设计挑战,效率的改进与提升正在变慢。为了达到96%的钛金级峰值效率,对于高压线路来说,功率因数校正 (PFC) 电路效率的预算效率应该达到98.5%及以上,对于低压电路,这个值应该不低于96.4%。发展前景最好的拓扑是无桥PFC电路,它没有全波AC整流器桥,并因此降低了相关的传导损耗。[3] 对于不同无桥PFC的性能评价进行了很好的总结。这个性能评价的前提是,所使用的有源开关器件为MOSFET或IGBT。大多数钛金级AC/DC整流器设计使用图6中所示的拓扑 [3],由两个电路升压组成。每个升压电路在满功率下额定运行,不过只在一半AC线路周期内运行,而在另外周期内处于空闲状态。这样的话,PFC转换器以材料和功率密度为代价实现了一个比较高的效率值 [4]。通常情况下,由于MOSFET体二极管的缓慢反向恢复,一个图腾柱PFC无法在连续传导模式 (CCM) 下高效运行。然而,它能够在电压开关为零 (ZVS) 的变换模式下实现出色的效率值。数篇论文中已经提到,PFC效率可以达到98.5%-99%。对于高功率应用来说,多个图腾柱升压电路可以交错在一起,以提高功率水平,并且减少输入电流纹波。然而,这个方法的缺点就是控制复杂,并且驱动器和零电流检测电路的成本较高。此外,因此而增加的功率组件数量会产生一个低功率密度设计。因此,这个简单的图腾柱电路需要高效运行在CCM下,以实现高功率区域,并且在轻负载时切换至具有ZVS的TM。通过使用这个方法,可以同时实现高效率和高功率密度。作为一款新兴半导体开关,氮化镓 (GaN) FET正在逐渐走向成熟,并且使此类应用成为可能。Transphorm公司已经在APEC 2013上展示了一款峰值效率达到99%的基于GaN的图腾柱CCM PFC [9]。[10-12] 还介绍了GaN器件出色的开关特性,以及应用优势。为了更好地理解GaN特性,并且进一步解决应用中存在的顾虑,特别是开关频率和交叉电流尖峰问题,这篇文章讨论了:II. GaN技术概述、III. 图腾柱CCM PFC控制、IV. 实验和V. 结论。
II. GaN技术概述
GaN高电子迁移率晶体管 (HEMT) 首次问世是在2004年。HEMT结构表现出非同寻常的高电子迁移率,这个值所表示的是一个AlGaN和GaN异构表面附近的二维电子气 (2DEG)。正因如此,GaN HEMT也被称为异构FET (HFET),或者简单地称为FET。基本GaN晶体管结构如图1中所示 [13]。源电极和漏电极穿透AlGaN层的顶部,并且接触到下面的2DEG。这就在源极和漏极之间形成一个低阻抗路径,而也就自然而然地形成了一个D模式器件。通过将负电压施加到栅极上,2DEG的电子被耗尽,晶体管被关闭。

图1—D-mode GaN FET结构

图2—E-mode GaN FET结构
增强模式 (E-mode) GaN晶体管器件使用与D-mode GaN器件一样的基底工艺,在一个硅 (Si) 或碳化硅 (SiC) 基板顶部培养一层薄薄的氮化铝 (AlN) 绝缘层。然后,高阻性GaN和一个氮化铝镓与GaN的异构体被先后放置在AlN上。源电极与2DEG接触,而漏电极与GaN接触。对于栅极的进一步处理在栅极下形成一个耗尽层。图2中给出了这个基本结构。要接通FET,必须在栅极上施加一个正电压。
B.GaN,SiC和Si的物理属性比较
一个半导体材料的物理属性决定了终端器件的最终性能。表1中显示的是影响器件性能的主要属性。

表1—GaN、SiC和Si在300 Kelvin时的材料属性 [14-18]。
EG是带隙能量。EG>1.4的半导体通常被称为宽带隙材料。EG更大的材料将需要更多的能量来将电子从其键位上断开,以穿越带隙。它具有更低的泄露电流和更高的温度稳定性。EBR是临界区域击穿电压,这个电压会直接影响到电离和雪崩击穿电压电平。VS是饱和速率。峰值电子漂移速率决定了开关频率限值。μ是电子迁移率,它与接通电阻成反比。接通电阻与这个参数之间的关系为 [19]:

与一个Si器件相比,如图3的品质因数中所示,碳化硅的接通电阻减少了大约500倍,而对于一个指定尺寸的半导体来说,GaN的这些值甚至更高。

图3—硅、碳化硅和氮化镓理论接通电阻与阻断电压能力之间的关系 [16]。
过去三十年间,硅 (Si) 在功率应用中占主导地位。但是,随着其性能接近了理论限值,性能方面的提升也变得十分有限。作为2个新兴半导体材料,SiC和GaN看起来似乎是针对未来高性能应用的极有发展前途的候选材料。
C.在FET模式和二极管模式中运行的GaN器件
D-mode和E-mode GaN FET的输出特性如图4中所示 [13]。很明显,D-mode器件使用起来不太方便,其原因在于,将一个功率级连接至DC输入之前,必须在功率器件上施加一个负偏置电压。相反地,E-mode GaN FET,正如MOSFET,通常情况下是关闭的,并且对于应用来说更加友好。然而,常开型GaN器件更加易于生产,并且性能要好很多 [20]。对于一个指定区域或导通电阻,D-mode GaN FET的栅极电荷和输出电容比E-mode GaN FET的少一半。而这在开关电力转换器应用中具有重大优势。对于高压GaN器件来说,大多数供应商正在使用图5中所示的,具有共源共栅LV NMOSFET结构的D-mode GaN。LV NMOS是一种具有低Rds-on和快速反向恢复体二极管的20V-30V硅材料N沟道MOSFET。当把一个正电压施加到GaN共源共栅FET的漏极与源极之间时,内部MOSFET的Vds在FET关闭时开始上升,进而在GaN器件的栅极和源极上形成一个负电压,从而使GaN器件关闭。通常情况下,MOSFET的Vds将保持几伏特的电压,这个电压足够使GaN器件保持在关闭状态。当施加栅极电压时,MOSFET被接通,这使得MOSFET的栅极与源极短接,随后,GaN器件被接通。在FET模式下,一个GaN共源共栅FET与具有扩展GaN电压额定值和附加GaN电阻的集成MOSFET的工作方式十分相似。然而,GaN器件决定了输出电容值,而这个值远远小于与之相对应的MOSFET的Coss。GaN器件本身没有体二极管,但是,当反向电流被施加到GaN共源共栅FET上时,MOSFET的体二极管首先导电,而这样实际上就把体二极管的Vf施加到GaN器件的栅极上,随后GaN器件被接通。这样的话,低压FET的体二极管运行为共源共栅开关“体二极管”。由于LV MOSFET的正向压降和Qrr比高压MOSFET要低,所以这样做还是有其实际意义的。出色的体二极管运行方式是GaN共源共栅FET的其中一个主要特性和优势。由于对GaN共源共栅FET驱动的要求与对于传统MOSFET的要求是一样的,在应用采用方面,MOSFET的直接简易替换也是GaN共源共栅FET的另外一个优势。共源共栅方法的缺点在于,集成MOSFET必须在每个开关周期内切换。GaN共源共栅FET继承了MOSFET开关的某些特点,其中包括大栅极电荷与反向恢复。这些特点限制了GaN器件的性能。

图4—D-mode GaN FET(上图)和E-mode GaN FET(下图)的输出特点 [13]。

图5—GaN共源共栅FET结构。
D.安全GaN FET
为了克服共源共栅结构的缺点,我们在这里介绍一个全新的安全GaN FET结构(如图6中所示)。

图6—安全GaN FET结构。
这个安全GaN FET集成了一个常开型GaN器件、一个LV MOSFET、一个启动电路和一个用于GaN器件的栅极驱动器。MOSFET的功能与其在GaN共源共栅FET结构中的功能一样。它确保常开型GaN器件在Vcc偏置电压被施加前关闭。在Vcc被施加,并且栅极驱动器建立一个稳定的负偏置电压后,启动逻辑电路将MOSFET打开,并在随后保持接通状态。由于GaN器件不具有少数载子,也就不存在反向恢复,与相对应的MOSFET相比,GaN的栅极电容要少10倍,输出电容要低数倍。安全GaN FET完全涵盖了GaN所具有的优势。出色的开关特性确保了全新的开关转换器性能等级。还应指出的一点是,由于安全GaN FET内没有实际存在的体二极管,当一个负电流流经GaN FET,并且在漏极和源极上产生出一个负电压时,这个GaN器件的运行方式与二极管一样。GaN FET在Vds达到特定的阀值时开始反向传导,而这个阀值就是“体二极管”正向压降。正向压降可以很高,达到数伏特。有必要接通GaN FET来减少二极管模式下运行时的传导损耗。
III.图腾柱PFC CCM控制
图腾柱PFC是一款不错的测试工具,可以在硬开关模式中对安全GaN FET进行评估。图7中所示的是一个常见的图腾柱PFC电源电路。Q3和Q4是安全GaN FET;Q1和Q2是AC整流器FET,它在AC线路频率上开关;而D1和D2是浪涌路径二极管。当AC电压被输入,并且Vac1-Vac2处于正周期内,Q2被接通时,Q4运行为一个有源开关,而Q3运行为一个升压二极管。为了减少二极管的传导损耗,Q4在同步整流模式中运行。而对于负AC输入周期,此电路的运行方式一样,但是具有交流开关功能。

图7—有源开关周期(上图)和续流周期(下图)中,正AC输入下,图腾柱PFC的工作方式。
正如在第II部分中描述的那样,这个“体二极管”具有一个很明显的正压降。这个GaN FET应该在续流期间被接通。为了实现CCM运行,在插入特定的死区时间的同时,有源FET和续流FET分别在占空比D和1-D内开关。如图8中所示,在重负载下,电感器电流可以全为正,不过在轻负载情况下,这个电流可以变为负。

图8—重负载(上图)和轻负载(下图)情况下的PFC电感器电流。
特定的负电流对于软开关有所帮助,但是,过高的负电流会导致较大的循环功率和低效率。为了实现最优效率,GaN FET的接通和关闭死区时间需要根据负载和线路情况进行实时控制。由于GaN FET输出电容,Coss,不会随Vds电压的波动而大幅变化,从有源FET关闭到续流FET接通的死区时间Td-on可以计算为,

在这里,Vo是PFC输出电压,而IL-peak是峰值电感器电流。
在CCM模式下,被定义为续流FET关闭到有源FET接通的死区时间Td-off应该尽可能保持在较小的水平。如图9中所示,当接收到零电流检测 (ZCD) 信号后,相应的PWM随之被斩波,以避免出现一个负电流和循环功率。这样的话,GaN FET运行为一个理想二极管,这通常被称为理想二极管仿真 (IDE)。

图9—理想二极管仿真控制。
为了用理想二极管仿真实现CCM控制,我们选择的是UCD3138,一款融合数字控制器。这个控制器块的功能如图10中所示。PFC的电压环路和电流环路分别由固件和硬件CLA执行。通过采用将ZCD用作触发信号的一个控制器内部逐周期 (CBC) 硬件,可以实现IDE。

图10—用于图腾柱PFC控制的UCD3138。
为了最大限度地减少AC输入整流器二极管的传导损耗,如图7中的Q1和Q2所显示的那样,常常用低Rds_on MOSFET替换低速整流器二极管。这些MOSFET和高速GaN FET,Q3和Q4,根据AC电压交叉点检测值,在正负AC输入周期之间变换工作状态。这个任务看似简单,但是,为了实现洁净且平滑的AC交叉电流,应该将很多注意事项考虑在内。交叉检测的精度对于保持正确的工作状态和运行十分重要。这个精度经常受到感测电阻器容差和感测电路滤波器相位延迟的影响。几伏特的计算错误会导致很大的电流尖峰。为了避免由整流器FET提前接通所导致的输入AC短路,必须要有足够的消隐时间让Q1和Q2关闭,并且应该将这个时间插入到检测到的交叉点上。消隐时间的典型值大约在100μs至200μs之间。由于MOSFET的输出电容,Coss,很明显,Q1和Q2上的电压应该在消隐时间内几乎保持恒定。在互补整流器FET被接通前,PFC保持在之前的运行状态中,此时,施加到升压电感器上的电压几乎为零,而有源GaN FET运行在几乎满占空比状态下。在这一点上,接通互补整流器FET,或者在有源开关和同步开关之间变换GaN FET的这两个功能,会在升压电感器中形成大电压二次浪涌,并因此导致一个较大的电流尖峰。理论上,在理想AC电压交叉点上同时改变整流器FET和GaN FET工作状态可以避免电流尖峰,并且保持电流环路的负反馈,不过,这在实际环境中很难实现。此外,任何由突然状态变化所导致的电流尖峰会干扰电流环路,并且导致一定的电流振铃级别。[9] 建议在交叉点上使用PFC软启动。顾虑在于,AC交叉检测电路通常具有相位偏移,并且有可能不够精确。过早或过晚的改变状态会导致AC线路短路,或者电流环路正反馈,这会形成电流尖峰。这篇文章内提出的一款全新可靠的控制机制就是为了确保一个平滑的状态改变。图11显示的是状态变化的时序图。

图11—PFC状态变化时序图。
输入AC线路电压VAC_L和中间电压VAC_N被分别感测。得出的两个感测到电压的差值被用于AC电压交叉检测,这实际上是一个差分感测机制。它消除了Y_Cap电流对感测精度的影响。VAC_L-VAC_N的符号被用来确定输入的正周期和负周期。VAC_L-VAC_N的绝对值与高压线路的AC电压交叉阀值VT_H,以及低压线路的VT_L进行比较,以确定AC电压是否处于交叉区域内。如果回答是肯定的,整流器FET和升压开关均被关闭,而控制环路的积分器被暂停。当AC电压增加,并且存在于交叉区域内时,相应的整流器FET被缓慢接通。通过插入一个适当的值栅极电阻器,可以限制接通速度。在整流器FET被接通后,一个短延迟,比如说20μs,在积分器被暂停,并且PWM输出被再次启用前被插入。
IV.实验
为了评估安全GaN FET的性能,并验证CCM图腾柱PFC控制机制,一个运行频率为140kHz的750W PFC电路被设计成一个测试工具。表2中列出了这个电路的主要组件参数。

表2—750W PFC电路主要组件参数。
图12和图13显示的是D-mode GaN FET接通和关闭波形。Vg4是栅极驱动器信号,Vds是漏源电压,而IL是升压电感器电流。

图12—GaN FET接通波形。

图13—GaN FET关闭波形。
如这些图中所见,GaN FET在dv/dt的值达到79V/ns最大值时的接通时间为7ns。可以在开关结束时观察到大约10-20V的振铃。这个振铃由H桥跟踪泄露电感和H桥输出高频陶瓷电容器的谐振所导致。在关闭时,Vds缓慢上升,过冲电压大约为20V。dv/dt受到GaN FET输出电容值的限制。零GaN“体二极管”正向恢复特性最大限度地减小了电压过冲幅度。
图14显示的是安全GaN FET“体二极管”正向压降。当“体二极管”传导的电流为2.8A时,可以观察到大约6.6V的正向压降。当GaN被接通时,根据器件Rds_on的不同,这个电压减少到数十mV范围内。一个用DC电流进行的单独测试显示出的正向压降在4.3V至7.3V之间。为了最大限度地减少“体二极管”传导损耗,有必要使用一个良好的SyncFET控制机制。

图14—GaN FET“体二极管”正向压降。

图15—GaN FET反向恢复测试。
图15中给出了ST生产的Turbo-2二极管STTH8R06D,Cree生产的SiC二极管C3D04060E,与TI生产的试验安全GaN之间的反向恢复比较数据。
ST生产的Turbo二极管性能出色,并且在大约10年前,SiC上市时,一直在PFC应用领域占主导地位。ST Turbo二极管关闭缓慢,但是反向恢复十分明显,而SiC二极管具有零反向恢复。无法避免的电路和器件端子泄露是导致所观察到的振铃的主要原因。TI的试验GaN FET也表现出零反向恢复。由于较大的Coss,与SiC的结电容相比,观察到一个更大的振铃,但是频率较低。振铃是零反向恢复的一个附带的振铃特性。
图16显示的是由不适当状态变化和控制导致的AC电流尖峰和振铃。在图16上标出了导致每个尖峰和振铃的根本原因。图17显示的是使用本文中所提出的控制方法后洁净且平滑电流波形。

图16—230 VAC输入时的交叉波形,此时Q2硬开关接通,具有3.8V的VT_H,并且积分器在消隐时间内运行。

图17—230 VAC输入时的交叉波形,此时Q2软开关接通,具有7.6V的VT_H,并且积分器在消隐时间内暂停。
图18和图19显示的是450W低压线路和750W高压线路上的AC电流波形。可以在低压线路上实现0.999功率因数和3.3%的THD,以及0.995功率因数和4.0% THD。图20显示的是PFC效率曲线。峰值效率在230 VAC输入时达到98.53%,在115VAC输入时达到97.1%。可在轻负载区域内观察到由部分ZVS所导致的低压线路效率尖峰,此时,PFC运行在CCM和DCM边界附近。

图18—115V输入和450W负载时的AC电压和电流波形。

图19--230V输入和750W负载时的AC电压和电流波形。

图20—图腾柱PFC效率。

图21—750W图腾柱PFC原型机。
V.结论
GaN FET表现出出色的开关特性。用8mm x 8mm QFN GaN FET将PFC的功率推高到750W,并且用早期的试验GaN样片使高压线路输入时的效率达到98.53%,低压线路输入时的效率达到97.1%,这一切从正面反映出GaN FET的潜力。借助安全GaN FET结构,FET具有零“体二极管”反向恢复,这使其成为图腾柱或半桥硬开关应用的理想选择。这些器件在高很多的频率下运行,而又不受反向恢复损耗和明显栅极损耗的影响。它在效率和物理尺寸方面代表了开关转换器性能的全新发展水平。为了尽可能地降低“体二极管”传导损耗,一个高精度和可靠死区时间与IDE控制机制是必须的。一个好的控制器将在确保安全GaN FET应用取得成功方面发挥重大作用。
高精度AC电压交叉检测是在交叉区域内实现平滑AC电流的前提。本文分析了电流尖峰和振铃的根本原因,并给出了一个解决方案。提出的控制机制展示了一个实现平滑电流变换的可靠方法。
基于GaN的图腾柱CCM PFC可以在轻负载时,运行在电压开关为零 (ZVS) 的TM下,实现效率优化。这个控制会复杂得多。我将在另外一篇文章内讨论CCM和电压开关为零 (ZVS) 的TM。
射频工程师养成培训教程套装,助您快速成为一名优秀射频工程师...
天线设计工程师培训课程套装,资深专家授课,让天线设计不再难...
上一篇:如何避免EPOS处理器在9V
USB充电条件下发生短路
下一篇:理解超级结技术
射频和天线工程师培训课程详情>>

