- 易迪拓培训,专注于微波、射频、天线设计工程师的培养
GaN是救世主,能拯救电源工程师吗?
录入:edatop.com 点击:
作为电源工程师,我们能够回忆起第一次接触到理想化的降压和升压功率级的场景。还记得电压和电流波形是多么的漂亮和简单(图1),以及平均电流的计算是多么地轻松,并且确定与输入和输出相关的传递函数也轻而易举?

图1:理想化的降压与升压功率级:这些图看起来真是太棒了!
当我们对于用实际组件来实现转换器有更加深入的了解时,这个波形变得复杂了很多。不断困扰开关转换器的一个特别明显的非理想状态就是同步降压或升压转换器内所使用的MOSFET体二极管的反向恢复。氮化镓—GaN器件不会表现出反向恢复特性,并因此避免了损耗和其它相关问题。借助于我的LMG5200和一个差不多的基于硅FET的TPS40170EVM-597,我将开始在24V至5V/4A电源转换器中测量反向恢复。
反向恢复—到底是个啥东西?
一个二极管中的反向恢复就是当反向电压被施加到端子上时流经二极管的反向电流(错误方向!)(请见图2)。二极管中有储存的电荷,这些电荷必须在二极管能够阻断反向电压前重新组合。这个重新组合是温度、正向电流、Ifwd、电流的di/dt,以及其它因数的函数。

图2:反向恢复电流波形
恢复的电荷,Qrr,被分为两个分量:恢复之前的Qa和恢复之后的Qb—二极管在此时开始支持反向电压—请见图3。你也许见过Qb与Qa一样的软恢复,这样的话,di/dt比较慢,或者说,你见过Qb很小,而di/dt很高的“活跃”二极管。当di/dt很高时(由二极管急变引起),桥式功率环路中寄生电感的响应方式是把它们储存的电能倾倒到寄生节点电容中;电压振铃会由于二阶响应而出现。这也是将输入功率级旁路电容器放置在输入级附近的原因。由于环路中用于快速恢复的电感较少,由寄生电容导致电压振铃的电能较少。

图3:已恢复的电荷
我用常规的方法来计算反向恢复损耗:我使用的是数据表中的Qrr额定值,并将其乘以频率和输入电压(如果是降压转换器)或输出电压(如果是升压转换器)。二极管或MOSFET数据表通常指定一个反向恢复时间和一个反向恢复电荷。例如,CSD18563Q5A指定了一个49ns的反向恢复时间,trr,以及一个63nC的Qrr。方程式1计算在一个300kHz,24V->5V降压转换器中,由Qrr所导致的损耗一阶估算值:
Qrr损耗 ~24V * 300kHz * 63nC = 454mW (1)
请注意!Qrr通常是25°C温度下,针对特定Ifwd和di/dt的额定值。实际Qrr会在结温上升时,比如说125°C时加倍(或者更多)。di/dt和初始电流都会有影响(更高或更低)。对于活跃型二极管,这个功率的大部分在上部开关内被耗散。对于软恢复二极管,这个功率在上部开关和体二极管之间分离开来。如果di/dt和Ifwd条件与我的应用相类似,我将25°C温度下损耗的2倍作为与恢复相关损耗的估算值。
那么,你打算拿这些损耗怎么办呢?实际电路中,由反向恢复导致的真实峰值电流是多少?你也许尝试用一个SPICE工具来仿真恢复,不过我还未在SPICE社区内发现比较好的针对二极管恢复的模型。图4显示的是一个TINA-TI 仿真的结果;我用我们的24V/5V降压转换器的TPS40170产品文件夹对这个仿真进行了修改,从而显示出顶部开关内的开关节点电压 (SW) 和电流(负载电流加上反向恢复电流,以及用一个10mΩ分流电阻器感测到的开关节点电容电流)。

图4:TINA-TI 仿真:TPS540170
注意到大约5A的峰值纹波电路,以及5A峰值反向恢复电流加上开关节点电容充电电流。我运行了这个仿真,并且将温度从27°C增加至125°C—峰值恢复电流没有增加—并且看起来好像SPICE没有对这个恢复进行正确建模。
接下来我们来看一看在一个真实电路中测量反向恢复的方法。
测量一个同步降压转换器中的反向恢复不太容易。电流探头太大,并且会大幅增加功率级环路中的电感。而且电流探头的带宽也不够。
使用一个分流电阻器怎么样?这听起来是可行的,不过你需要确保这个器件不会引入过大的环路电感。我找到了几个电阻值在10mΩ,并且具有“低电感”的电阻器。
我很想把这个器件放在同步FET的源极上,不过会有两个问题:
·分流电阻器上会出现栅极驱动电流,以及恢复和负载电流。
·这个分流电阻器将增加电感,会由于高di/dt电流而影响到下桥栅极驱动。
其中一个解决方案就是将分流电阻器放在上桥MOSFET的漏极内,这样的话,分流电阻器就不会影响到栅极驱动了。Vishay VCS1625/Y08500R01000F9R就具有这样的功能—它内置有开尔文连接,并且具有能够减少电感的结构。请见图5。

图5:分流电阻器(Vishay公司生产)
硅MOSFET恢复测量
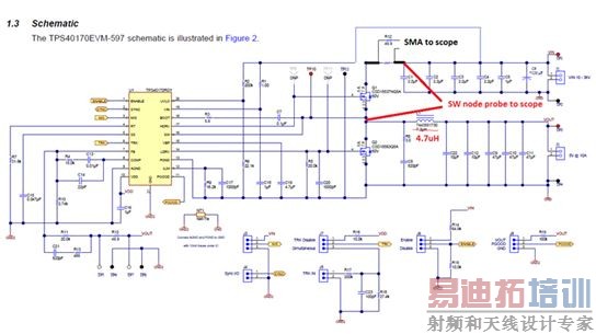
为了用一个硅MOSFET桥获得基线Qrr测量值,我掏出一把切割刀,在TPS40170EVM-597上为分流电阻器辟出了一个安全岛,并将这个分流电阻器放置其中。我使用的是一条50Ω SMA至BNC电缆,将信号传送到这个示波器(与50Ω的电阻值端接)。我串联了一个50Ω的电阻器,这样的话,我得到一半的信号值,不过没有振铃。注意在同时使用不同类型的探头时要进行失真调节!
需要注意的一点是,当分流电阻器位于顶端时,这个示波器被接地至正输入电压轨。这意味着电源正输出被接地(负电源接至降压转换器),任何其它测试设备,比如说负载测试器,一定不能使流经示波器连线的电源短路。图6显示的是经修改的评估模块 (EVM) 电路原理图。

图6:用于反向恢复测量的经修改的硅桥
图7显示了插入分流电阻器后的TPS40170 EVM。

图7:EVM探测技术
图8显示的是开关节点,以及300kHz, 24VIN, 5VOUT 和4AOUT 时的分流波形。

图8:硅桥开关波形
在图8中,黄色是软件节点,而紫色表示的是顶部FET漏极电流。电流平均值的“三角”波形与4A负载完美匹配 -> 20mV = 4A。
在图9中,针对TPS40170/硅MOSFET的高亮反向恢复电荷用红色显示(使用的是CSD185363A)。峰值恢复电流为18A左右 (90mV),据我估算,对于24V*300KHz*100nC = <720mW的损耗,Qrr大约小于100nC。需要注意的是,这个电流在“红色区域”内的部分在开关节点上升时流入负载,所以估算值也许会比Qrr高一点。

图9:硅桥反向恢复
想象一下这种情况!每3.3μs从输入电源汲取一个18A、12ns宽的电流脉冲。高di/dt将导致所有功率级中的环路电感产生出电压,并且有可能造成运行问题。幸运的是,TPS40170EVM-597具有一个可以缓解这些问题的极佳布局布线―实际上,这些问题并不会一直出现。
进入GaN,恢复在哪?
我使用了同样的技术来测量LMG5200 GaN(氮化镓)EVM。我首先当LMG5200EVM在负载为4A,将24V驱动为5V时,抓取了一个LMG5200EVM开关节点电压的参考示波器波形图。我使用的是一台安捷伦33220A,在300kHz时,将一个固定的21%左右的占空比驱动至LMG5200 PWM输入。请见图10,通道1显示的是开关节点波形。

图10:LMG5200 GaN开关波形
我将高/低驱动信号包括在内,作为参考(通道3&4)。这个“体二极管”传导比MOSFET的体二极管有更高的压降―我在这段时间看到的压降是2.5V左右,而不是大约0.6V。我抓取了这幅示波器波形图的原因在于,我将要在输入环路中增加一个会导致更多振铃的电阻器/电感。
图11显示的是在我将分流电阻器添加到上桥GaN器件的漏极后的变化。

图11:GaN开关波形探测技术
需要注意的是,我必须用一个电平位移电路(简单的PNP和电阻器)来将300kHz 21%占空函数发生器信号从“接地”(现在为24V电源的正值侧)电平位移至-24V上的PWM输入。如果不这么做的话,当把示波器感测放置在正电压轨上时,我将会遇到一个接地竞争(或者被称为保险丝熔断)。图12显示的是开关节点(黄色)和最高GaN电流(紫色)。

图12:分流电阻器被插入时的LMG5200 GaN开关波形
通过放大图13,可以看出恢复电流已经消失(红色区域没有了)。由于感测电阻器增加的电感,还有一点点额外的振铃,不过没有恢复损耗或相关问题。你会发现开关和开关节点电容损耗依旧存在,但是GaN上不会出现导致基于硅MOSFET的转换器问题的反向恢复,这真让人松了一口气!

图13:GaN Qrr测量值

图1:理想化的降压与升压功率级:这些图看起来真是太棒了!
当我们对于用实际组件来实现转换器有更加深入的了解时,这个波形变得复杂了很多。不断困扰开关转换器的一个特别明显的非理想状态就是同步降压或升压转换器内所使用的MOSFET体二极管的反向恢复。氮化镓—GaN器件不会表现出反向恢复特性,并因此避免了损耗和其它相关问题。借助于我的LMG5200和一个差不多的基于硅FET的TPS40170EVM-597,我将开始在24V至5V/4A电源转换器中测量反向恢复。
反向恢复—到底是个啥东西?
一个二极管中的反向恢复就是当反向电压被施加到端子上时流经二极管的反向电流(错误方向!)(请见图2)。二极管中有储存的电荷,这些电荷必须在二极管能够阻断反向电压前重新组合。这个重新组合是温度、正向电流、Ifwd、电流的di/dt,以及其它因数的函数。

图2:反向恢复电流波形
恢复的电荷,Qrr,被分为两个分量:恢复之前的Qa和恢复之后的Qb—二极管在此时开始支持反向电压—请见图3。你也许见过Qb与Qa一样的软恢复,这样的话,di/dt比较慢,或者说,你见过Qb很小,而di/dt很高的“活跃”二极管。当di/dt很高时(由二极管急变引起),桥式功率环路中寄生电感的响应方式是把它们储存的电能倾倒到寄生节点电容中;电压振铃会由于二阶响应而出现。这也是将输入功率级旁路电容器放置在输入级附近的原因。由于环路中用于快速恢复的电感较少,由寄生电容导致电压振铃的电能较少。

图3:已恢复的电荷
我用常规的方法来计算反向恢复损耗:我使用的是数据表中的Qrr额定值,并将其乘以频率和输入电压(如果是降压转换器)或输出电压(如果是升压转换器)。二极管或MOSFET数据表通常指定一个反向恢复时间和一个反向恢复电荷。例如,CSD18563Q5A指定了一个49ns的反向恢复时间,trr,以及一个63nC的Qrr。方程式1计算在一个300kHz,24V->5V降压转换器中,由Qrr所导致的损耗一阶估算值:
Qrr损耗 ~24V * 300kHz * 63nC = 454mW (1)
请注意!Qrr通常是25°C温度下,针对特定Ifwd和di/dt的额定值。实际Qrr会在结温上升时,比如说125°C时加倍(或者更多)。di/dt和初始电流都会有影响(更高或更低)。对于活跃型二极管,这个功率的大部分在上部开关内被耗散。对于软恢复二极管,这个功率在上部开关和体二极管之间分离开来。如果di/dt和Ifwd条件与我的应用相类似,我将25°C温度下损耗的2倍作为与恢复相关损耗的估算值。
那么,你打算拿这些损耗怎么办呢?实际电路中,由反向恢复导致的真实峰值电流是多少?你也许尝试用一个SPICE工具来仿真恢复,不过我还未在SPICE社区内发现比较好的针对二极管恢复的模型。图4显示的是一个TINA-TI 仿真的结果;我用我们的24V/5V降压转换器的TPS40170产品文件夹对这个仿真进行了修改,从而显示出顶部开关内的开关节点电压 (SW) 和电流(负载电流加上反向恢复电流,以及用一个10mΩ分流电阻器感测到的开关节点电容电流)。

图4:TINA-TI 仿真:TPS540170
注意到大约5A的峰值纹波电路,以及5A峰值反向恢复电流加上开关节点电容充电电流。我运行了这个仿真,并且将温度从27°C增加至125°C—峰值恢复电流没有增加—并且看起来好像SPICE没有对这个恢复进行正确建模。
接下来我们来看一看在一个真实电路中测量反向恢复的方法。
测量一个同步降压转换器中的反向恢复不太容易。电流探头太大,并且会大幅增加功率级环路中的电感。而且电流探头的带宽也不够。
使用一个分流电阻器怎么样?这听起来是可行的,不过你需要确保这个器件不会引入过大的环路电感。我找到了几个电阻值在10mΩ,并且具有“低电感”的电阻器。
我很想把这个器件放在同步FET的源极上,不过会有两个问题:
·分流电阻器上会出现栅极驱动电流,以及恢复和负载电流。
·这个分流电阻器将增加电感,会由于高di/dt电流而影响到下桥栅极驱动。
其中一个解决方案就是将分流电阻器放在上桥MOSFET的漏极内,这样的话,分流电阻器就不会影响到栅极驱动了。Vishay VCS1625/Y08500R01000F9R就具有这样的功能—它内置有开尔文连接,并且具有能够减少电感的结构。请见图5。

图5:分流电阻器(Vishay公司生产)
硅MOSFET恢复测量
为了用一个硅MOSFET桥获得基线Qrr测量值,我掏出一把切割刀,在TPS40170EVM-597上为分流电阻器辟出了一个安全岛,并将这个分流电阻器放置其中。我使用的是一条50Ω SMA至BNC电缆,将信号传送到这个示波器(与50Ω的电阻值端接)。我串联了一个50Ω的电阻器,这样的话,我得到一半的信号值,不过没有振铃。注意在同时使用不同类型的探头时要进行失真调节!
需要注意的一点是,当分流电阻器位于顶端时,这个示波器被接地至正输入电压轨。这意味着电源正输出被接地(负电源接至降压转换器),任何其它测试设备,比如说负载测试器,一定不能使流经示波器连线的电源短路。图6显示的是经修改的评估模块 (EVM) 电路原理图。

图6:用于反向恢复测量的经修改的硅桥
图7显示了插入分流电阻器后的TPS40170 EVM。

图7:EVM探测技术
图8显示的是开关节点,以及300kHz, 24VIN, 5VOUT 和4AOUT 时的分流波形。

图8:硅桥开关波形
在图8中,黄色是软件节点,而紫色表示的是顶部FET漏极电流。电流平均值的“三角”波形与4A负载完美匹配 -> 20mV = 4A。
在图9中,针对TPS40170/硅MOSFET的高亮反向恢复电荷用红色显示(使用的是CSD185363A)。峰值恢复电流为18A左右 (90mV),据我估算,对于24V*300KHz*100nC = <720mW的损耗,Qrr大约小于100nC。需要注意的是,这个电流在“红色区域”内的部分在开关节点上升时流入负载,所以估算值也许会比Qrr高一点。

图9:硅桥反向恢复
想象一下这种情况!每3.3μs从输入电源汲取一个18A、12ns宽的电流脉冲。高di/dt将导致所有功率级中的环路电感产生出电压,并且有可能造成运行问题。幸运的是,TPS40170EVM-597具有一个可以缓解这些问题的极佳布局布线―实际上,这些问题并不会一直出现。
进入GaN,恢复在哪?
我使用了同样的技术来测量LMG5200 GaN(氮化镓)EVM。我首先当LMG5200EVM在负载为4A,将24V驱动为5V时,抓取了一个LMG5200EVM开关节点电压的参考示波器波形图。我使用的是一台安捷伦33220A,在300kHz时,将一个固定的21%左右的占空比驱动至LMG5200 PWM输入。请见图10,通道1显示的是开关节点波形。

图10:LMG5200 GaN开关波形
我将高/低驱动信号包括在内,作为参考(通道3&4)。这个“体二极管”传导比MOSFET的体二极管有更高的压降―我在这段时间看到的压降是2.5V左右,而不是大约0.6V。我抓取了这幅示波器波形图的原因在于,我将要在输入环路中增加一个会导致更多振铃的电阻器/电感。
图11显示的是在我将分流电阻器添加到上桥GaN器件的漏极后的变化。

图11:GaN开关波形探测技术
需要注意的是,我必须用一个电平位移电路(简单的PNP和电阻器)来将300kHz 21%占空函数发生器信号从“接地”(现在为24V电源的正值侧)电平位移至-24V上的PWM输入。如果不这么做的话,当把示波器感测放置在正电压轨上时,我将会遇到一个接地竞争(或者被称为保险丝熔断)。图12显示的是开关节点(黄色)和最高GaN电流(紫色)。

图12:分流电阻器被插入时的LMG5200 GaN开关波形
通过放大图13,可以看出恢复电流已经消失(红色区域没有了)。由于感测电阻器增加的电感,还有一点点额外的振铃,不过没有恢复损耗或相关问题。你会发现开关和开关节点电容损耗依旧存在,但是GaN上不会出现导致基于硅MOSFET的转换器问题的反向恢复,这真让人松了一口气!

图13:GaN Qrr测量值
射频工程师养成培训教程套装,助您快速成为一名优秀射频工程师...
天线设计工程师培训课程套装,资深专家授课,让天线设计不再难...
上一篇:智能电源为实现全面智能化铺平道路
下一篇:电路中如何选择最佳的电路保护器件
射频和天线工程师培训课程详情>>

