- 易迪拓培训,专注于微波、射频、天线设计工程师的培养
如何看懂电路 之电源电路单元
录入:edatop.com 点击:
一张电路图通常有几十乃至几百个元器件,它们的连线纵横交叉,形式变化多端,初学者往往不知道该从什么地方开始,怎样才能读懂它。其实电子电路本身有很强的规律性,不管多复杂的电路,经过分析可以发现,它是由少数几个单元电路组成的。好象孩子们玩的积木,虽然只有十来种或二三十种块块,可是在孩子们手中却可以搭成几十乃至几百种平面图形或立体模型。同样道理,再复杂的电路,经过分析就可发现,它也是由少数几个单元电路组成的。因此初学者只要先熟悉常用的基本单元电路,再学会分析和分解电路的本领,看懂一般的电路图应该是不难的。
用一个稳压管和负载并联的电路是最简单的稳压电路,见图 4 ( a )。图中 R 是限流电阻。这个电路的输出电流很小,它的输出电压等于稳压管的稳定电压值 V Z 。


(2 )串联型稳压电路
有放大和负反馈作用的串联型稳压电路是最常用的稳压电路。它的电路和框图见图 4 ( b )、( c )。它是从取样电路( R3 、 R4 )中检测出输出电压的变动,与基准电压( V Z )比较并经放大器( VT2 )放大后加到调整管( VT1 )上,使调整管两端的电压随着变化。如果输出电压下降,就使调整管管压降也降低,于是输出电压被提升;如果输出电压上升,就使调整管管压降也上升,于是输出电压被压低,结果就使输出电压基本不变。在这个电路的基础上发展成很多变型电路或增加一些辅助电路,如用复合管作调整管,输出电压可调的电路,用运算放大器作比较放大的电路,以及增加辅助电源和过流保护电路等。
( 3 )开关型稳压电路
近年来广泛应用的新型稳压电源是开关型稳压电源。它的调整管工作在开关状态,本身功耗很小,所以有效率高、体积小等优点,但电路比较复杂。
开关稳压电源从原理上分有很多种。它的基本原理框图见图 4 ( d )。图中电感 L 和电容 C 是储能和滤波元件,二极管 VD 是调整管在关断状态时为 L 、 C 滤波器提供电流通路的续流二极管。开关稳压电源的开关频率都很高,一般为几~几十千赫,所以电感器的体积不很大,输出电压中的高次谐波也不多。
它的基本工作原理是 : 从取样电路( R3 、 R4 )中检测出取样电压经比较放大后去控制一个矩形波发生器。矩形波发生器的输出脉冲是控制调整管( VT )的导通和截止时间的。如果输出电压 U 0 因为电网电压或负载电流的变动而降低,就会使矩形波发生器的输出脉冲变宽,于是调整管导通时间增大,使 L 、 C 储能电路得到更多的能量,结果是使输出电压 U 0 被提升,达到了稳定输出电压的目的。
( 4 )集成化稳压电路
近年来已有大量集成稳压器产品问世,品种很多,结构也各不相同。目前用得较多的有三端集成稳压器,有输出正电压的 CW7800 系列和输出负电压的 CW7900 系列等产品。输出电流从 0.1A ~ 3A ,输出电压有 5V 、 6V 、 9V 、 12V 、 15V 、 18V 、 24V 等多种。
这种集成稳压器只有三个端子,稳压电路的所有部分包括大功率调整管以及保护电路等都已集成在芯片内。使用时只要加上散热片后接到整流滤波电路后面就行了。外围元件少,稳压精度高,工作可靠,一般不需调试。
图 4 ( e )是一个三端稳压器电路。图中 C 是主滤波电容, C1 、 C2 是消除寄生振荡的电容 ,VD 是为防止输入短路烧坏集成块而使用的保护二极管。
五、电源电路读图要点和举例
电源电路是电子电路中比较简单然而却是应用最广的电路。拿到一张电源电路图时,应该: ① 先按“整流 — 滤波 — 稳压”的次序把整个电源电路分解开来,逐级细细分析。 ② 逐级分析时要分清主电路和辅助电路、主要元件和次要元件,弄清它们的作用和参数要求等。例如开关稳压电源中,电感电容和续流二极管就是它的关键元件。 ③ 因为晶体管有 NPN 和 PNP 型两类,某些集成电路要求双电源供电,所以一个电源电路往往包括有不同极性不同电压值和好几组输出。读图时必须分清各组输出电压的数值和极性。在组装和维修时也要仔细分清晶体管和电解电容的极性,防止出错。 ④ 熟悉某些习惯画法和简化画法。 ⑤ 最后把整个电源电路从前到后全面综合贯通起来。这张电源电路图也就读懂了。
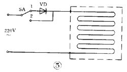
例 1 电热毯控温电路
图 5 是一个电热毯电路。开关在“ 1 ”的位置是低温档。 220 伏市电经二极管后接到电热毯,因为是半波整流,电热毯两端所加的是约 100 伏的脉动直流电,发热不高,所以是保温或低温状态。开关扳到“ 2 ”的位置, 220 伏市电直接接到电热毯上,所以是高温档。

例 2 高压电子灭蚊蝇器
图 6 是利用倍压整流原理得到小电流直流高压电的灭蚊蝇器。 220 伏交流经过四倍压整流后输出电压可达 1100 伏,把这个直流高压加到平行的金属丝网上。网下放诱饵,当苍蝇停在网上时造成短路,电容器上的高压通过苍蝇身体放电把蝇击毙。苍蝇尸体落下后,电容器又被充电,电网又恢复高压。这个高压电网电流很小,因此对人无害。

由于昆虫夜间有趋光性,因此如在这电网后面放一个 3 瓦荧光灯或小型黑光灯,就可以诱杀蚊虫和有害昆虫。
例 3 实用稳压电源
图 7 是一个实用的稳压电源。输出电压 3 ~ 9 伏可调,输出电流最大 100 毫安。这个电路就是串联型稳压电源电路。要注意的是 :① 整流桥的画法和图 2 ( c )不同,实际上它就是桥式整流电路。 ② 这个电路使用 PNP 型锗管,所以输出是负电压,正极接地。 ③ 用两个普通二极管代替稳压管。任何二极管的正向压降都是基本不变的,因此可用二极管代替稳压管。 2AP 型二极管的正向压降约是 0.3 伏, 2CP 型约是 0.7 伏, 2CZ 型约是 1 伏。图中用了两个 2CZ 二极管作基准电压。 ④ 取样电阻是一个电位器,所以输出电压是可调的。

按单元电路的功能可以把它们分成若干类,每一类又有好多种,全部单元电路大概总有几百种。下面我们选最常用的基本单元电路来介绍。让我们从电源电路开始。
一、电源电路的功能和组成
每个电子设备都有一个供给能量的电源电路。电源电路有整流电源、逆变电源和变频器三种。常见的家用电器中多数要用到直流电源。直流电源的最简单的供电方法是用电池。但电池有成本高、体积大、需要不时更换(蓄电池则要经常充电)的缺点,因此最经济可靠而又方便的是使用整流电源。
电子电路中的电源一般是低压直流电,所以要想从 220 伏市电变换成直流电,应该先把 220 伏交流变成低压交流电,再用整流电路变成脉动的直流电,最后用滤波电路滤除脉动直流电中的交流成分后才能得到直流电。有的电子设备对电源的质量要求很高,所以有时还需要再增加一个稳压电路。因此整流电源的组成一般有四大部分,见图 1 。其中变压电路其实就是一个铁芯变压器,需要介绍的只是后面三种单元电路。

二、整流电路
整流电路是利用半导体二极管的单向导电性能把交流电变成单向脉动直流电的电路。
( 1 )半波整流
半波整流电路只需一个二极管,见图 2 ( a )。在交流电正半周时 VD 导通,负半周时 VD 截止,负载 R 上得到的是脉动的直流电
( 2 )全波整流
全波整流要用两个二极管,而且要求变压器有带中心抽头的两个圈数相同的次级线圈,见图 2 ( b )。负载 R L 上得到的是脉动的全波整流电流,输出电压比半波整流电路高。
( 3 )全波桥式整流
用 4 个二极管组成的桥式整流电路可以使用只有单个次级线圈的变压器,见图 2 ( c )。负载上的电流波形和输出电压值与全波整流电路相同。
( 4 )倍压整流
用多个二极管和电容器可以获得较高的直流电压。图 2 ( d )是一个二倍压整流电路。当 U2 为负半周时 VD1 导通, C1 被充电, C1 上最高电压可接近 1.4U2 ;当 U2 正半周时 VD2 导通, C1 上的电压和 U2 叠加在一起对 C2 充电,使 C2 上电压接近 2.8U2 ,是 C1 上电压的 2 倍,所以叫倍压整流电路。
三、滤波电路
整流后得到的是脉动直流电,如果加上滤波电路滤除脉动直流电中的交流成分,就可得到平滑的直流电。
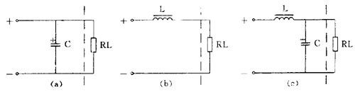
( 1 )电容滤波
把电容器和负载并联,如图 3 ( a ),正半周时电容被充电,负半周时电容放电,就可使负载上得到平滑的直流电。


( 2 )电感滤波
把电感和负载串联起来,如图 3 ( b ),也能滤除脉动电流中的交流成分。
( 3 ) L 、 C 滤波
用 1 个电感和 1 个电容组成的滤波电路因为象一个倒写的字母“ L ”,被称为 L 型,见图 3 ( c )。用 1 个电感和 2 个电容的滤波电路因为象字母“ π ”,被称为 π 型,见图 3 ( d ),这是滤波效果较好的电路。
( 4 ) RC 滤波
电感器的成本高、体积大,所以在电流不太大的电子电路中常用电阻器取代电感器而组成 RC 滤波电路。同样,它也有 L 型,见图 3 ( e ); π 型,见图 3 ( f )。
四、稳压电路
交流电网电压的波动和负载电流的变化都会使整流电源的输出电压和电流随之变动,因此要求较高的电子电路必须使用稳压电源。
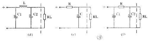
(1 )稳压管并联稳压电路

用一个稳压管和负载并联的电路是最简单的稳压电路,见图 4 ( a )。图中 R 是限流电阻。这个电路的输出电流很小,它的输出电压等于稳压管的稳定电压值 V Z 。


(2 )串联型稳压电路
有放大和负反馈作用的串联型稳压电路是最常用的稳压电路。它的电路和框图见图 4 ( b )、( c )。它是从取样电路( R3 、 R4 )中检测出输出电压的变动,与基准电压( V Z )比较并经放大器( VT2 )放大后加到调整管( VT1 )上,使调整管两端的电压随着变化。如果输出电压下降,就使调整管管压降也降低,于是输出电压被提升;如果输出电压上升,就使调整管管压降也上升,于是输出电压被压低,结果就使输出电压基本不变。在这个电路的基础上发展成很多变型电路或增加一些辅助电路,如用复合管作调整管,输出电压可调的电路,用运算放大器作比较放大的电路,以及增加辅助电源和过流保护电路等。
( 3 )开关型稳压电路
近年来广泛应用的新型稳压电源是开关型稳压电源。它的调整管工作在开关状态,本身功耗很小,所以有效率高、体积小等优点,但电路比较复杂。
开关稳压电源从原理上分有很多种。它的基本原理框图见图 4 ( d )。图中电感 L 和电容 C 是储能和滤波元件,二极管 VD 是调整管在关断状态时为 L 、 C 滤波器提供电流通路的续流二极管。开关稳压电源的开关频率都很高,一般为几~几十千赫,所以电感器的体积不很大,输出电压中的高次谐波也不多。
它的基本工作原理是 : 从取样电路( R3 、 R4 )中检测出取样电压经比较放大后去控制一个矩形波发生器。矩形波发生器的输出脉冲是控制调整管( VT )的导通和截止时间的。如果输出电压 U 0 因为电网电压或负载电流的变动而降低,就会使矩形波发生器的输出脉冲变宽,于是调整管导通时间增大,使 L 、 C 储能电路得到更多的能量,结果是使输出电压 U 0 被提升,达到了稳定输出电压的目的。
( 4 )集成化稳压电路
近年来已有大量集成稳压器产品问世,品种很多,结构也各不相同。目前用得较多的有三端集成稳压器,有输出正电压的 CW7800 系列和输出负电压的 CW7900 系列等产品。输出电流从 0.1A ~ 3A ,输出电压有 5V 、 6V 、 9V 、 12V 、 15V 、 18V 、 24V 等多种。
这种集成稳压器只有三个端子,稳压电路的所有部分包括大功率调整管以及保护电路等都已集成在芯片内。使用时只要加上散热片后接到整流滤波电路后面就行了。外围元件少,稳压精度高,工作可靠,一般不需调试。
图 4 ( e )是一个三端稳压器电路。图中 C 是主滤波电容, C1 、 C2 是消除寄生振荡的电容 ,VD 是为防止输入短路烧坏集成块而使用的保护二极管。
五、电源电路读图要点和举例
电源电路是电子电路中比较简单然而却是应用最广的电路。拿到一张电源电路图时,应该: ① 先按“整流 — 滤波 — 稳压”的次序把整个电源电路分解开来,逐级细细分析。 ② 逐级分析时要分清主电路和辅助电路、主要元件和次要元件,弄清它们的作用和参数要求等。例如开关稳压电源中,电感电容和续流二极管就是它的关键元件。 ③ 因为晶体管有 NPN 和 PNP 型两类,某些集成电路要求双电源供电,所以一个电源电路往往包括有不同极性不同电压值和好几组输出。读图时必须分清各组输出电压的数值和极性。在组装和维修时也要仔细分清晶体管和电解电容的极性,防止出错。 ④ 熟悉某些习惯画法和简化画法。 ⑤ 最后把整个电源电路从前到后全面综合贯通起来。这张电源电路图也就读懂了。
例 1 电热毯控温电路
图 5 是一个电热毯电路。开关在“ 1 ”的位置是低温档。 220 伏市电经二极管后接到电热毯,因为是半波整流,电热毯两端所加的是约 100 伏的脉动直流电,发热不高,所以是保温或低温状态。开关扳到“ 2 ”的位置, 220 伏市电直接接到电热毯上,所以是高温档。

例 2 高压电子灭蚊蝇器
图 6 是利用倍压整流原理得到小电流直流高压电的灭蚊蝇器。 220 伏交流经过四倍压整流后输出电压可达 1100 伏,把这个直流高压加到平行的金属丝网上。网下放诱饵,当苍蝇停在网上时造成短路,电容器上的高压通过苍蝇身体放电把蝇击毙。苍蝇尸体落下后,电容器又被充电,电网又恢复高压。这个高压电网电流很小,因此对人无害。

由于昆虫夜间有趋光性,因此如在这电网后面放一个 3 瓦荧光灯或小型黑光灯,就可以诱杀蚊虫和有害昆虫。
例 3 实用稳压电源
图 7 是一个实用的稳压电源。输出电压 3 ~ 9 伏可调,输出电流最大 100 毫安。这个电路就是串联型稳压电源电路。要注意的是 :① 整流桥的画法和图 2 ( c )不同,实际上它就是桥式整流电路。 ② 这个电路使用 PNP 型锗管,所以输出是负电压,正极接地。 ③ 用两个普通二极管代替稳压管。任何二极管的正向压降都是基本不变的,因此可用二极管代替稳压管。 2AP 型二极管的正向压降约是 0.3 伏, 2CP 型约是 0.7 伏, 2CZ 型约是 1 伏。图中用了两个 2CZ 二极管作基准电压。 ④ 取样电阻是一个电位器,所以输出电压是可调的。

按单元电路的功能可以把它们分成若干类,每一类又有好多种,全部单元电路大概总有几百种。下面我们选最常用的基本单元电路来介绍。让我们从电源电路开始。
一、电源电路的功能和组成
每个电子设备都有一个供给能量的电源电路。电源电路有整流电源、逆变电源和变频器三种。常见的家用电器中多数要用到直流电源。直流电源的最简单的供电方法是用电池。但电池有成本高、体积大、需要不时更换(蓄电池则要经常充电)的缺点,因此最经济可靠而又方便的是使用整流电源。
电子电路中的电源一般是低压直流电,所以要想从 220 伏市电变换成直流电,应该先把 220 伏交流变成低压交流电,再用整流电路变成脉动的直流电,最后用滤波电路滤除脉动直流电中的交流成分后才能得到直流电。有的电子设备对电源的质量要求很高,所以有时还需要再增加一个稳压电路。因此整流电源的组成一般有四大部分,见图 1 。其中变压电路其实就是一个铁芯变压器,需要介绍的只是后面三种单元电路。

二、整流电路
整流电路是利用半导体二极管的单向导电性能把交流电变成单向脉动直流电的电路。
( 1 )半波整流
半波整流电路只需一个二极管,见图 2 ( a )。在交流电正半周时 VD 导通,负半周时 VD 截止,负载 R 上得到的是脉动的直流电
( 2 )全波整流
全波整流要用两个二极管,而且要求变压器有带中心抽头的两个圈数相同的次级线圈,见图 2 ( b )。负载 R L 上得到的是脉动的全波整流电流,输出电压比半波整流电路高。
( 3 )全波桥式整流
用 4 个二极管组成的桥式整流电路可以使用只有单个次级线圈的变压器,见图 2 ( c )。负载上的电流波形和输出电压值与全波整流电路相同。
( 4 )倍压整流
用多个二极管和电容器可以获得较高的直流电压。图 2 ( d )是一个二倍压整流电路。当 U2 为负半周时 VD1 导通, C1 被充电, C1 上最高电压可接近 1.4U2 ;当 U2 正半周时 VD2 导通, C1 上的电压和 U2 叠加在一起对 C2 充电,使 C2 上电压接近 2.8U2 ,是 C1 上电压的 2 倍,所以叫倍压整流电路。
三、滤波电路
整流后得到的是脉动直流电,如果加上滤波电路滤除脉动直流电中的交流成分,就可得到平滑的直流电。
( 1 )电容滤波
把电容器和负载并联,如图 3 ( a ),正半周时电容被充电,负半周时电容放电,就可使负载上得到平滑的直流电。


( 2 )电感滤波
把电感和负载串联起来,如图 3 ( b ),也能滤除脉动电流中的交流成分。
( 3 ) L 、 C 滤波
用 1 个电感和 1 个电容组成的滤波电路因为象一个倒写的字母“ L ”,被称为 L 型,见图 3 ( c )。用 1 个电感和 2 个电容的滤波电路因为象字母“ π ”,被称为 π 型,见图 3 ( d ),这是滤波效果较好的电路。
( 4 ) RC 滤波
电感器的成本高、体积大,所以在电流不太大的电子电路中常用电阻器取代电感器而组成 RC 滤波电路。同样,它也有 L 型,见图 3 ( e ); π 型,见图 3 ( f )。
四、稳压电路
交流电网电压的波动和负载电流的变化都会使整流电源的输出电压和电流随之变动,因此要求较高的电子电路必须使用稳压电源。
(1 )稳压管并联稳压电路

射频工程师养成培训教程套装,助您快速成为一名优秀射频工程师...
天线设计工程师培训课程套装,资深专家授课,让天线设计不再难...
上一篇:CW4960/CW4962开关稳压集成电路
下一篇:单激式充电器
射频和天线工程师培训课程详情>>

