- 易迪拓培训,专注于微波、射频、天线设计工程师的培养
太阳能草坪灯
录入:edatop.com 点击:

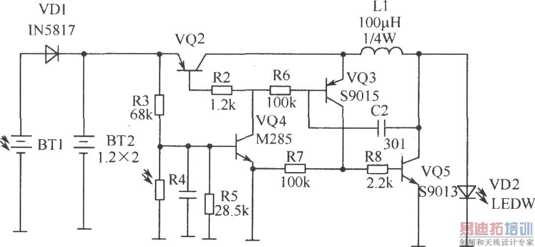
如图所示为太阳能草坪灯电路。白天有太阳光时,由BT1把光能转换为电能,由VD1对BT2充电,由于有光照,光敏电阻呈低阻,VQ4 b极为低电平而截止。当晚上无光照时光敏电阻呈高阻,VQ4导通,VQ2 b极为低电平也导通,由VQ3、VQ5、C2、R6、L1组成的DC升压电路工作,LED得电发光。DC升压电路其核心就是一个互补管振荡电路,其工作过程为:VQ2导通时电源通过L1、R6、VQ4向C2充电,由于C2两端电压不能突变,VQ3 b极为高电平,VQ3不导通,随着C2的充电其压降越来越高,VQ3 b极电位越来越低,当低至VQ3导通电压时VQ3导通,VQ5相继导通,C2通过VQ5 ce结、电源、VQ3 eb结(由于VQ2导通,我们假设其ec结短路,VQ3 e极直接电源正极)放电。当放完电后VQ3截止,VQ5截止,电源再次向C2充电,之后VQ3导通,VQ5导通,C2放电,如此反复,电路形成振荡,在振荡过程中,VQ5导通时电源经L1和VQ5 ce结到地,电流经L1储能,VQ5截止时L1产生感应电动势,和电源叠加后驱动LED,LED发光。本可以提高电池电压直接驱动LED,以提高效率,但电池电压提高,相应的太阳能电池价格也大幅提高,只要电路元件设置合适,其效率还是可以接受的。当白天充电不够时(如遇上阴雨天等),BT2可能发生过放电,这样会损坏电池,为此特加R5构成过放保护:当电池电压降至2V时,由于R5的分压使VQ4基极电位不足以使VQ4导通,从而保护电池。增加R5会影响VQ4的导通深度。我们可以选用高口值的晶体管来降低这种影响,这是一个折衷的办法。
元器件选择:BT1选用3.8V/80mA太阳能电池板,单晶硅为好,多晶硅次之;BT2选用两节1.2V/600mA Ni-Cd电池,如需要增大发光度或延长时间,可相应提高太阳能板及电池功率。VQ2、VQ3、VQ5的β在200左右,VQ4需β值大的晶体管。VD1尽量选管压低的,如锗管或肖特基二极管。LED可选用白、蓝、绿色超高亮度散光或聚光。当选用红黄橙等低压降LED时,电路需重新设定。R3、R5建议选用1%精度电阻;R4用亮阻10kΩ~20kΩ,暗阻1MΩ以上的光敏电阻。其他电阻可选用普通碳膜(1/4)W、(1/8)W电阻。L1用(1/4)W色电感,直流阻抗要小。其他元器件如图所示。
射频工程师养成培训教程套装,助您快速成为一名优秀射频工程师...
天线设计工程师培训课程套装,资深专家授课,让天线设计不再难...
上一篇:太阳能自动跟踪控制电路
下一篇:太阳能电池组成的自动控制节能灯电路
射频和天线工程师培训课程详情>>

