- 易迪拓培训,专注于微波、射频、天线设计工程师的培养
DS2438用于测量动力电池组电路
录入:edatop.com 点击:
美国Dallas公司生产的动力电池组检测芯片DS2438,具有丰富的功能,可以方便地实现对电动车动力电池组运行状态的监测.
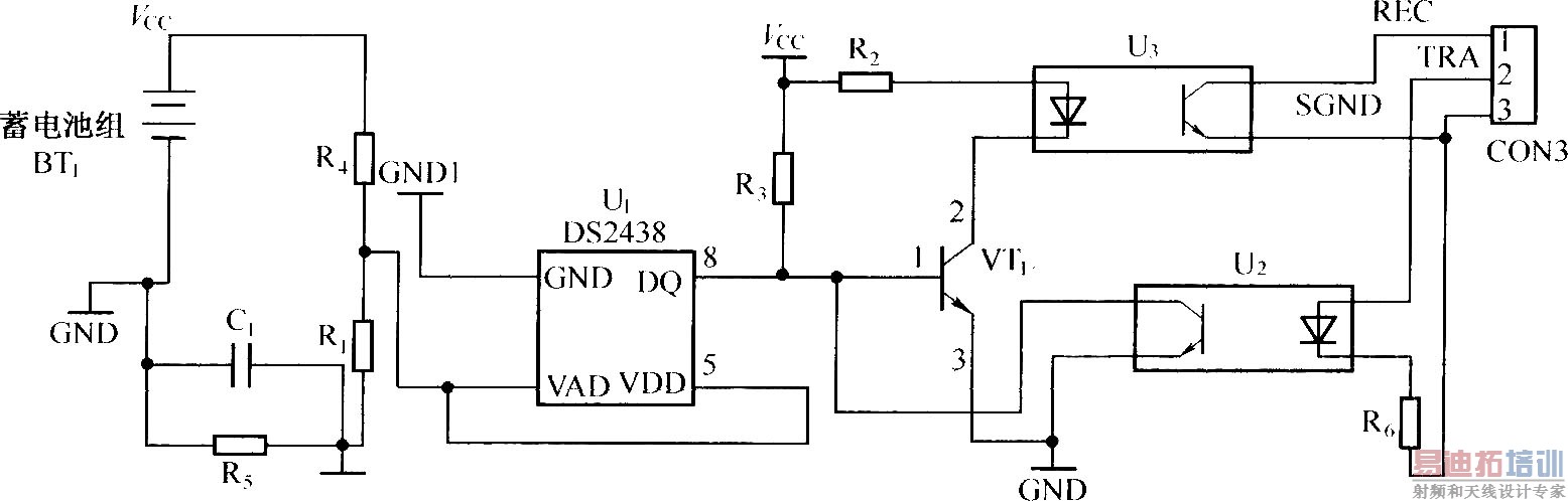
DS2438可以应用于各种动力电池组的监测。电动车所用动力电源是由多节动力电池串、并联构成的动力电池组。每一节动力电池性能的好坏直接影响整个动力电池组的特性,因而在实际应用中,应对每节动力电池进行在线实时检测。那么每节动力电池都应配置一片 DS2438,且它们的数据端可挂接到一条总线上。DS2438的供电电源可以来源于被测动力电池组本身。DS2438的信号端DQ的电位是针对本片DS2438的地而言的,由于各片DS2438的参考地电位的不一致,势必造成对同一参考点各DS2438的信号端DQ的电位不同,因而无法挂接到同一条总线上。所以,在测量动力电池组时是以DS2438为核心构成一个监测模块,通过增加隔离措施,将数据线由单线制改为收、发两线制,并使所有模块的数据线分别挂接在REC、TRA两根线上,如图所示。

DS2438可以应用于各种动力电池组的监测。电动车所用动力电源是由多节动力电池串、并联构成的动力电池组。每一节动力电池性能的好坏直接影响整个动力电池组的特性,因而在实际应用中,应对每节动力电池进行在线实时检测。那么每节动力电池都应配置一片 DS2438,且它们的数据端可挂接到一条总线上。DS2438的供电电源可以来源于被测动力电池组本身。DS2438的信号端DQ的电位是针对本片DS2438的地而言的,由于各片DS2438的参考地电位的不一致,势必造成对同一参考点各DS2438的信号端DQ的电位不同,因而无法挂接到同一条总线上。所以,在测量动力电池组时是以DS2438为核心构成一个监测模块,通过增加隔离措施,将数据线由单线制改为收、发两线制,并使所有模块的数据线分别挂接在REC、TRA两根线上,如图所示。

射频工程师养成培训教程套装,助您快速成为一名优秀射频工程师...
天线设计工程师培训课程套装,资深专家授课,让天线设计不再难...
上一篇:PFC无损吸收主电路
下一篇:光电线性检测电路
射频和天线工程师培训课程详情>>

