- 易迪拓培训,专注于微波、射频、天线设计工程师的培养
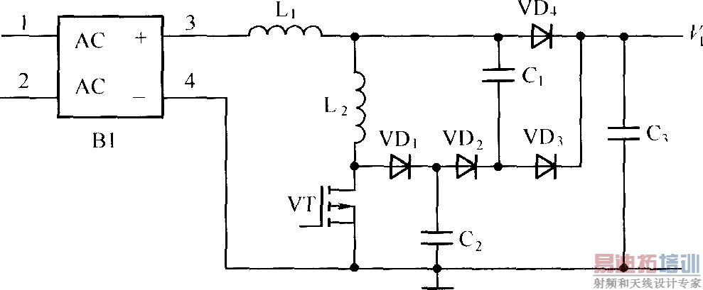
PFC无损吸收主电路
录入:edatop.com 点击:
正常充电模式的充电过程一般在家庭和公共场所进行,正常充电模式的充电功率等级通常为6.6kW,典型的充电时间为5~8小时。正常充电模式和应急充电模式中的充电功率变换器相类似,正常充电模式也可采用单级AC/DC变换器。但由于带PFC功能的单级变换器,开关管的峰值电流很大。在两级变换器中,PFC级可采用传统的Boost升压型电路,开关管采用软开关或硬开关均可。但为了提高效率,应选择软开关Boost变换器。
传统的AC/DC全波整流电路采用的是整流 电容滤波电路。这种电路是一种非线性器件和储能元件的组合,输入交流电压的波形是正弦的,但输入电流的波形发生了严重的畸变,呈脉冲状。由此产生的谐波电流对电网有危害作用,使电源输入功率因数下降。在本设计中整流电路部分采用有源功率因数校正电路(APFC),避免了上述缺点,其电路如图所示。

传统的AC/DC全波整流电路采用的是整流 电容滤波电路。这种电路是一种非线性器件和储能元件的组合,输入交流电压的波形是正弦的,但输入电流的波形发生了严重的畸变,呈脉冲状。由此产生的谐波电流对电网有危害作用,使电源输入功率因数下降。在本设计中整流电路部分采用有源功率因数校正电路(APFC),避免了上述缺点,其电路如图所示。

射频工程师养成培训教程套装,助您快速成为一名优秀射频工程师...
天线设计工程师培训课程套装,资深专家授课,让天线设计不再难...
上一篇:单级PFC电路
下一篇:DS2438用于测量动力电池组电路
射频和天线工程师培训课程详情>>

