- 易迪拓培训,专注于微波、射频、天线设计工程师的培养
高压变频电源
录入:edatop.com 点击:
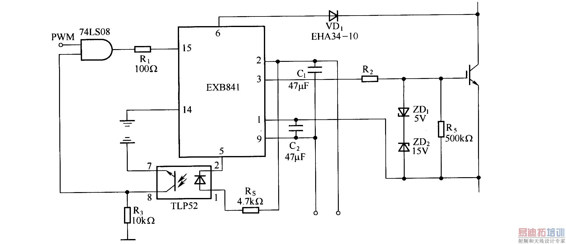
高压变频电源的主电路采用交-直-交电压型电路,由大功率全控型电力电子器件IGBT构成桥式逆变电路.控制电路采用脉宽调制(PWM)技术和单片机(80196KB)控制技术.
1.IGBT驱动电路

2.控制电路框图:

1.IGBT驱动电路

2.控制电路框图:

射频工程师养成培训教程套装,助您快速成为一名优秀射频工程师...
天线设计工程师培训课程套装,资深专家授课,让天线设计不再难...
上一篇:富士IGBT智能模块的应用电路设计
下一篇:IGBT和续流二极管的功率模块单元
射频和天线工程师培训课程详情>>

