- 易迪拓培训,专注于微波、射频、天线设计工程师的培养
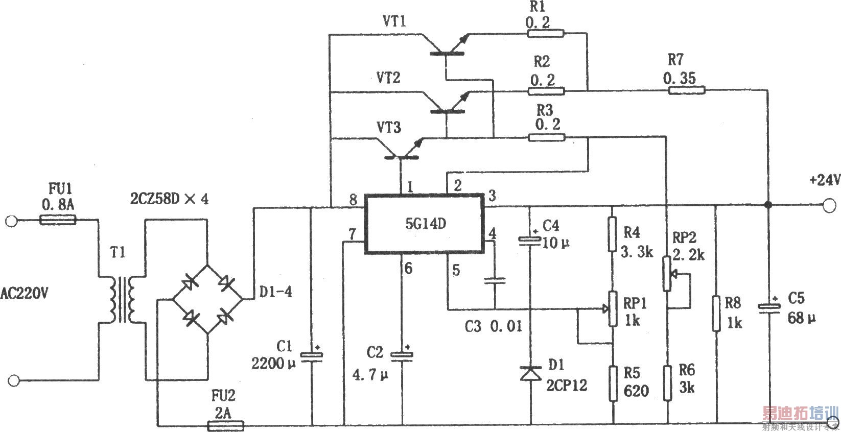
5G14D构成的 24V、1.9A稳压电源
录入:edatop.com 点击:

如图所示为一种 24V、1.9A电源电路。它以国产的集成稳压器5G14D为核心,外接三只功率晶体管,使电源的输出电流由5G14D本身的额定电流24mA,提高到1.9A。RP1用来微调输出电压,RP2用来调整过载电流保护点。本电源的主要技术特点:(1)输入电压:220V±22V,50Hz。(2)输出电压:24V,误差≤±2%。(3)最大输出电流:1.9A。(4)纹波电压:≤24mV。(5)过载保护点:2.8A。
射频工程师养成培训教程套装,助您快速成为一名优秀射频工程师...
天线设计工程师培训课程套装,资深专家授课,让天线设计不再难...
上一篇:LM7805构成的
5V稳压电源
下一篇:可自动关断的5V电源(7805)
射频和天线工程师培训课程详情>>

