- 易迪拓培训,专注于微波、射频、天线设计工程师的培养
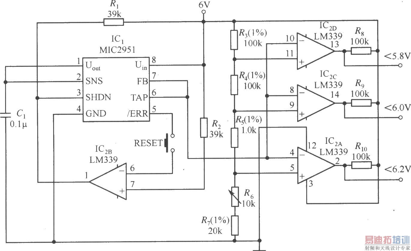
MIC2951构成的具有电性能状态指示器的稳压器电路
录入:edatop.com 点击:

如图所示的电路是采用MIC2951构成的具有电性能状态指示器的稳压器电路。在实际调试中应注意:
①IC2A、IC2C和IC2D为比较器,一般选LM339即可。
②调节R3使IC2D的输入电压为6.0V,报警信号产生时,可及时断开工作。
③当输人电压降到设计参数值以下(输入电压范围的下面)时,输出将会被拉低。
射频工程师养成培训教程套装,助您快速成为一名优秀射频工程师...
射频和天线工程师培训课程详情>>

