- 易迪拓培训,专注于微波、射频、天线设计工程师的培养
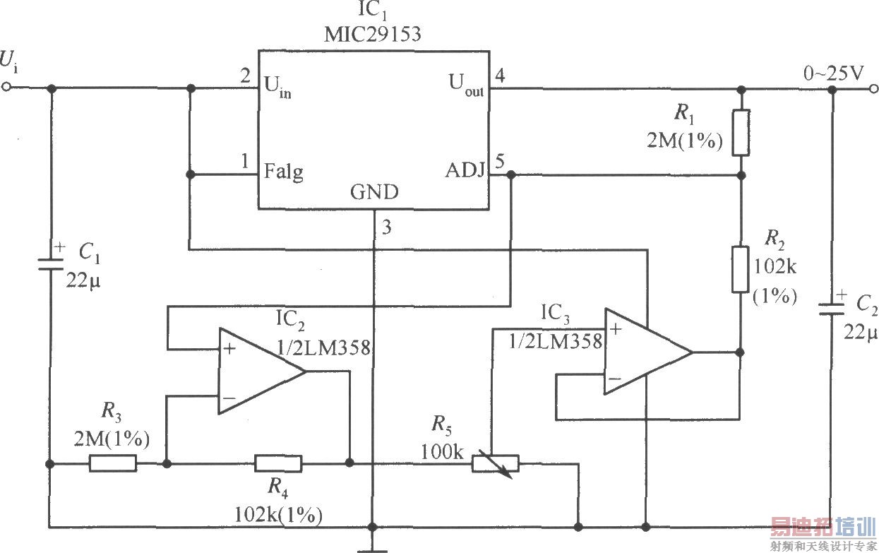
MIC29153构成的输出电压0~25V连续可调的稳压器电路
录入:edatop.com 点击:

如图所示的电路是采用MIC29153和一只双运放构成的输出电压0~25V连续可调的稳压器电路。电路中电阻的选择标准:R3=R1,R4=R2。输出电压满足Uo=Uref(1 R1/R2)。该电路是通过控制外部分压器的地端基准电位来实现稳压器输出为零的。它利用MIC29153内部的基准电压源,既能保证输出精度,又能使电路简单。同相放大器IC2把UADJ接收到以后进行放大,通过改变R5,接成射极跟随器的运算放大器IC3的输出电压就会0V到IC2的输出电压之间连续变化,这样外部分压器的地端基准电压会跟随着连续变化。当R5的调节端被调至地时,稳压器就变为标准输出可调式的稳压器,这种稳压器可有最大输出电压状态。相反地,当R5的调节端调至电位器的另一端,也就是靠近IC2的输出端时,外加分压器的地端电位就会发生变化,当UADJ=Uref时,Uo=0V,因而实现了输出0~25V连续可调的目的。
射频工程师养成培训教程套装,助您快速成为一名优秀射频工程师...
天线设计工程师培训课程套装,资深专家授课,让天线设计不再难...
上一篇:MIC2951构成的具有电性能状态指示器的稳压器电路
下一篇:由HV-2405组成的交流市电供电的低压直流稳压电源
射频和天线工程师培训课程详情>>

