- 易迪拓培训,专注于微波、射频、天线设计工程师的培养
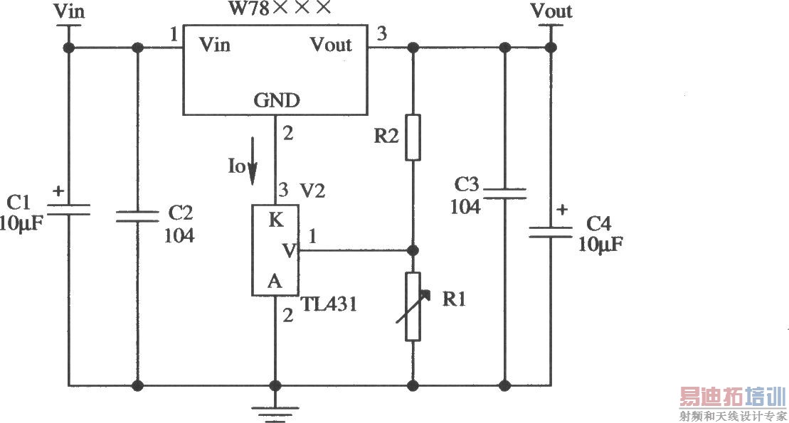
由W78×××构成的提高输出电压稳定度的应用电路
录入:edatop.com 点击:

将W78×××三端固定输出正集成稳压器配上TL431,便可构成提高输出电压稳定度和改变输出电压的稳压器电路,如图所示。TL431接在W78×××三端稳压器的公共端(GND)与地之间,通过调节Rl来改变输出电压。输出电压的大小可由下式来计算:

。
射频工程师养成培训教程套装,助您快速成为一名优秀射频工程师...
射频和天线工程师培训课程详情>>

