- 易迪拓培训,专注于微波、射频、天线设计工程师的培养
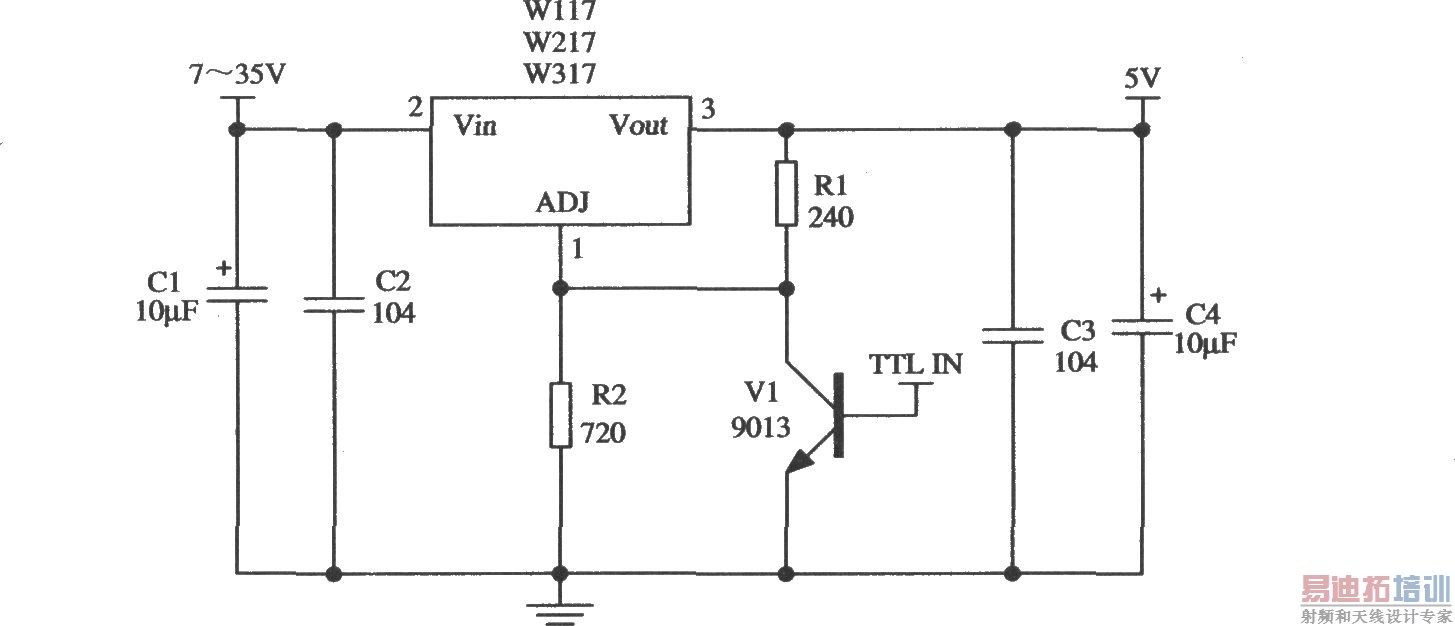
由W117/W217/W317构成的控制稳压器应用电路
录入:edatop.com 点击:

如图所示的电路是由W117/W217/W317和外加一只NPN型9013三极管来控制的稳压器电路。当控制信号为TTL低电平时,V1关闭不导通,输出为正常的稳压器工作方式;当控制信号为TTL高电平时,Vl启动导通,将R2短路,这时稳压器的输出负载主要为R1。R1的值选择得正好使稳压器处于过流保护关闭状态,因此输出为零。电路在调试时应该使R1满足下式:

。式中,Ioutlim为所选不同规格的W317的过流门限值。
射频工程师养成培训教程套装,助您快速成为一名优秀射频工程师...
天线设计工程师培训课程套装,资深专家授课,让天线设计不再难...
上一篇:由W117/W217/W317构成的输出电压0~30V连续可调的应用电路
下一篇:由W117/W217/W317构成的具有慢启动功能的应用电路
射频和天线工程师培训课程详情>>

