- 易迪拓培训,专注于微波、射频、天线设计工程师的培养
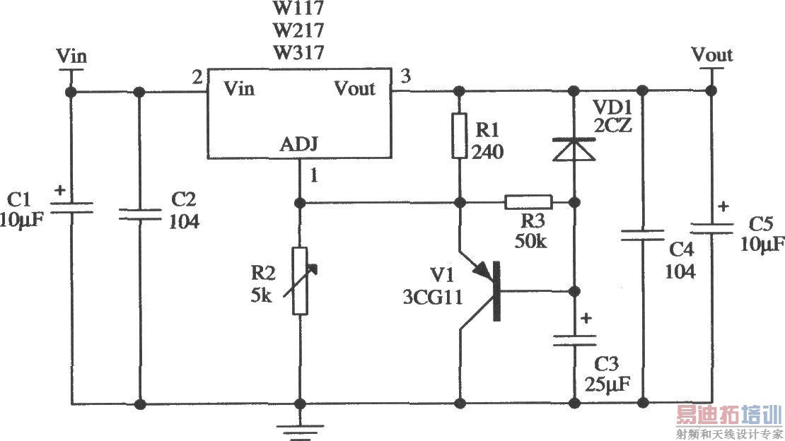
由W117/W217/W317构成的具有慢启动功能的应用电路
录入:edatop.com 点击:

如图所示的是用W317三端可调式正集成稳压器组成的电视机慢启动应用电路。图示电路中的R2上并联了一只PNP型晶体三极管、一只电容和电阻R3。电路在接通电源时,由于C1上的电压不能突变,晶体管饱和导通,将R2短路,这时集成稳压器的输出电压约为1.25 V 0.25 V=1.5 V。随着C1逐渐充电,晶体三极管逐渐退出饱和区,Uce电压增大,R2上的电压也随之增大,稳压器输出电压逐渐升高。当C1充电完毕,晶体三极管截止,稳压器输出电压达到规定值。输出电压升至规定值的速度由R3及C1的时间常数确定。图中二极管VD1用于当输出端短路时泄放C1 上的电荷。
射频工程师养成培训教程套装,助您快速成为一名优秀射频工程师...
天线设计工程师培训课程套装,资深专家授课,让天线设计不再难...
上一篇:由W117/W217/W317构成的控制稳压器应用电路
下一篇:由W117/W217/W317构成的提高输出电压的应用电路
射频和天线工程师培训课程详情>>

