- 易迪拓培训,专注于微波、射频、天线设计工程师的培养
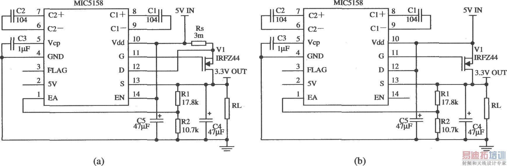
由MIC5158构成的外围电路简单的5V输入、3.3V/10A输出的线性稳压器
录入:edatop.com 点击:

由MIC5158构成的外围电路简单的5 V输入、3.3 V/10 A输出的线性稳压器电路如图所示。该电路若输入电压Vin=5 V时,外加的N沟道MOSFET管就选用IR244;若输入电压Vin>5 V时,外加的N沟道MOSFET管就选用IR644。MIC5158的13脚S端到地之间外加一只47μF的滤波电容,可以改善由于负载的变化而引起的波动。(a)带过流保护}(b)不带过流保护。
射频工程师养成培训教程套装,助您快速成为一名优秀射频工程师...
射频和天线工程师培训课程详情>>

