- 易迪拓培训,专注于微波、射频、天线设计工程师的培养
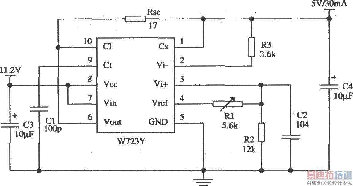
由W723构成的输出电压比基准电压低的应用电路
录入:edatop.com 点击:

如图所示的是采用W723可调式正集成稳压器组成的输出电压比基准电压低的应用电路,输出电压可在2~7 V之间连续调节。它的特点是通过改变电阻Rl和R2的分压比来改变输入到同相端的基准电压,从而达到改变输出电压的目的。取样电阻的阻值范围应为10 kΩ<R1 R2<100 kΩ。R3的作用是取得稳压器内部差分放大器的两个输入端的平衡,减小温漂,其阻值应为R3=R1//R2。Cl是频率补偿电容,其容量一般在100 pF~0.047μF之间。C2的作用是减小基准电压的噪声,其容量应在0.1μF以下。Rsc是限流电阻,它可由下式来决定:

。式中:Vbe是W723稳压器内部保护管的be结开始导通时的阈值电压;ILmax为W723稳压器的最大输出电流,其值比正常工作电流大20%~40%。
射频工程师养成培训教程套装,助您快速成为一名优秀射频工程师...
天线设计工程师培训课程套装,资深专家授课,让天线设计不再难...
上一篇:由MIC5158构成的外围电路简单的5V输入、3.3V/10A输出的线性稳压器
下一篇:W78xxx构成的扩大输出电流的应用电路
射频和天线工程师培训课程详情>>

