- 易迪拓培训,专注于微波、射频、天线设计工程师的培养
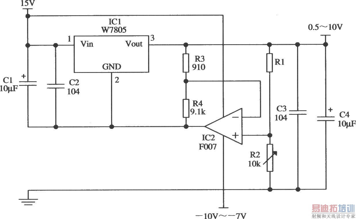
由W7805够车工内的输出电压0.5~10V连续可调的应用电路
录入:edatop.com 点击:

如图所示的电路是采用W7805 正集成稳压器和F007运算放大器组成的输出电压0.5~10 V连续可调的直流稳压器应用电路。图示电路中为了使稳压器输出电压下调,需要将运算放大器负电源端接到-10~-7.0 V的电位上。另外,运算放大器输出电压不能全反馈,而要经过电阻R3和R4分压,然后再接到运放的反相输入端。这样,W7805的输出电压变为:

,如果选取R1 R2=R3 R4(图中为10kΩ),则有:

。如果电位器处于中心位置,则R1=5kΩ,这时输出电压为:

。
射频工程师养成培训教程套装,助您快速成为一名优秀射频工程师...
天线设计工程师培训课程套装,资深专家授课,让天线设计不再难...
上一篇:W78xxx构成的扩大输出电流的应用电路
下一篇:振铃式开关电源实用电路
射频和天线工程师培训课程详情>>

