- 易迪拓培训,专注于微波、射频、天线设计工程师的培养
W78xxx构成的扩大输出电流的应用电路
录入:edatop.com 点击:

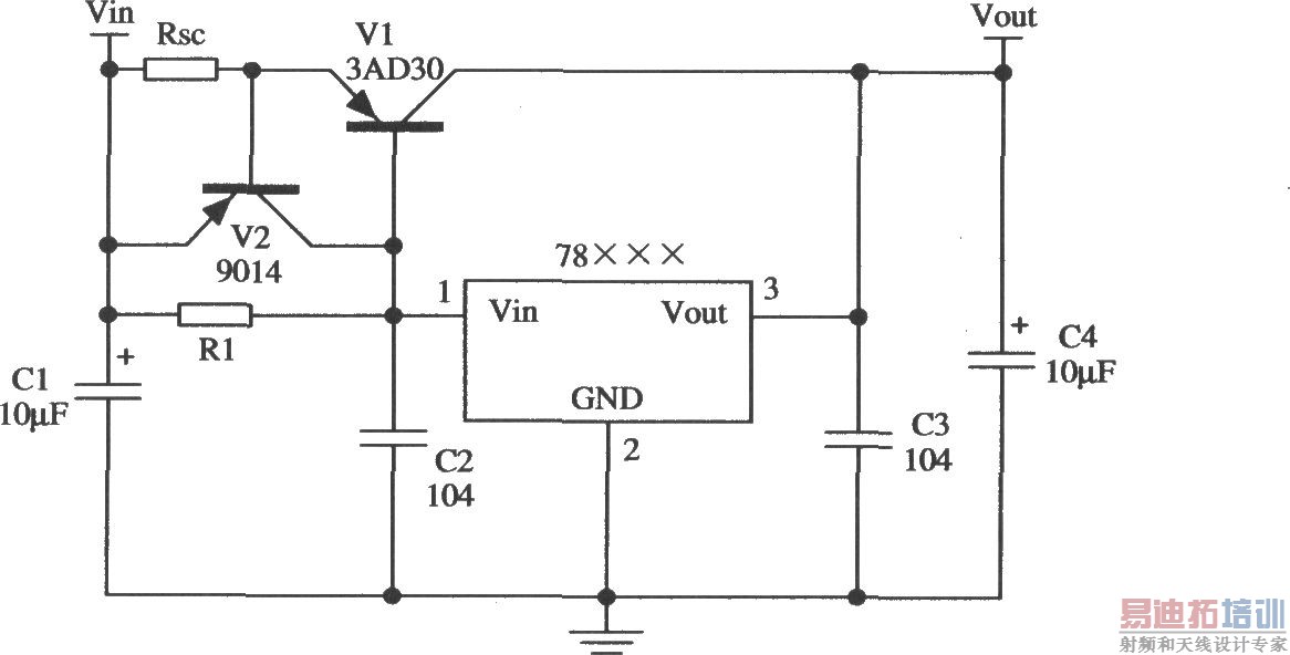
W78xxx系列三端正集成稳压器的输出电流都有一定限制(100 mA、500 mA、1.5 A),如果需要扩大输出电流,可以通过外接大功率三极管的方法来实现,如图所示。

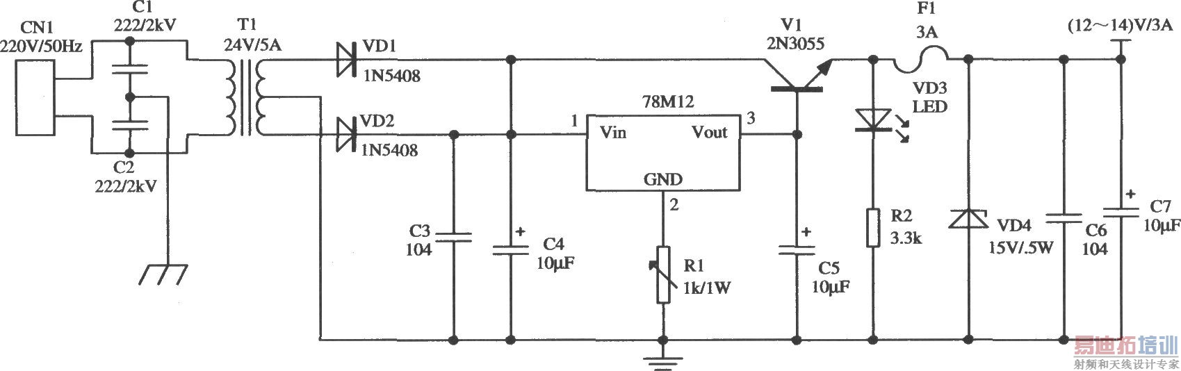
由W78M12构成的输出(12~14 V)/3 A的稳压电路,其中给W78M12外加了一只2N3055功率三极管,就可以把输出电流扩大至3 A,如图所示。

如图所示是用W7800正集成稳压器组成扩展输出电流的应用电路。W7800的最大输出电流为1.5 A,如需要输出电流超过1.5 A,则可通过外接功率管来加以扩展。如果需要对外接功率管施加保护,则可参照图(b)所示电路。当功率管过流时,限流电阻Rsc上的压降启动V2管,V2管集电极电流使V3管饱和,从而降低功率管Vl的Vbe,使功率管输出限流或截止。
射频工程师养成培训教程套装,助您快速成为一名优秀射频工程师...
天线设计工程师培训课程套装,资深专家授课,让天线设计不再难...
上一篇:由W723构成的输出电压比基准电压低的应用电路
下一篇:由W7805够车工内的输出电压0.5~10V连续可调的应用电路
射频和天线工程师培训课程详情>>

