- 易迪拓培训,专注于微波、射频、天线设计工程师的培养
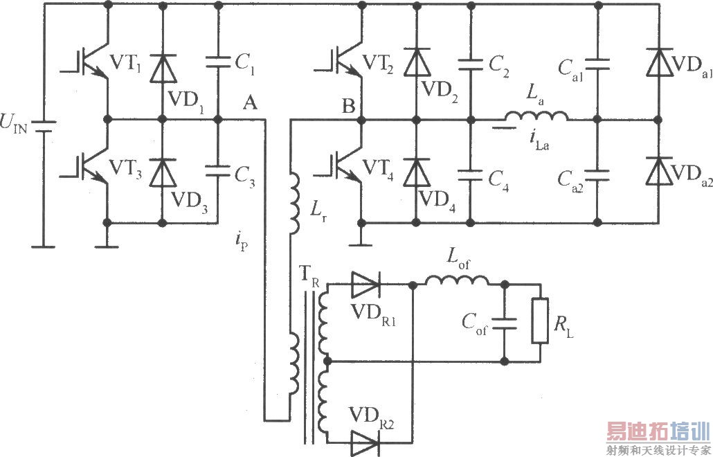
移相控制零电压PWM DC/DC全桥变换器主电路原理
录入:edatop.com 点击:

在中大功率软开关电源电路中,一般采用全桥变换器,它的控制方式比较多,但用得比较多的控制方式为移相控制。在这种控制方式下,全桥变换可以实现零电压开关、零电流开关、零电压零电流开关三种软开关方式。在此只分析移相控制零电压开关脉冲调宽DC/DC全桥变换器,它是利用变压器的漏感和功率开关管的寄生电容来实现开关管的零电压开关,其电路结构如图所示。其中VD1~VD4分别是VT1~VT4的内部寄生二极管,C1~C4分别是VT1~VT4的寄生电容或外接电容。Lr是谐振电感,它包括了变压器的漏感。每个桥臂的两个功率管成180o互补导通,两个桥臂的导通角相差一个相位,即移相角,通过调节移相角的大小来调节输出电压。VT1和VT3分别超前于VT1和VT4一个相位,称VT1和VT3组成的桥臂为超前桥臂,VT2和VT4组成的桥臂为滞后桥臂。电感La、电容Ca1、Ca2及二极管VDa1、VDa2为滞后臂并联辅助谐振网络,它对轻载时实现零电压开关、减少开关损耗有重要价值。
射频工程师养成培训教程套装,助您快速成为一名优秀射频工程师...
射频和天线工程师培训课程详情>>

