- 易迪拓培训,专注于微波、射频、天线设计工程师的培养
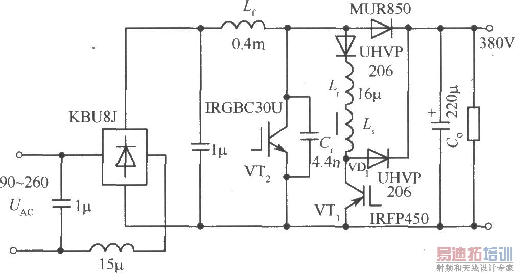
100kHz 600W功率因数校正电路
录入:edatop.com 点击:

如图为100kHz 600W功率因数校正电路(PFC),采用ZVT-PWM boost拓扑。为了减少成本,主开关管采用IR公司、TO-220外形、IGBT管;IRGB30U外接4.4nF的电容,起软化开关作用,减少关断损耗。辅助开关虽然具有低的均方根电流,但承受高的关断电流,因此选用MOSFET管,IRFP450(500V、16A、150W)。
电路输出稳压在380V,输入电压为交流90~260V。该功率校正电路的效率与输入电压的工作范围有关。该ZVT PFC电路工作在100kHz、交流输入电压为180~260V范围时,总效率达97%~98%。
射频工程师养成培训教程套装,助您快速成为一名优秀射频工程师...
天线设计工程师培训课程套装,资深专家授课,让天线设计不再难...
上一篇:300kHz
600W
ZVT-PWM
boost变换器电路
下一篇:移相控制零电压PWM
DC/DC全桥变换器主电路原理
射频和天线工程师培训课程详情>>

