- 易迪拓培训,专注于微波、射频、天线设计工程师的培养
半桥变换器式开关稳压电源
录入:edatop.com 点击:

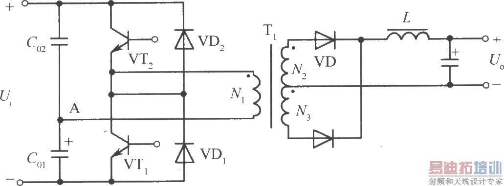
在高压开关电源中,功率输出大的一般都使用半桥式变换器电源电路。其电路如图所示。它由两只电容和两只高压晶体管组成。当两只晶体管都截止时,若两只电容的容量相等且电路对称,则电容中点A的电压为输入电压的一半。当VTl导通时,电容C02将通过VTl、变压器初级绕组N1放电;同时,电容C02则通过输入电源、VTl和Tl的原边绕组Nl充电。中点A的电位在充、放电过程中将按指数规律下降。在VTl导通结束时,A点的电位为1/2Ui-ΔUi,且两只晶体管全都截止。两只电容和两只高压晶体管的集射极间的电压基本上相等,都接近于输入电源电压的一半。相反,VT2导通时,C02放电、C01充电,A点的电位将增至1/2Ui △Ui,即A点电位在开关过程中将在1/2Ui的电位上以±ΔUi的幅值进行指数变化。由此可见,在半桥式电路中,变压器初级线圈在整个周期中都流过电流,磁心利用得更充分。
半桥式变换器电路的主要优点是其电路中所使用的功率开关晶体管的耐压较低,绝不会超过输人电压的峰值;晶体管的饱和电压也降至最低;输入滤波电容的耐压也可以减小。但是因为高频变压器上施加的电压幅值只有输入电压的一半,与推挽式电路相比,欲输出相同的功率,则开关晶体管必须流过2倍的电流。
射频工程师养成培训教程套装,助您快速成为一名优秀射频工程师...
天线设计工程师培训课程套装,资深专家授课,让天线设计不再难...
上一篇:半桥式开关稳压电源实用电路
下一篇:全桥变换式开关稳压电源
射频和天线工程师培训课程详情>>

