- 易迪拓培训,专注于微波、射频、天线设计工程师的培养
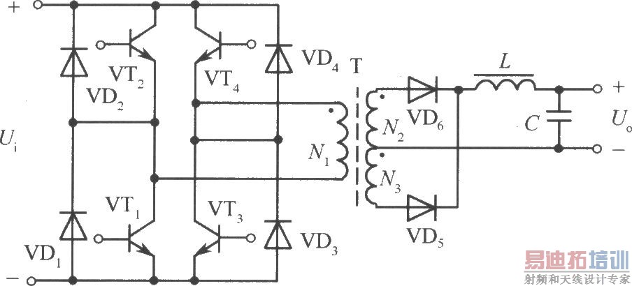
全桥变换式开关稳压电源
录入:edatop.com 点击:

将半桥式变换器电路中的两个电解电容换成另外两只高反压功率晶体管,并配以适当的驱动电路即可组成全桥式变换器电路,如图所示。VTl、VT2、VT3、VT4组成4个桥臂。高频变压器T连接在它们中间。相对臂上的VTl、VT4和VT2、VT3由驱动电路激励而交替导通,将直流输入电压变换成高频方波交流电压。其工作过程与推挽式功率转换电路一样。这样,高频变压器工作时,其初级线圈得到的电压即为电源电压。它是半桥电路输出电压的一倍,而每个晶体管耐压仍为电源电压,使输出功率增大一倍。若使电流达到半桥电路的水平,即电流增大一倍的话,则输出功率就可以增大4倍。全桥电路的主要不足是需要4组彼此绝缘的晶体管基极驱动电路,使控制驱动电路成本增大并复杂化。
射频工程师养成培训教程套装,助您快速成为一名优秀射频工程师...
天线设计工程师培训课程套装,资深专家授课,让天线设计不再难...
上一篇:半桥变换器式开关稳压电源
下一篇:升压输出式实用电路
射频和天线工程师培训课程详情>>

