- 易迪拓培训,专注于微波、射频、天线设计工程师的培养
LM393构成的高性价比镍镉电池充电器
录入:edatop.com 点击:

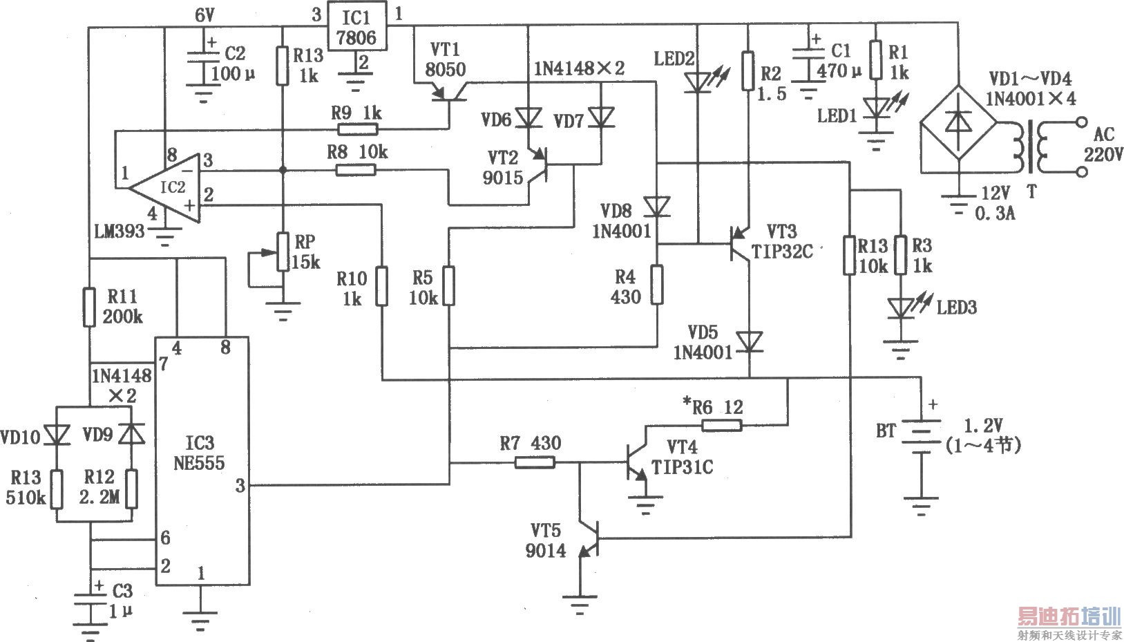
LM393构成的高性价比镍镉电池充电器如图所示,它具有以下特点:
(1)恒流充电穿插大电流放电,恒流充电电流约300mA,放电电流随着电池电压的升高而加大,电池接近充满时放电电流达400mA。充电1.5秒、放电0.5秒,间隔进行。大电流充电结束后,约有5mA涓流充电。
(2)电池电压的检测是在放电时进行的,因为充电时的电压总是高于放电时的电压,如在充电时检测与电池实际工作状态有误差,在放电时检测更可反映出电池的容量。
(3)充电电池可以是1至4节,对于500mAh镍镉电池,充电时间约2小时,能满足一般需要。
射频工程师养成培训教程套装,助您快速成为一名优秀射频工程师...
天线设计工程师培训课程套装,资深专家授课,让天线设计不再难...
上一篇:NE556构成的发电机启动蓄电池的全自动监控电路
下一篇:CW117/CW217/CW317构成的具有限流保护的充电器
射频和天线工程师培训课程详情>>

