- 易迪拓培训,专注于微波、射频、天线设计工程师的培养
电子生日蜡烛电路
录入:edatop.com 点击:

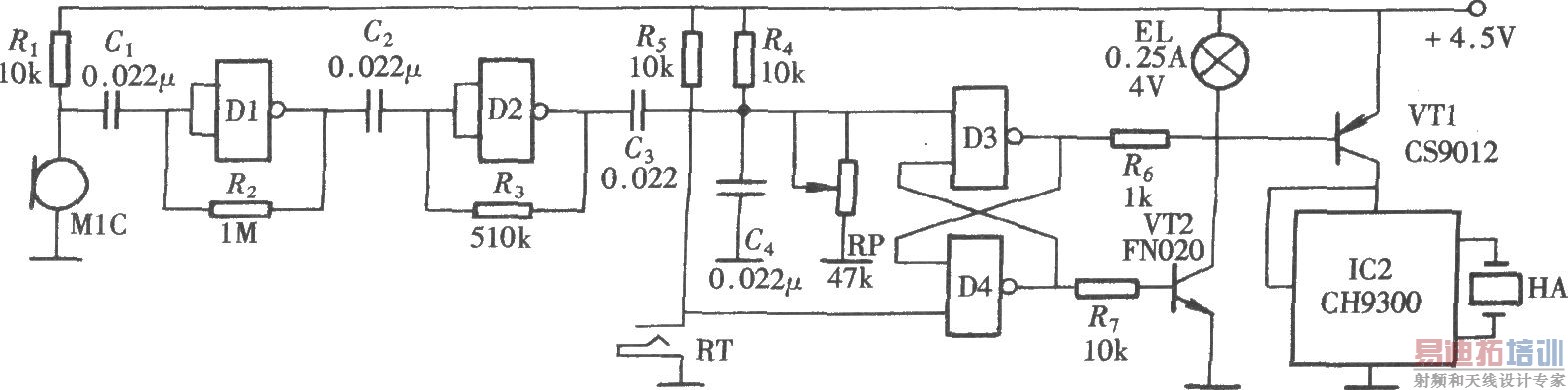
电子生日蜡烛包括一只“蜡烛”和一首“生日歌”。它采用了模仿传统生日蜡烛的外形和“点”、“吹”蜡烛的操作方式,十分新颖有趣,电路组成如图所示。它由一只四一二输入端与非门CD4011组成,其中门D3、D4组成RS触发器,利用触发器的两种输出状态来控制蜡烛的“点燃”、“吹灭”和生日歌的演奏与停止。门Dl、D2组成两级线性放大器,它和传声器MIC组成吹气信号接收转换与信号电压的放大,以形成足够的触发电压使RS触发器翻转。
射频工程师养成培训教程套装,助您快速成为一名优秀射频工程师...
天线设计工程师培训课程套装,资深专家授课,让天线设计不再难...
上一篇:干电池充电器电路
下一篇:LM139/239/339低功耗低失调电压比较器
射频和天线工程师培训课程详情>>

