- 易迪拓培训,专注于微波、射频、天线设计工程师的培养
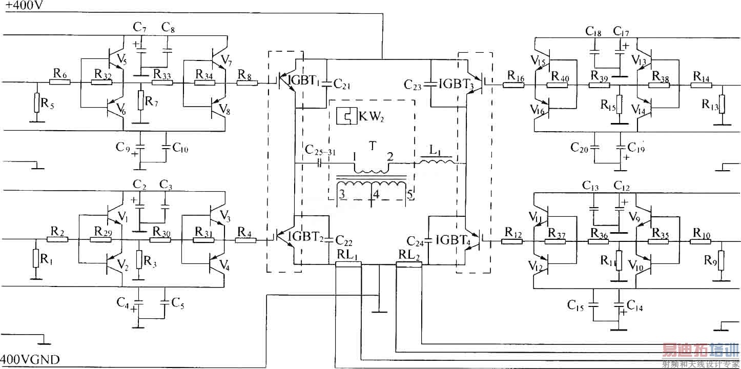
DZW75-48/50(50II)高频变换电路
录入:edatop.com 点击:

高频变换器采用全桥型结构,4个臂上的IGBT分别由4个相互隔离的驱动器驱动,它们的工作电源为300V,在驱动脉冲作用下,两个对角上的高频开关管轮流同时导通,或同时截止,从而在主变压器的初、次级获得高频脉冲电压,以实现DC/AC的高频变换。 在1#、4#驱动脉冲同时为正电位时,IGBT1、IGBT4同时导通,此时的IGBT2、IGBT3的驱动脉冲同为负电位,可靠截止,主变压器T的初级将有电流流过,电流方向为从l端流向2端,初级感应电压设为正脉冲,其幅度约为300V。 在2#、3#驱动脉冲同时为正电位时,IGBT2、IGBT3同时导通,此时的IGBT1、IGBT4的驱动脉冲同时为负电位,可靠截止,主变压器T的初级将有反向电流流过,即从2端流向1端,初级感应电压为负脉冲其幅度约为300V。这样,随着驱动脉冲的变化就在主变压器T的初级(相应的也在T的次级)产生正负交变的脉冲电压,流过正负交变的高频脉冲电流,如图下所示。

射频工程师养成培训教程套装,助您快速成为一名优秀射频工程师...
射频和天线工程师培训课程详情>>

