- 易迪拓培训,专注于微波、射频、天线设计工程师的培养
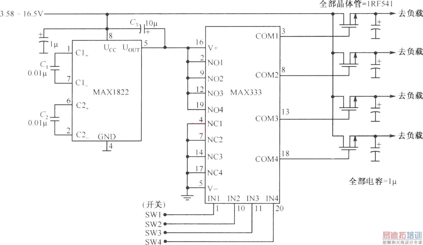
由MAX1822和MAX333构成1~4通道负载开关电路
录入:edatop.com 点击:
由MAX1822和MAX333-p.htm" target="_blank" title="MAX333货源和PDF资料">Max333构成l~4通道负载开关电路如图所示。MAx333是一个四比较放大器,当开关信号SWl~SW4与MAX1822提供给MAX333-p.htm" target="_blank" title="MAX333货源和PDF资料">MAX333输入信号N01~N04相同时,所对应的比较放大器COMl~COM4的输出为高电平,于是接通对应的负载开关。


射频工程师养成培训教程套装,助您快速成为一名优秀射频工程师...
射频和天线工程师培训课程详情>>

