• 易迪拓培训,专注于微波、射频、天线设计工程师的培养
首页 > 电子设计 > 电源技术 > 电源技术 > 高频链逆变电源的设计

高频链逆变电源的设计

录入:edatop.com    点击:
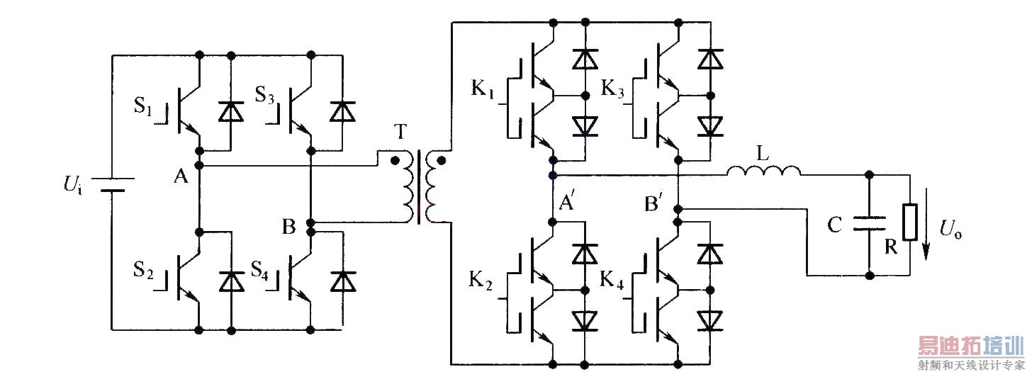
主电路设计:





主电路的开关时序:





移相控制电路图:


射频工程师养成培训教程套装,助您快速成为一名优秀射频工程师...

天线设计工程师培训课程套装,资深专家授课,让天线设计不再难...

上一篇:DK04监控模块与计算机通信接口电路
下一篇:由MAX1822和MAX333构成1~4通道负载开关电路

射频和天线工程师培训课程详情>>

  网站地图