- 易迪拓培训,专注于微波、射频、天线设计工程师的培养
双正激式变换器电路原理
录入:edatop.com 点击:
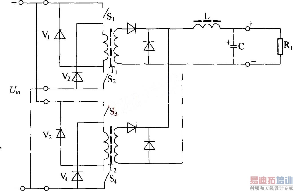
当需要较大的输出功率时,一般采取电压叠加的双正激式变换电路,如图所示。电路特点: (1)两个正激式变换电路并联,T1和T2反相180o驱动,功率增大一倍,输出频率增加一倍,纹波及动态响应得到改善; (2)S1、S2串联(S3、S4串联),开关管耐压减半; (3)取消了反馈线圈,V1、V2、VpV4均为馈能路径,降低了变压器的制作工艺等要求; (4)具有死区限制特性,两部分电路不存在共态导通问题,可靠性较高。 特性分析: 正激:导通时输入馈电给负载,截止时L供电给负载。 耐压:单管正激,开关管最大电压为2Uin。 双管正激:开关管最大电压为Uin。 变压器:变压器利用率不高(仅使用磁滞回线第一象限),工艺制作上要加馈能线圈。 用途:由于双管正激并联电路具有输出功率大,输出方波频率加倍,易于滤波,开关管耐压减半(约为输入电压Ui。),因此广泛应用于大功率变换电路中,被认为是目前可靠性较高,制造不复杂的主要电路一.


射频工程师养成培训教程套装,助您快速成为一名优秀射频工程师...
射频和天线工程师培训课程详情>>

