- 易迪拓培训,专注于微波、射频、天线设计工程师的培养
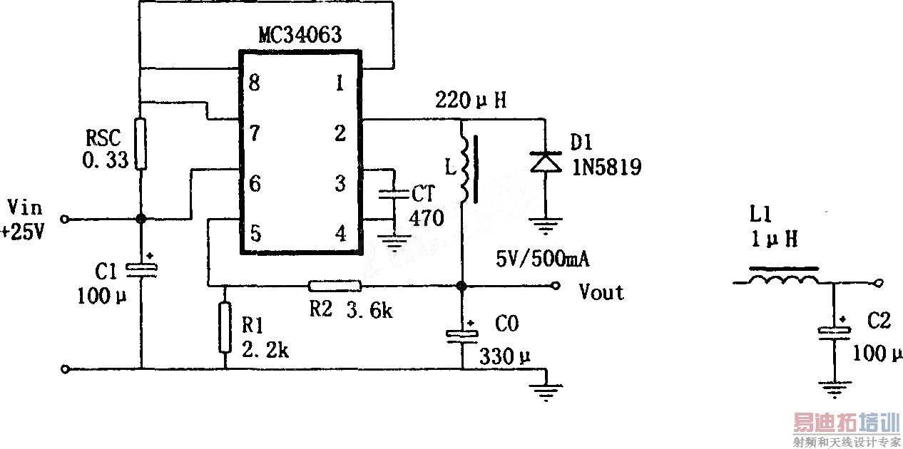
用MC34063制作的降压变换电源
录入:edatop.com 点击:
如图所示为用MC34063制作的降压变换电源。MC34063是一种开关型高效DC/DC变换集成电路。它的内部含有具有温度补偿的基准电压源、比较器、具有限电流电路的占空比可控的振荡器、驱动器和大电流输出开关管。用它制作的+25/+5V降压变换电源如图所示,其特点是:(VIN=25V,Io=500mA时)线性调整率为12mV±0.12%;负载调整率为3mV±0.03%;纹波电压为120mV。如果加一级滤波器(如图中所示)输出纹波降为40mV;变换效率为82%;短路限制电流为1.1A。


射频工程师养成培训教程套装,助您快速成为一名优秀射频工程师...
射频和天线工程师培训课程详情>>

