- 易迪拓培训,专注于微波、射频、天线设计工程师的培养
0.5μm CMOS带隙基准电路设计
录入:edatop.com 点击:
基准电压源是模拟电路设计广泛采用的一个关键模块.可提供高精度和高稳定度基准量电源。该基准电压源与电源、工艺参数和温度相关性很小,但产生的基准电压精度、温度稳定性和抗噪声干扰能力直接影响整个电路系统的精度和性能。因此,设计高性能基准电压源具有重要意义。
1971年Robert Widla提出带隙基准电压源技术以来,相对其他类型的基准电压源而言,带隙基准电压源以其低温度系数、低电源电压,可与标准CMOS工艺相兼容的特点,广泛应用于集成电路翻。现以带隙基准电压源的产生原理为基础,提出了一种具有良好自启动和低功耗特性的CMOS带隙基准电压源。该带隙基准电压源用于BLVDS总线收发器电路,主要为BLVDS总线驱动器、接收器提供所需的1.25 V偏置电压。
带隙基准电源的电路结构
1 带隙基准电源核心电路
带隙基准电源的原理是将两个具有相反温度系数(TCs)的量以适当的权重相加,其结果显示为零温度系数。例如:对于随温度向相反方向变化的电压V1和V2,选取α1和α2,使得αaV1/aT+α2aV2/aT=0。这样可得到具有零温度系数的电压基准:Vref=α1V1+α2V2。
通常,带隙基准电路采用双极晶体管实现,其基极一发射极电压Vbe具有负温度系数,而热电压(Vt=KT/q)具有正温度系数。图1给出利用双极晶体管产生的一个零温度系数基准。其输出电压Vref=Vbe+KVt(K是玻尔兹曼常量,Vt为热电压)。
在与电源无关的偏置电路中有一个很重要的问题就是存在"简并"偏置点。因此需要在电路中增加启动电路。以驱使电路摆脱"简并"偏置点。图2给出简单的偏置电路。当电源上电时,所有晶体管的传输电流均为零。
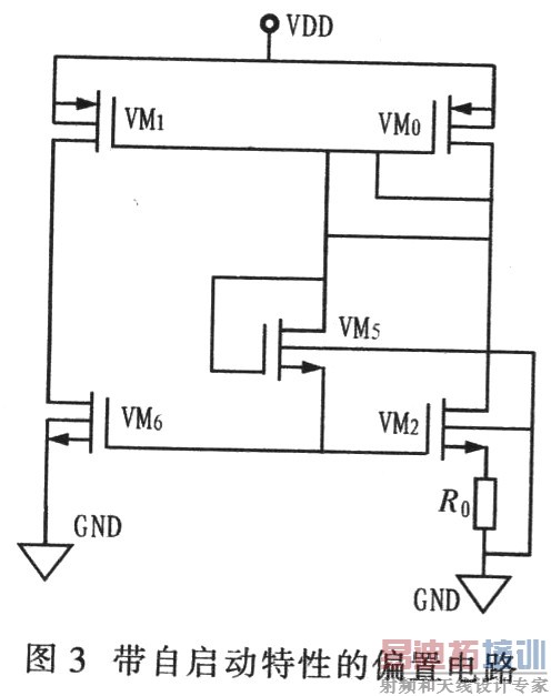
图3给出带自启动特性的偏置电路。图中增加了二极管连接器件VM5。上电时VM5提供了从VDD经VM0,VM5,VM2及R0到地的电流通路,使电路不再保持关断,从而摆脱了"简并"点。一旦电路正常工作,启动电路中各支路都没有电流通过,不会引起额外功耗。为了仔细分析和模拟启动问题,不仅在直流扫描仿真中要求电源电压从零伏开始上升.而且在瞬态仿真中也要求电源电压从零伏开始上升。另外,还必须在每个电源电压下检查电路特性。在较为复杂的电路中,可能存在不止一个"简并"点。
1971年Robert Widla提出带隙基准电压源技术以来,相对其他类型的基准电压源而言,带隙基准电压源以其低温度系数、低电源电压,可与标准CMOS工艺相兼容的特点,广泛应用于集成电路翻。现以带隙基准电压源的产生原理为基础,提出了一种具有良好自启动和低功耗特性的CMOS带隙基准电压源。该带隙基准电压源用于BLVDS总线收发器电路,主要为BLVDS总线驱动器、接收器提供所需的1.25 V偏置电压。
带隙基准电源的电路结构
1 带隙基准电源核心电路
带隙基准电源的原理是将两个具有相反温度系数(TCs)的量以适当的权重相加,其结果显示为零温度系数。例如:对于随温度向相反方向变化的电压V1和V2,选取α1和α2,使得αaV1/aT+α2aV2/aT=0。这样可得到具有零温度系数的电压基准:Vref=α1V1+α2V2。
通常,带隙基准电路采用双极晶体管实现,其基极一发射极电压Vbe具有负温度系数,而热电压(Vt=KT/q)具有正温度系数。图1给出利用双极晶体管产生的一个零温度系数基准。其输出电压Vref=Vbe+KVt(K是玻尔兹曼常量,Vt为热电压)。

在与电源无关的偏置电路中有一个很重要的问题就是存在"简并"偏置点。因此需要在电路中增加启动电路。以驱使电路摆脱"简并"偏置点。图2给出简单的偏置电路。当电源上电时,所有晶体管的传输电流均为零。

图3给出带自启动特性的偏置电路。图中增加了二极管连接器件VM5。上电时VM5提供了从VDD经VM0,VM5,VM2及R0到地的电流通路,使电路不再保持关断,从而摆脱了"简并"点。一旦电路正常工作,启动电路中各支路都没有电流通过,不会引起额外功耗。为了仔细分析和模拟启动问题,不仅在直流扫描仿真中要求电源电压从零伏开始上升.而且在瞬态仿真中也要求电源电压从零伏开始上升。另外,还必须在每个电源电压下检查电路特性。在较为复杂的电路中,可能存在不止一个"简并"点。

射频工程师养成培训教程套装,助您快速成为一名优秀射频工程师...
射频和天线工程师培训课程详情>>

