- 易迪拓培训,专注于微波、射频、天线设计工程师的培养
运算放大器输出相位反转和输入过压保护分析
超过输入共模电压(CM)范围时,某些运算放大器会发生输出电压相位反转问题。其原因通常是运算放大器的一个内部级不再具有足够的偏置电压而关闭,导致输出电压摆动到相反电源轨,直到输入重新回到共模范围内为止。图1所示为电压跟随器的输出相位反转情况。注意,输入可能仍然在电源电压轨内,只不过高于或低于规定的共模限值之一。这通常发生在负范围,最常发生相位反转的是JFET和/或BiFET放大器,但某些双极性单电源放大器也有可能发生。

图1:电压跟随器的输出电压相位反转
相位反转通常只是暂时现象,但如果运算放大器在伺服环路内,相位反转可能会引起灾难性后果。
运算放大器配置为单位增益电压跟随器时,最有可能发生相位反转。在反相模式下,相位反转不是问题,因为两个输入均恒定不变,并且处于地电位(某些单电源应用中则处于中间电源电压)。
大多数现代运算放大器都会使用电路设计技术来防止相位反转。如果运算放大器能够避免相位反转,其数据手册的"主要特性"部分一般会说明这一点,但"技术规格"部分不一定会说明。
对于"轨到轨"输入运算放大器,输入共模电压包括电源轨,因此,只要输入电压不超过电源轨,运算放大器就不应发生相位反转。
图2显示了AD8625(四通道)、AD8626(双通道)和AD8627(单通道)运算放大器系列的"主要特性"和绝对最大值规格。这些放大器具有JFET输入,采用+5 V单电源供电时,输入共模电压范围为0 V至+3 V(最大值)。"无相位反转"特性意味着:在+3 V至+5 V的共模区间,输出不会发生相位反转。

图2:AD8625/AD8626/AD8627运算放大器的"主要特性"和绝对最大值规格
某些运算放大器可能仅在输入超过电源轨时出现输出电压相位反转现象。然而,这种情况违反了输入电压的绝对最大值要求,应当避免。如果输入过压情况可能发生,则应增加适当的保护电路。多数情况下,这种保护电路也能起到防止输出电压相位反转的作用,如下文所述。
输入过压保护和输出相位反转保护电路
绝对最大额定值是IC运算放大器的电压、电流和温度限值,一旦超出该值,运算放大器就会受损。通常对输入引脚施加过大的电压会破坏或损毁运算放大器。过压状况可以分为两类:过压和静电放电(ESD)。
ESD电压通常高达数千伏。大多数人都有被静电电击的体验。在尼龙地毯上拖着脚走,特别是在干燥环境下,并触摸金属门把手,就有可能被电到,火花从指尖飞出。CMOS电路特别容易因ESD损坏,双极性电路同样可能受损。多数运算放大器的输入引脚内置ESD保护二极管,以便能够在PC板装配阶段处理IC.为使电容和泄漏最小,这些二极管一般很小,不是用来应付数mA以上的持续输入电流。
只要运算放大器的输入共模电压超出其电源范围,即使电源已关闭,运算放大器也可能受损,。因此,几乎所有运算放大器的绝对最大输入额定值都将最大输入电压限制在如下电平:正负电源电压加上大约0.3 V(即+VS + 0.3 V或–VS– 0.3 V)。即使规定绝对最大输入电压等于电源电压(如图2所示的情况),这一经验法则也仍然适用。
虽然可能存在一些例外,但务必注意:当发生超出电源轨0.3 V以上的过压状况时,多数IC运算放大器需要输入保护。
导致故障的原因并非过压本身,而是过压引起的电流会流入输入引脚。如果输入电流不超过5 mA(经验法则),则不会造成严重破坏。然而,如果输入持续处于过应力状况,偏置电流和失调电压等参数可能会发生变化。因此,过压虽然不一定会损毁运算放大器,但应极力避免。
过压保护措施一般包括在输入引脚与电源之间放置外部二极管,以及增加限流电阻(参见图3)。
二极管通常是肖特基二极管,因为其正向电压较低(通常为300 mV,硅二极管则为700 mV)。
应用这些保护器件时必须谨慎。某些二极管可能有严重泄漏,额外的漏电流最终会变成运算放大器的偏置电流。某些二极管可能还有相当大的电容,这可能会限制频率响应,对高速放大器的影响尤为严重。此外,外加限流电阻RLIMIT会增加噪声。

图3:使用肖特基箝位二极管和限流电阻的通用运放过压保护网络
除非数据手册另有说明,运算放大器的输入故障电流应等于或小于5 mA以免受损。这是一个保守的经验法则,基于典型运放输入的金属走线宽度。更高的电流会引起"金属迁移",这是一种累积效应,如果持续发生的话,最终会导致走线开路。如果存在迁移现象,故障可能需要经过很长时间发生多次过压才会显现,这种故障非常难以发现。因此,即使一个放大器似乎能够短时间承受远高于5 mA的过压电流,也必须将最大电流限制在5 mA(或以下),以确保长期可靠性。
某些运算放大器,如OP27等,内置保护二极管,但仍然需要限流。如果运算放大器具有保护二极管,它通常会规定最大差分输入电流。原理示意图上也应显示该保护电路。
某些运算放大器的输入还具有背靠背二极管,这不是用于输入过压保护,而是限制差分电压。如果存在这种二极管,差分输入电压将有±700 mV的绝对最大额定值。
图3所示电路是一个通用运算放大器共模保护电路。只要元件选择得当,大量运算放大器的输入都能获得有效保护。注意:运算放大器可能还有连接到电源的内部保护二极管(如图所示),当正向电压超出或低于相应电源轨大约0.6 V时,该二极管就会导通。但在这种情况下,外部肖特基二极管与内部二极管并联,因而内部单元永远不会达到其阈值。将故障电流转移到外部可以消除潜在的应力,从而保护运算放大器。
外部二极管还能带来其它好处,有些可能不太明显。例如,如果允许故障电流流入运算放大器,则必须选择适当的RLIMIT,使得在最差情况的VIN下,最大电流不超过5 mA.这一要求可能导致RLIMIT值相当大,相关的噪声和失调电压增加可能是设计无法接受的。举例来说,为了预防100 V的VIN,根据5 mA要求,RLIMIT必须大于或等于20 k.然而,如果有外部肖特基箝位二极管,则RLIMIT可以由最大容许的D1-D2电流决定,它可以大于5 mA.不过这里应小心,对于非常高的电流,肖特基二极管压降可能超过0.6 V,从而激活内部运放二极管。
为使失调电压和噪声误差最小,必须使RLIMIT的值尽可能低。RLIMIT与运算放大器输入端串联,产生一个与偏置电流成比例的压降。如果不校正,此电压将表现为电路失调电压增加。因此,对于偏置电流中等且大致相等的运算放大器(大部分是双极性类型),补偿电阻RFB用于平衡直流失调,使该误差最小。对于低偏置电流运算放大器(Ib≤10 nA或FET型),有可能不需要RFB.为使RFB相关噪声最小,应利用一个电容CF将其旁路。
消除输出相位反转
许多情况下,增加合适的RLIMIT电阻可以防止输出相位反转。然而,许多运算放大器制造商未必始终能够提供适合防止输出相位反转的RLIMIT电阻值。不过,可以通过一组测试以经验来确定该值。通常,防止相位反转的RLIMIT电阻值也会通过输入共模箝位二极管来安全地限制故障电流。如果不确定,可以从1 k的标称值开始测试。
通常而言,FET输入运算放大器只需要限流串联电阻来提供保护,但双极性输入放大器最好同时用限流电阻和肖特基二极管来提供保护(如图3所示的RLIMIT和D2)。
输入差分保护
到目前为止的讨论都是关于过压共模状况,它通常与输入级结构固有的PN结正偏有关。
过压保护还有一点也同样重要,那就是过大差分电压引起的过压。将过大差分电压施加于某些运算放大器时,可能导致其工作性能降低。
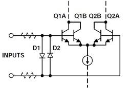
这种性能降低是由"反向结击穿"引发的,这是输入级导通不良的第二种情况,发生在差分过压状况下。然而,对于PN结反向击穿,问题的性质可能更加微妙,图4所示为一个运放输入级的一部分。

图4:具有D1-D2输入差分过压保护网络的运算放大器输入级
该电路适用于OP27等低噪声运算放大器,也是许多其它采用低噪声双极性晶体管来构成差分对Q1-Q2的放大器的典型保护电路。如果没有任何保护,可以看出,两个输入间高于大约7 V的电压将导致Q2或Q1(取决于相对极性)反向结击穿。注意,如果是射极-基极击穿,则很小的反向电流也会导致两个晶体管的增益和噪声性能下降。发生射极-基极击穿后,运算放大器参数(如偏置电流和噪声等)可能会超出额定范围。这通常是永久性的,逐渐而微妙地发生,特别是在由瞬变触发的情况下。因此,几乎所有低噪声运算放大器,无论是基于NPN还是PNP,都会采用保护二极管,如输入上的D1-D2等。如果施加的电压超过±0.6 V,这些二极管就会导通,从而保护晶体管。
虚线所示的串联电阻起到限流作用(为保护二极管提供保护),但所有情况下均未使用。例如,AD797没有这些电阻,因为它们会降低器件的1 nV/Hz额定噪声性能。注意,如果内部缺少这些电阻,则必须提供外部限流措施,以防受差分过压状况影响。显而易见,这里存在一个取舍关系,必须权衡考虑全面保护的程度与噪声性能的降幅。注意,应用电路本身可能已在运算放大器输入中提供足够的电阻,因而不需要额外的电阻。
应用低噪声双极性输入级运算放大器时,首先应检查所选器件的数据手册,看它是否具有内部保护。需要时,应增加保护二极管D1-D2(如果运算放大器没有内置),确保避免Q1-Q2射极-基极击穿。如果应用中运算放大器经历的差分瞬变高于5 V,这些二极管应能处理。普通的低电容二极管足以胜任,如1N4148系列。视需要增加限流电阻,以便将二极管电流限制在安全水平。
其它IC器件结,如基极-集电极和JFET栅极-源极结等,在击穿时不会表现出这样的性能降低。对于这些结,输入电流应以5 mA为限,除非数据手册另有规定。
运算放大器和仪表放大器的这些不同过压防范措施看起来很复杂,事实上也的确如此!只要运算放大器(或仪表放大器)输入(和输出)超出设备边界条件,就可能发生危险情况或器件损毁。显然,为了实现最高可靠性,必须防患于未然。
幸运的是,大多数应用都是完全内置于设备中,通常看到的是采用同一电源系统的其它IC的输入和输出。因此,这种情况下一般不需要箝位和保护方案。
图5总结了过压考虑事项。

图5:电路内过压考虑事项汇总
采用高共模电压仪表放大器的共模过压保护
在精密运算放大器之前进行阻性输入衰减,是模拟通道过压保护的终极简化方案。这一组合相当于一个支持高压的仪表放大器,如AD629等,它能够以线性方式对叠加于最高±270 V共模电压的差分信号进行处理。此外,过压保护考虑最重要的一点是,片内电阻能够为最高±500 V的共模或差分电压提供保护。所有这些都是通过精密激光调整薄膜电阻阵列和运算放大器实现,如图6所示。
图6:高压仪表放大器IC AD629提供±500 V输入过压保护;仅采用单个器件,极其简单,并且实现了防故障关断操作
分析该拓扑结构可知,精密运算放大器AD629周围的阻性网络充当一个分压器,将施加于VIN的共模电压降低20倍。AD629同时以单位增益将输入差模信号VIN转换成以本地接地为基准的单端输出信号。增益误差不超过±0.03 %或±0.05 %,失调电压不超过0.5 mV或1 mV(取决于器件等级)。AD629的电源电压范围是±2.5 V至±18 V.
这些因素相结合,使AD629成为可能经受危险瞬变电压的卡外模拟输入的简便、单器件保护解决方案。由于所用的电阻值相对较大,因此它本身就能保护器件,在不加电情况下,输入电阻也能安全地限制故障电流。此外,它还提供仪表放大器固有的运作优势:高CMR(500Hz时最小值86 dB)、出色的整体直流精度和灵活、简单的极性变化。
对性能不利的一面是,与较低增益的仪表放大器配置相比,如AMP03等,多个因素使得AD629的输出噪声和漂移相对较高,包括高值电阻的约翰逊噪声和拓扑结构的高噪声增益(21倍)。这些因素与电阻噪声共同提高运算放大器的噪声和漂移,提高幅度高于典型值。
当然,这个问题是否与具体应用有关,需要根据具体情况进行评估。
内置过压保护的ADA4091-2运算放大器
ADA4091-2是一款双通道、微功耗、单电源、3 MHz带宽放大器,具有轨到轨输入与输出特性。ADA4091-2保证可采用+3 V至+36 V单电源供电以及±1.5 V至±18 V双电源供电。
ADA4091-2拥有过压保护输入和二极管,允许输入电压高于或低于供电轨12 V,非常适合鲁棒的工业应用。
具体应用包括便携式电信设备、电源控制与保护、分流检测,以及具有宽输出范围的传感器接口.
射频工程师养成培训教程套装,助您快速成为一名优秀射频工程师...

