- 易迪拓培训,专注于微波、射频、天线设计工程师的培养
一款三相PWM逆变器的主电路电源设计方案应用
随着电力电子技术的发展,逆变器的应用已深入到各个领域,一般均要求逆变器具有高质量的输出波形。逆变器输出波形质量主要包括两个方面,即稳态精度和动态性能。因此,研究既具有结构和控制简单,又具有优良动、静态性能的逆变器控制方案,一直是电力电子领域研究的热点问题。
随着国民经济的高速发展和国内外能源供应的紧张,电能的开发和利用显得更为重要。目前,国内外都在大力开发新能源,如太阳能发电、风力发电、潮汐发电等。一般情况下,这些新型发电装置输出不稳定的直流电,不能直接提供给需要交流电的用户使用。为此,需要将直流电变换成交流电,需要时可并入市电电网。这种DC- AC变换需要逆变技术来完成。因此,逆变技术在新能源的开发和利用领域有着重要的地位。
脉宽调制逆变技术
1、PWM的基本原理
1. 1、PWM( Pulse Width Modulat ion)脉宽调制型逆变电路定义:是靠改变脉冲宽度来控制输出电压,通过改变调制周期来控制其输出频率的电路。
1. 2、脉宽调制的分类:
1、以调制脉冲的极性分,可分为单极性调制和双极性调制两种;
2、以载频信号与参考信号频率之间的关系分,可分为同步调制和异步调制两种。
1. 3、( PWM)逆变电路的特点:可以得到相当接近正弦波的输出电压和电流,所以也称为正弦波脉宽调制SPWM( Sinuso idal PWM) .
1. 4、SPWM控制方式:就是对逆变电路开关器件的通断进行控制,使输出端得到一系列幅值相等而宽度不等的脉冲,用这些脉冲来代替正弦波所需要的波形。按一定的规则对各脉冲的宽度进行调制,既可改变逆变电路输出电压的大小,也可改变输出频率。
2、PWM电路的调制控制方式
2. 1、载波比的定义:在PWM变频电路中,载波频率f c与调制信号频率f r之比称为载波比,即N= f c/ ff.
2. 2、PWM逆变电路的控制方式:根据载波和调制信号波是否同步,有异步调制和同步调制两种控制方式:一、异步调制控制方式。当载波比不是3的整数倍时,载波与调制信号波就存在不同步的调制。二、同步调制控制方式。在三相逆变电路中当载波比为3的整数倍时,载波与调制信号波能同步调制。
主电路的设计
本设计采用AC– DC– AC方案。采用SPWM调制方式。图1为系统主电路和控制电路框图。交流输入电压经过不控整流后得到一个直流电压,再经过全桥逆变电路得到交流输出电压。为保证系统可靠运行,防止主电路对控制电路的干扰,采用主、控电路完全隔离的方法,即驱动信号用光耦隔离,反馈信号用变压器隔离,辅助电源用变压器隔离。

1、整流电路的设计
本设计运用的是三相桥式不可控整流电路。在交-直-交变频器、不间断电源、开关电源等应用场合中,大都采用不可控整流电路经电容滤波后提供直接电源,供后级的变换器、逆变器等使用。由于电路中的电力电子器件采用整流二极管,故也称这类电路为二极管整流电路。其电路图如下所示:

图2三相桥式不可控整流电路
经计算二极管应选择HFA70NH60额定电压600V,额定电流70A (快恢复型)。
2、逆变电路的设计
逆变与整流相对应,是将直流电变成交流电。交流侧接电网,为有源逆变。交流侧接负载,为无源逆变。
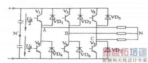
本设计逆变电路采用电压型三相桥式逆变电路,其原理图如图3所示。

图3电压型三相全桥式逆变器结构图
逆变电路中的开关器件均选用全控型器件——IGBT.IGBT是MOSFET与GTR的复合器件,因此它具有工作速度快、输入阻抗大、驱动电路简单、控制电路简单、工作频率较高、元件容量大等多项优点。
本设计中所选IGBT管额定电压为600V,额定电流约为20A,所以,应选取六只600V,20A的IGBT管。IGBT管型号为:IRGBC40F额定电压600V,额定电流27A .
逆变电路中,6个二极管有限制过电压的作用,对IGBT管进行保护。由于二极管和IGBT管的电压和电流几乎相等。所以选取二极管的型号为:HFA 70NH60额定电压600V,额定电流70A(快恢复型) .
3、输出滤波电路设计
LC滤波器的-般形式是一个由LC组成的无源网络,其工作原理是串联的LC电路在基频下呈串联谐振状态。在理想状态下,对基波不产生压降,对高次谐波则是高阻抗,抑制高次谐波电流。
经计算,取电感的电感值为:L2= 0. 48mH取电容的电容值为:C2= 664uF
4、驱动电路的设计
驱动电路是将控制电路产生的PWM信号加以隔离、放大,形成驱动各开关器件开关动作信号的电路。它将逻辑电平的控制电路与可驱动6个IGBT的高/低侧开关电路相连接。由于驱动电路的选取因开关器件的不同而异,而本课题选用的开关器件是IGBT,它是电压驱动型开关器件,所以我们选择了美国IR ( Internat io nal Rect ifier )公司生产的型号为IR2130的6路快速IGBT驱动芯片。

IR2130的外部电路图如图4所示,图中C25为电源滤波电容,C24为过流检测电容,其大小直接影响着保护是否灵敏,选择不当将导致IGBT冲出安全工作区而损坏。C21,C22,C23为逆变器上桥臂产生悬浮电源的自举电容,它们影响着这三只功率管的正常工作。R27~R30,P2为过流检测电阻,只要改变P2的大小,就可调接电流保护值的大小。R21~R26为IGBT的栅极电阻。D1~D6选用快恢复二极管。
5、控制电路设计
控制电路采用集成脉宽调制电路芯片SG3524.SG3524与正弦函数发生芯ICL8038连接来产生SPWM波,控制全桥逆变电路。
按照SG3524的工作原理,要得到SPWM波,必须得到一个正弦波,将它加到SG3524内部,并与锯齿波比较,就可得到正弦脉宽调制波。

如图5示正弦波电压由函数发生器ICL8038产生。正弦波的频率由R2、R3和C1来决定,1. 15/ ( R2+R3 ) C1,为了调试方便,我们将R2、R3都用可调电阻,R1是用来调整正弦波失真度用的。当时f= 50Hz,R2+ R3= 10kΩ,其中C1= 2. 2uF.正弦PWM波ue信号产生后,输入到SG3524的1号脚,正弦波和锯齿波在SG3524内部的比较器进行比较产生SPWM波。
总结
本文主要实现了三相PWM逆变器主电路设计,包括整流电路、滤波电路、逆变器、驱动电路和控制电路设计,完成了相关器件的选型,基本实现了AC- DC- AC转换功能。
射频工程师养成培训教程套装,助您快速成为一名优秀射频工程师...

