- 易迪拓培训,专注于微波、射频、天线设计工程师的培养
LLC谐振回路电流 (tank current) 分析与测量之一
在许多应用中,都要求前端转换器具备宽输入电压范围和高效率。由于在宽输入电压范围时效率较低,因此大多数PWM DC-DC转换器都不能满足这些要求。因其电压增益特性和小开关损耗特点,人们提出使用LLC来实现高效率和宽输入电压范围要求「1」。这篇应用报告为您介绍对LLC谐振回路电流的分析。文章讨论和比较了功率电阻、电流变换器和电流探针三种电流测量方法,并介绍了这些电流测量方法的优点、缺点和应用情况。实验结果与理论分析相一致。
1引言
LLC是前端DC-DC转换器的最佳备选项,它可以满足宽输入电压范围和高效率要求。UCC25600专为使用谐振拓扑结构的DC/DC应用而设计,特别是LLC半桥谐振转换器。这种高度集成的控制器只有8支引脚,并使用小尺寸封装,它可以极大简化系统设计和布局,同时还可以缩短产品上市时间「2」。因此,我们把LLC半桥谐振转换器作为一个例子,来分析谐振回路电流。
2谐振回路电流分析
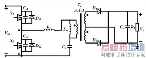
图1为一个LLC谐振半桥转换器电路。
S1和S2为一次MOSFET. CS1和CS2为MOSFET漏极和源极之间的寄生电容器。
DS1和DS2为MOSFET的体二极管。
Lr和Cr为谐振电感器和谐振电容器。
Lm为变压器的磁电感器。
n为一次和二次线圈的匝数比二次整流器包含D1和D2. CO为输出电容器。
RL为负载。
Vin为输入电压,而VO则为输出电压。

图1 LLC谐振半桥转换器
LLC谐振转换器共有2个谐振频率:一个由Lr和Cr产生,如方程式1所示;另一个由Lr、Lm和Cr产生,如方程式2所示。一般而言,按照设计,正常输入电压时LLC工作在fr频率下,从而实现最佳效率。开关频率大于fr.一次MOSFET的ZVS可以实现,但是二次二极管的ZCS无法实现;它被称作LC串联谐振。当开关频率低于fr但高于fm时,可以同时实现ZVS和ZCS.由于某个时间内会出现Lr、Lm和Cr谐振,因此它被称作LLC串联谐振。在参考文献「3」中,大部分负载范围的开关频率均低于fr,因此本应用报告会对频率低于fr的工作情况进行分析。

图2为fm<fs<fr的波形,半周期被划分为四部分。考虑到t2至t3的电压峰值,该周期情况如下图所示。所有方程式表明了功率参数的关系。

图 2 fm<fs<fr的波形
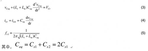
可以把它看作是一个DC电压源。图3显示了一个简化版电路。

图 3 t2<t<t3的简化版电路
所有参数如方程式3和4所示,谐振频率等于方程式5。由于Ceq,fr3远远大于fr1和fr2。

我们对该周期内谐振回路电流值的变化进行研究,因此要求一个方程式来描述时域谐振回路电流。该周期的实际开始时间为t2,结束时间为t3。为了简化计算过


一般而言,谐振回路电流分析常常会忽略 iLr,因为它的值小于谐振回路电流的峰值,并且这种过渡周期远短于开关周期。但是,这种短过渡周期会给测量电路带来噪声。前述方程式可以验证测量结果是否为真。当为假时,应改进测量电路。
射频工程师养成培训教程套装,助您快速成为一名优秀射频工程师...

