- 易迪拓培训,专注于微波、射频、天线设计工程师的培养
基于IGBT器件的大功率DC/DC电源技术方案
本文介绍的是主要要求不可避免地需采用电源并联技术,即功率管并联或电源装置的并联。对于20kA直流电源,若采用功率管IGBT并联,每个桥臂则至少需15只功率管并联,这不但给驱动带来很大困难,而且,在一般情况下,电流容量较大的功率管的电压容量也较大,在实际电压只有50V的情况下,对功率管的电压容量而言,这是极大的浪费。该电源可用作EAST托卡马克装置中的大功率垂直位移快速控制直流电源。对该电源装置进行了仿真和实验,获得了较为满意的动静态性能。
随着电力电子技术的发展,很多场合需要大功率大电流的直流电源。EAST的磁约束核聚变装置使用的直流快控电源即是一种大功率直流电源,其技术要求为:电压响应时间1ms峰值电压50V;最大电流20kA,能实现4个象限的运行。针对此要求,不可避免地需采用电源并联技术,即功率管并联或电源装置的并联。对于20kA直流电源,若采用功率管IGBT并联,每个桥臂则至少需15只功率管并联,这不但给驱动带来很大困难,而且,在一般情况下,电流容量较大的功率管的电压容量也较大,在实际电压只有50V的情况下,对功率管的电压容量而言,这是极大的浪费。因此,提出采用多米诺结构的DC/DC电源装置并联技术思路。
对电源并联系统的基本要求为:
1)在电网扰动或负载扰动下保持输出电压稳定;
2)各模块调制频率一致。若不一致,则产生低频脉动信号,增大输出电流和电压的纹波成分;
3)控制各模块电流,使其均分负载电流。
1大功率直流电源的拓扑结构
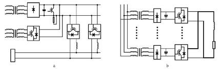
DC/DC电源并联有两种拓扑结构,一种是采用输入直流母线结构,其系统结构框图如图1a所示,主要包括整流变压器和不可控二极管整流电路,N路DC/DC变换器,泵升电压抑制电路等;另一种是采用独立的AC-DC/DC电源并联,系统结构图如图1b所示。

图1 DC/DC 电源模块并联的系统结构框图
采用图1a所示的拓扑结构,系统需大容量不可调直流电源,一般可采用整流变压器降压,二极管整流并经电容滤波得到。这种结构虽可保证并联的每条支路有共同的直流电压输入,避免并联支路因直流侧输入电压不同而带来的不均衡,但该直流电源的容量大,电流达20KA,直流母线承受的负荷过重,前级AC-DC设备要求较高,不易实现。另外,输入端共用母线不利于实现完全意义上的独立电源模块的并联。因此,采用如图1b所示的AC-DC/DC直流电源并联的拓扑结构。
图1b所示的拓扑结构可保证每个AC-DC/DC电源模块的独立性,即可实现直流电源装置的并联,能够根据实际的电压,电流及功率的要求自由地增减模块的个数!在实际应用中有很大的空间,有一定的研究价值。但这种拓扑结构也有它不利的一面!即若变压器输出电压略有差别,则每个整流模块的输出电压将不同,从而造成各整流模块输出电流严重不平衡。
不过,这种不平衡可采取如下相应措施进行抑制:首先,在采用独立的AC-DC/DC电源并联时,应尽量做到每个模块的AC-DC/DC输出直流电压接近相等;其次,针对由于变压器输出电压不同造成的各整流模块输出电流的不平衡,可在DC/DC环节设置均流措施。DC/DC模块采用的是受限单极型脉宽调制方式(PDW),通过调节各DC/DC模块的占空比使各回路的负载趋于平衡。当电源模块给定电流正负切换时,可实现不同象限的运行,满足系统4象限运行的要求。
2大功率直流电源的控制方案
在托卡马克快控电源的应用中,要求电源输出电流实时跟踪给定电流曲线。因此,该电源系统是电流随动系统,系统的快速性将是一较重要的性能指标。而控制方式的选择将影响整个系统的静态与动态性能指标。
为更好提高系统稳态和动态性能指标的精度,实现电流跟随性,采用两级电流控制(图2),即总电流环和模块电流环相互配合,不仅可提高性能指标,且可实现各模块电流的均衡。

图2 并联系统控制框图
外环的主要功能是实现电流的实时跟踪,采用反馈加前馈的复合控制方式。复合控制中的前馈控制不影响原系统的稳定性。但却可在不增大开环增益的情况下大幅提高系统的稳态精度和动态性能。为达到控制效果。又不使前馈通道的结构变得复杂。前馈控制采用的是输入信号的一阶导数,且加到信号的输入端。内环模块电流环的主要功能如下。
1)改造控制对象的传递函数。
2)限制电流最大输出,同时又实现各电源模块的均流。
3数据传输拓扑结构
EAST等离子体垂直位移快控电源的均流是装置并联的一重要问题。监控计算机和电源模块的CPU数据传输采用主从方式(图3),即由每一电源模块的CPU负载实现各自的电流控制,并向监控计算机发送该电源模块状态信息,监控计算机的作用是实现对各电源模块的统一管理,包括向每个电源模块发送启动和停止指令。发送电流给定信号,采集直流输出总电流,总电压,交流输入电压及各电源模块的交流电压电流,直流输出电流,温度,熔丝断,门禁等物理量等。同时与上一级EAST总控计算机及系统各电源模块进行通讯,完成各种数据信息的自动上报,下报。模块的自动切除与投入等任务。监控计算机给每个电源模块传输相同的给定电流!在电源模块电流环的调节控制作用下,通过单片机的软件编程,实现输出相同的负载电流!获得较好的均流效果。

图3 电源的数据传输拓扑结构
4结语
对于类似托卡马克快控电源这样的大容量且对其,象限运行和电流跟踪有较高要求的电源系统,可采用多个独立的中小容量的电源模块通过并联来满足电源总容量的需求。多电源的并联面临的一个关键问题是各组成模块之间的均流。利用电源模块的智能化和自动控制系统理论,使电源的各个组成模块成为具有电流跟踪能力的闭环系统!由控制规律而非硬件来实现各模块之间的均流。如此形成的系统也将能够满足快控电源的快速电流跟踪要求。这种设计方案所以能够得到实现。关键在于具备了以下条件:
1)单片机在电源模块和并联系统中的嵌入式应用实现了装置的智能化,大大提高了模块调制频率的一致性。有利于减小输出电压,电流的低频纹波!克服了传统方法难以实现各模块调制频率一致性的缺点。
2)采用PWM技术DC/DC环节具有快速响应能力;
3)基于控制理论的电流跟踪技术能以硬件均流不同的思路实现模块之间的均流,通过监控计算机的控制,向各模块CPU传送相同的电流给定。实现电源模块的静态均流。
在需要大功率输出的场合。此系统具有良好的应用前景。符合电源系统数字化控制的发展趋势。
射频工程师养成培训教程套装,助您快速成为一名优秀射频工程师...
天线设计工程师培训课程套装,资深专家授课,让天线设计不再难...
上一篇:一种锂电池组保护板均衡充电的设计方案
下一篇:小功率便携式音频产品(含Charger和DC-DC)的辐射发射超标对策

