- 易迪拓培训,专注于微波、射频、天线设计工程师的培养
光伏并网逆变器的设计
基于光伏并网逆变器的基本原理和控制策略,设计了并网型逆变器的结构,其采用了内置高频变压器的前后两级结构,即前级DC/DC高频升压,后级DC/AC工频逆变。该设计模式具有电路简单、性能稳定、转换效率高等优点。
在能源日益紧张的今天,光伏发电技术越来越受到重视。太阳能电池和风力发电机产生的直流电需要经过逆变器逆变并达到规定要求才能并网,因此逆变器的设计关乎到光伏系统是否合理、高效、经济的运行。
1光伏逆变器的原理结构
光伏并网逆变器的结构如图1所示,主要由前级DC/DC变换器和后级DC/AC逆变器构成。其基本原理是通过高频变换技术将低压直流电变成高压直流电,然后通过工频逆变电路得到220V交流电。这种结构具有电路简单、逆变电源空载损耗很小、输出功率大、逆变效率高、稳定性好、失真度小等优点。

图1光伏逆变器结构图
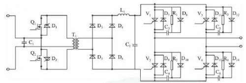
逆变器主电路如图2所示。DC/DC模块的控制使用SG3525芯片。SG3525是双端输出式SPWM脉宽调制芯片,产生占空比可变的PWM波形用于驱动晶闸管的门极来控制晶闸管通断,从而达到控制输出波形的目的。
作为并网逆变器的关键模块,DC/AC模块具有更高的控制要求,本设计采用TI公司的TMS320F240作为主控芯片,用于采集电网同步信号、交流输入电压信号、调节IGBT门极驱动电路脉冲频率,通过基于DSP芯片的软件锁相环控制技术,完成对并网电流的频率、相位控制,使输出电压满足与电网电压的同频、同相关系。
滤波采用二阶带通滤波器,是有源滤波器的一种,用于传输有用频段的信号,抑制或衰减无用频段的信号。其可以有效地滤除逆变后产生的高频干扰波形,使逆变后的电压波形达到并网的要求。

图2逆变器主电路
2 DC/DC控制模块
SG3525是专用于驱动N沟道功率MOSFET的PWM控制芯片。SG3525的输出驱动为推拉输出形式,可直接驱动MOS管;内部含有欠压锁定电路、软启动控制电路、PWM锁存器,具有过流保护功能,频率可调,同时能限制最大占空比。其2个输出分别接2个MOS管控制其开断,为了提高对推挽式DC/DC高频升压过程有效的控制,提高频宽调制的准确性,相应设计了检测电路,检测输出电流、电压,然后反馈到控制芯片。检测电路包括偏磁检测电路、电压反馈采样电路、电流反馈采样电路。SG3525控制模块结构如图3.

图3 SG3525主控芯片框图
3 DC/AC控制模块
3.1 TMS320F240控制核心
TMS320F240是美国TI公司的定点式数字信号处理器芯片,硬件架构以16位为基本数据处理单元,它集成了高性能DSP内核,并且有着丰富的外设功能,处理速度快。DSP系统的外围电路包括时钟电路、复位电路、电源电路等,配合各种信号检测电路、驱动电路,以达到对逆变系统的波形控制、脉宽调制、故障保护等要求,其结构图如图4.

图4 TMS320F240主控芯片框图
3.2电压和电流检测电路
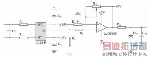
(1)电网电压过零检测电路
逆变后交流电的电压必须与电网电压同相、同频才能并网,因此要对输出电压进行锁相控制。由于输出的电压信号为正弦波,而控制芯片只能识别TTL电平信号,因此需要一个电路将正弦波信号转换为控制芯片可以识别的TTL电平信号。本设计中用LV25P电压传感器,将电网电压采集并转换成与电网电压等相位的低电压脉冲信号,经过一组比较器电路,可以输出一组与电网电压同相的低压方波信号。当被检测的电网电压超过零点,则输出高电平。电网电压过零检测电路如图5所示。

图5电网电压过零检测电路
电网电压过零检测电路得到的方波信号,经过双施密特反相电路将信号送到DSP芯片的捕获引脚上,捕获单元在检测到上升沿时触发中断,进行锁相。
(2)交流电流检测电路
交流电流检测电路使用CSM300LT闭环式电流传感器,如图6.CSM300LT是应用霍尔效应闭环原理的电流传感器,在电隔离条件下测量交流电流。当交流电通过传感器时,传感器将电流信号转换成电压信号送给信号调理电路,经处理后输入到DSP芯片的管脚。调理电路由RC滤波电路和二组集成运放隔离电路组成。

图6交流电流检测电路
4辅助电源
逆变器的控制电路、信号采集电路及开关管驱动电路等需要不同的适应电源,因此需要一个独立的电源为其供电。所设计辅助电源输出的电压分别为+15V、-15V、+5V三种,采用单端反激式DC/DC拓扑结构,运行稳定、可靠,辅助电源电路的基本电路如图7所示。

图7单端反激式辅助电源
5有源滤波
有源滤波采用二阶带通滤波器,它是由运算放大器和阻容元件组成的一种选频网络,用来滤除逆变过程中产生的高次谐波,其原理是通过设置电路参数允许某一个通频带范围内的信号通过,而比通频带下限频率低和比上限频率高的信号均加以衰减或抑制,如图8.

图8二阶带通滤波器

6结束语
光伏发电作为新能源开发利用的重要内容,对于解决能源和环境问题,有着深远的意义。逆变器是光伏发电过程中的重要环节。文中对逆变系统的拓扑结构进行了研究,设计了以高频升压和全桥逆变为拓扑结构的逆变系统,再配合有源滤波,为太阳能的进一步开发利用起到一定的作用。
射频工程师养成培训教程套装,助您快速成为一名优秀射频工程师...
天线设计工程师培训课程套装,资深专家授课,让天线设计不再难...
上一篇:精度位置控制应用中运用NanoPWM驱动器代替线性驱动器
下一篇:TLV320AIC3204系列DAC直流耦合的应用

