- 易迪拓培训,专注于微波、射频、天线设计工程师的培养
基于LPC2119的配电控制模块设计
火箭炮配电箱在火箭炮作战任务完成过程中起着极其重要的作用,它主要对火箭炮的高低和方向调炮及左右千斤顶放列、撤收进行配电控制。目前,火箭炮配电箱使用的控制器件仍是传统的接触器,这类器件触点在切换过程中极容易出现触点发热、粘接、卡死,造成配电动作失败,存在故障隐患时难以发现;同时,配电箱为减小大功率电机启动时的冲击电流,采用串联启动电阻限流的方法,当电机过载时,极易烧坏启动电阻,造成配电箱无法工作,这些问题严重影响了配电箱的可靠使用,直接影响火箭炮作战任务的完成。基于此,亟需改进火箭炮现有配电箱,设计新型智能配电箱来解决现有配电箱存在的问题,使火箭炮配电朝着自动化和智能化方向转变。配电控制模块是智能配电箱的控制单元,本文基于LPC2119设计配电控制模块。
配电控制模块总体设计
智能配电箱主要由配电控制模块、智能配电模块、CAN总线通信模块和LIN总线通信模块等组成。配电控制模块是智能配电箱的控制单元,主要负责管理智能配电模块,监控用电负载的运行状态,同时通过双CAN冗余通道与上位机进行数据通信,实现火箭炮配电箱的数字化、智能化管理。配电控制模块结构组成如图1所示,它以嵌入式微处理器LPC2119为控制核心,主要由CAN收发器、LIN收发器、输入接口、输出接口和电源模块等组成。

图1配电控制模块结构组成图
配电控制模块选用ARM7TDMI版本的LPC2119微处理器作为控制核心,该微处理器将许多外围功能集成到了芯片内部,性价比高;选用存储器FM24C64存储智能配电模块的配置参数信息;配电控制模块各种通信接口由专用的接口芯片来负责处理;CAN总线接口主要负责与上位机进行信息交互,LIN总线接口主要负责控制和管理智能配电模块;串口部分主要预留系统升级、信息配置、读取及修改等。
配电控制模块上电后,从存储器中读取配电箱配置信息,根据信息对智能配电模块进行核对和识别,完成信息分配初始化工作;实时扫描智能配电模块输出电流、电压和温度参数,响应CAN总线显示控制命令,上传配电箱工作状态信息至上位机。配电控制模块主要性能包括:①通讯协议采用CAN 2.0B,具有两路CAN通讯接口,实现CAN总线的冗余备份;②具有LIN通讯接口,通讯协议采用LIN 2.0,实现对所有智能配电模块的控制;③自动识别智能配电模块,进行模块参数自动下载,方便快速更换、维修智能配电模块;④上位机通过CAN总线可以访问配电控制模块,实现对智能配电箱的维护和检修;⑤微处理器通过CAN总线可以上传配电状态参数和配电箱故障信息等。
微处理器LPC2119选型
嵌入式微处理器是配电控制模块的核心部件。本文在综合考虑CAN总线和LIN通信要求,以及处理器性价比、功能完善等方面因素的基础上,选择Philips公司的LPC2119微处理器作为配电控制模块的核心。LPC2119是一个支持实时仿真和跟踪的32位ARM7TDMI-S核,并带有128K片内FLASH、16K SRAM、双CAN总线控制器、片内Boot装载程序实现ISP和IAP、2个UART通用串口等。LPC2119满足本设计对存储、CAN总线和LIN总线的收发以及参数设置等需求,并且双CAN总线控制器为系统的冗余设计提供了方便,LPC2119将处理器内核与CAN控制器模块集成在一起,增强了该芯片的功能,不仅使CAN总线的通讯具有更高的可靠性,而且在硬件电路设计时不需再考虑选用何种CAN控制器,只需增加CAN收发器即可实现CAN总线通信,简化了硬件结构,降低了成本。
存储器电路设计
本设计选用存储器FM24C64存储智能配电模块的配置参数信息,FM24C64是采用先进的铁电技术制造的64K位非易失性存储器。铁电随机存储器(FRAM)具有非易失性,且可以像RAM一样快速读写,数据在掉电后可以保存十年,相比EEPROM或其他非易失性存储器,FRAM具有可靠性高、结构简单等诸多优点。与EEPROM系列不同的是,FM24C64以总线速度进行写操作,无须延时,数据发到FM24C64后直接写到具体的单元地址,下一个总线操作可以立即开始。FM24C64可以支持1万亿次读写次数,是EEPROM的1百万倍。
FM24C64非易失性铁电随机存储器的特性包括:①工作电压为5V;②动态工作电流为150μA;③总线速度可以达到1MHz;④可以直接替换EEPROM;⑤向上兼容100K和400K总线速度。这些特性使得FM24C64满足配电控制模块非易失性要求,使存储具有更快的写操作速度和更少的系统开销。FM24C64采用工业标准两线接口,8脚SOP封装,操作温度范围为-40℃~+85℃。配电控制模块采用铁电存储器FM24C64(8KB),主要是作为数据存储器,FM24C64与LPC2119的电路连接如图2所示。

图2 FM24C64与LPC2119的电路连接图

图3 MAX3232与LPC2119的电路连接图
RS232通信接口电路设计
RS232标准是美国电子工业联合会制定的一种串行物理接口标准,广泛应用于计算机与终端或外设之间的近端连接。实际工作时,为了能够与TTL器件连接,必须在RS232与TTL电路之间进行电平和逻辑关系的转换;输出、输入信号都要分别经过电平转换器,进行电平转换后才能送到连接器或从连接器上接收。本配电控制模块选用电平转换芯片MAX3232进行电平转换,MAX3232芯片与LPC2119的电路连接如图3所示。LPC2119内部集成2个的通用异步收发器UART单元,提供了两个独立的异步串行I/O口。MAX232内部有电压倍增电路和转换电路,只需3.3V电源便可实现TTL电平与RS232电平的转换,设计简单、可靠性高。
CAN总线接口电路设计
CAN控制器是CAN通信的核心,CAN的通信底层协议的转换主要由CAN控制器和CAN收发器实现。对于不同型号的CAN总线通信控制器,实现底层协议部分的电路结构和功能基本相同,而与微处理器接口部分的结构和方式存有不同。
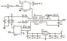
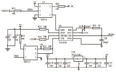
在本配电控制模块的CAN总线通信接口中采用CTM1050T总线接口模块。CTM1050T为隔离型CAN收发器模块,内部包含隔离电路、CAN收发器、总线保护和电源电路,CTM1050T主要是将CAN控制器的逻辑电平转换为CAN总线的差分电平,且具有隔离功能、ESD保护功能以及TVS管防总线过压功能。CTM1050T是CAN协议控制器和物理总线之间的接口。CAN总线接口电路如图4所示,LPC2119与CTM1050T模块构成的CAN节点具有设计简单、稳定可靠的特点,能够实现CAN总线上各节点在电气、电源上完全隔离和独立。由图4可知,在设计过程中CTM1050T与CAN总线的接口部分采用了一定的安全和抗干扰措施。为了保护CTM1050T免受过流的冲击,CTM1050T的CANL和CANH引脚各自通过一个5Ω的电阻和滤波电感与CAN总线相连,电阻可起到一定的限流作用;为了滤除总线上的高频干扰和预防电磁辐射,CANL和CANH与地之间并联了两个30P的小电容。当CAN总线有较高的电压时,通过二极管的瞬态击穿可起到一定的过压保护作用,因此,在两根CAN总线接入端与地之间分别反接了一个保护二极管。CTM1050T模块的TXD、RXD引脚兼容+3.3V、+5V的CAN控制器,不需外接其他元器件,直接将+3.3V或+5V的CAN控制器发送、接收引脚与CTM1050T模块的发送、接收引脚相连接。

图4 CAN总线接口电路图
LIN总线接口电路设计
在配电控制模块的LIN总线通信接口中采用TJA1020作为总线数据收发器件,TJA1020收发器是LIN传输媒体之间的接口协议控制器和LIN主机/从机协议控制器,配电控制模块充当LIN网络的主节点,通过UART1串口连接到LIN收发器TJA1020,然后再由TJA1020连接到LIN物理总线上。TJA1020输入引脚TXD的发送数据流被LIN收发器转换成总线信号并且电平翻转速率和波形都受到限制,以减少电磁辐射。TJA1020的接收器检测到LIN总线上的数据流并通过RXD引脚将它传送到协议控制器。LIN收发器TJA1020的主要特性是:①波特率最高达20kbps;②高抗电磁干扰性,极低的电磁发射;③未通电状态下的无源特性;④在睡眠模式下电流消耗极低,可实现本地或远程唤醒;⑤短路保护和过热保护等。本设计采用LPC2119处理器的UART1作为LIN总线通讯接口,选用TLP113高速光耦进行信号隔离传输,LIN总线接口电路如图5所示。

图5 LIN总线接口电路图

图6 +15V控制电源电路图
[p] 控制电源电路设计
根据配电控制模块的工作要求,模块需要电源提供+15V、+3.3V以及+1.8V的电压。在进行配电控制模块所需的+15V电源电路设计时,为提高电源稳定性,选用COSEL的电气隔离型SFS152415 DC/DC电源模块,+15V控制电源电路如图6所示。
+3.3V和+1.8V电源电路如图7示,分别选用3.3V和1.8V的SPX1117系列线性稳压芯片得到模块需要的+3.3V和+1.8V电源,选用COSEL的SUS32405型号DC/DC电源模块控制电源电气隔离,以提高电源系统的抗干扰能力。

图7 +3.3V和+1.8V控制电源电路图
结束语
本文基于LPC2119微处理器设计了配电控制模块,首先给出了配电控制模块的总体设计,然后介绍了微处理器LPC2119的选型,最后阐述了模块的电路设计,包括存储器电路、RS232通信接口电路、CAN总线接口电路、LIN总线接口电路以及控制电源电路。该配电控制模块为火箭炮武器装备数字化、自动化和智能化奠定了基础,在武器装备配电领域具有广阔的应用前景。
射频工程师养成培训教程套装,助您快速成为一名优秀射频工程师...

