- 易迪拓培训,专注于微波、射频、天线设计工程师的培养
一种大功率可再生能源的应用现状设计和实现
1研究现状
现在新型的大功率可再生能源为风能和太阳能。新型风机单台的平均功率已经超过了2MW,并且有5MW的投入使用。在过去几年里,太阳能也从单机0.5MW提高到现在的单机1MW+.10MW的光伏发电站最为常见,同时高达60MW的电站也已经在运行。两者都需要通过逆变器连接到电网上,也都需要通过滤波器向电网提供低THD的正弦电流。
风机在发电侧有一个boost特性的变换器,将变化的发电侧电压变换为恒定直流电压使得并网逆变器可以最优化运行。与此相似,太阳能电池板向变换器提供和光照强度、环境温度、负载电流和功率成正比的电压。该可变输入电压范围超过1:2.通常大功率光伏并网逆变器不使用额外的前端变换器。
功率转换效率在所有参数中最为重要。现在,电力电子在风机中使用1200V和1700V硅元件,在太阳能电池中使用1200V硅元件(对于小功率单相电源使用600V)。通过选择合适的硅器件,使用更先进的半导体技术,可以减小变换器的损耗以提高系统的效率。本文并不讨论这些,因为在未来5到10年里,如果没有太大变化,IGBT仍然是首选的电力电子器件。
基于双馈感应电机的风机结构已经不再流行。所有使用双馈原理的风机厂商正在发展基于直驱式和传统四象限驱动的电机。
对于将两个串行的电力电子变换器放置在一个直驱式结构,风机变换器的效率可以达到96%~97%.这个效率是发电机的输出通过dV/dt滤波器、发电机侧变换器、直流母线、并网逆变器以及输出正弦滤波器后的效率。电力变换器的大小由价格和可靠性的需求决定。
可靠性也是一个很重要的因素。风车不能够停止工作,停止转动。为此,所有的元器件都需要良好的性能,同时也需要对结构进行设计,以使得当一个器件出现故障时还能够继续运行。对于几个MVA的大容量逆变器电源,需要很多数量的半导体芯片和开关模块的并联。
1.1 IGBT模块并联运行的解决方案
IGBT(Insulated Gate Bipolar Transistor),绝缘栅双极型晶体管,是由BJT(双极型三极管)和MOS(绝缘栅型场效应管)组成的复合全控型电压驱动式功率半导体器件, 兼有MOSFET的高输入阻抗和GTR的低导通压降两方面的优点。GTR饱和压降低,载流密度大,但驱动电流较大;MOSFET驱动功率很小,开关速度快,但导通压降大,载流密度小。IGBT综合了以上两种器件的优点,驱动功率小而饱和压降低。非常适合应用于直流电压为600V及以上的变流系统如交流电机、变频器、开关电源、照明电路、牵引传动等领域。
IGBT 的开关作用是通过加正向栅极电压形成沟道,给NPN晶体管提供基极电流,使IGBT 导通。反之,加反向门极电压消除沟道,切断基极电流,使IGBT 关断。IGBT 的驱动方法和MOSFET 基本相同,只需控制输入极N一沟道MOSFET ,所以具有高输入阻抗特性。当MOSFET 的沟道形成后,从P+ 基极注入到N 一层的空穴(少子),对N 一层进行电导调制,减小N 一层的电阻,使IGBT 在高电压时,也具有低的通态电压。三菱制大功率IGBT模块
(1)逆变器每一相为一个单元,每相有很多个IGBT模块并联,它们共用一个驱动。每个IGBT模块都有独立的门极电阻和对称的DC和AC连接。作为一个成功的例子,SEMIKUBE IGBT模块已经运用在太阳能领域。
(2)几个逆变器的相单元并联,分别使用独立的驱动。由于不同驱动的延时不同,需要小的AC输出的扼流圈。(SKiiP IPM 功率模块的并联)
(3)三相系统并联到一根直流母线上,每一相也有几个模块并联,每个系统使用独立的驱动。对于更大的功率,需要将几个三相逆变器并联使用。由于不同驱动延迟不同,依然需要AC输出的扼流圈。可以使用一个PWM信号和直流母线。
(4)三相逆变器并联运行,使用一个PWM控制器,需要额外控制并联逆变器的负载电流分配。(复杂PWM控制)
(5)使用低延迟的主从驱动,可以驱动几个并联运行的模块。不需要添加额外的电感,而且当一个半导体芯片损坏时,只会损坏一个开关模块。
(6)带有输入或输出端电流隔离的逆变器并联运行。其中每一个并联支路都是一个标准的、独立的、基础的单元,有不同的PWM和独立的控制器,如图1.
在一些风机结构中,发电机、整条驱动和中压变压器都被放在一个机舱中。这种情况下,机舱总重量会很大,但这却是使得低压发电机和中压电网间传输损耗可以被接受的唯一的方法。在另一些设计中,风机的驱动系统被置于底部,即塔的基部。电能在低压情况下传输距离达到100m,这会带来更高的损耗和成本。
标准的工业上基于硅技术的1700V IGBT模块对于1MW的三相逆变器必须并联使用;现阶段最大的单个三相逆变器为1.5 MW.因此对于几个发电机绕组,可以将独立的驱动系统简单的并联。同时,其可靠性要高于将同样数量的模块经过复杂并联后组成一个更大功率的变换器(见图1)。

图1 有3个发电机绕组和独立驱动系统的风机结构
1.2 风力发电机
风车是一种利用风力驱动的带有可调节的叶片或梯级横木的轮子所产生的能量来运转的机械装置。古代的风车,是从船帆发展起来的,它具有6-8副像帆船那样的篷,分布在一根垂直轴的四周,风吹时像走马灯似的绕轴转动,叫走马灯式的风车。这种风车因效率较低,已逐步为具有水平转动轴的木质布蓬风车和其它风车取代,如"立式风车"、"自动旋翼风车"等。风车在如今已很少用于磨碎谷物,但作为发电的一个手段正在获得新生。"装有发电涡轮机的农场"是由驱动发电机的大型风车组构成的。近代风车主要用于发电,由丹麦人在19世纪末开始应用,20世纪经过不断改进趋于成熟,功率最大达到15MW.
发电机的一些要求,例如最小尺寸、脉动转矩和短路转矩,尤其对于低速直驱发电机,导致需要使用较多的相绕组,例如使用两套,三套或六套三相绕组。一般不使用5相、7相或者更高相数的多相系统,因为三相逆变器和控制器都是已经标准工业化的。几兆瓦发电机传统需要中压输出。但是中压输入和输出系统对于中压电力电子器件的使用提出了要求。现在中压并网变换器开关频率几千赫兹,效率很低而且每千瓦的花费也很大。
1.3 无功功率控制
可再生能源电源还有以下要求:有功控制,无功控制,低电压穿越以及不经常提到的非对称电网电压运行。
可再生能源电源的无功控制首先使用于风机中,最近在光伏中开始运用。它导致连接线端逆变器的直流母线电压更高。
1.4 线端逆变器工作原理
逆变器(inverter)是把直流电能(电池、蓄电瓶)转变成交流电(一般为220v50HZ正弦或方波)。应急电源,一般是把直流电瓶逆变成220V交流的。通俗的讲,逆变器是一种将直流电(DC)转化为交流电(AC)的装置。它由逆变桥、控制逻辑和滤波电路组成。广泛适用于空调、家庭影院、电动砂轮、电动工具、缝纫机、DVD、VCD、电脑、电视、洗衣机、抽油烟机、冰箱,录像机、按摩器、风扇、照明等 .高效率和节能是家电应用中首要的问题。三相无刷直流电机因其效率高和尺寸小的优势而被广泛应用在家电设备中以及很多其他应用中。此外,由于采用了电子换向器代替机械换向装置,三相无刷直流电机被认为可靠性更高。
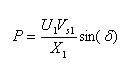
PWM变换器中的能量流动控制通过调整相移角δ实现,它是电源电压U1和对应变换器的输入电压Vs1之间的相角差。
当U1领先Vs1时,电能从交流电源流向变换器。相反的,如果U1滞后 Vs1,电能从变换器的直流端流入交流电源。电能传输方程见公式(1)。

交流电源功率因数可以通过控制Vs1的幅值来调节。每相等效电路和功率因数超前、滞后以及单位功率因数时的运行如图2所示。通过相图可以看到,当功率因数为1时,Vs1满足


图2 并网逆变器每相等效电路,单位功率因数以及超前和滞后功率因数的相图
2新型设计方案
2.1大功率风机逆变器单元串联
风机设计中采用基于独立发电机绕组的直驱式变换器有很多优势,但也有一个大缺陷。在发电机和变换器之间需要更多电缆--三套三相绕组设备。为此所有变换器需要放置在机舱中靠近发电机的地方。对于大功率低电压的情况,发电机电流远大于1500A.一个很好的方法是使用中压同步发电机并且只用一个二极管整流器。然而,在这种情况下,直流母线电压变化很大(1:2),并且需要中压的硅器件。风机需要在最小的旋转速度和最小的直流电压下都可以产生电能。例如对于1000V直流电,输出到中压变压器上的电压相对较小,为660V.与此同时,直流母线电压可能超过2kV.
对于并网逆变器,一种合理的解决方案是将逆变器串联,这样可以对可变的发电机整流电压进行分压。这些并网逆变器接到中压变压器的初级绕组上,独立的维持其直流母线电压。对于更低的发电机电压,其中一些单元必须旁路掉,使得单元总的等效电压减小并对应于发电机电压。风机转矩的要求实际上是对发电机电流的要求;因此可以将其与真实的直流电流比较。如果需要的转矩比实际的直流电流大,则旁路的时间总和更大,更多的单元需要被旁路掉,这样等效反电势减小,直流电流增大。
每一个使用的并网逆变器控制并保持输入直流电压恒定,例如1000V,它们都连接到变压器的初级绕组上。如果直流电压高于一个设定值,放电电流增大。并网逆变器可以是单相和三相单元。单相单元只有一个变压器绕组。发电机发出的中压电经过整流,例如十几千伏,供电给串联起来的这种逆变器单元。其中一些单元有输入旁路开关,可以对直流母线进行控制。另一些则没有旁路开关,它们总是串联着,其电压之和对应于最小的发电机电压。
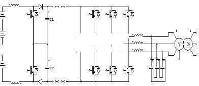
这里给出一个兆瓦级风机的功率转换方案,包括中压同步发电机、机舱中的二极管整流器、高效的中压直流电压传输装置、线端中压逆变器和高压并网变压器(见图3)。使用几个单元对变化的发电机输出电压分压。每个单元有一个三相或者单相的并网逆变器,分隔变压器绕组和直流母线电容。中压发电机的电流对直流母线充电并输入功率,变换器将能量输出。因此,直流母线电压要保持恒定,因为它决定了直流母线对电网的放电电流。单元输入处为一个半桥配置,例如经典的升压变换器,但它只当作旁路开关使用。如果发电机电压低于串联单元的电压之和,发电机的电流应该减小。为此,更多的单元需要被旁路,减小串联单元的数目,增加发电机电流。

图3 中压发电机和由几个单元串联构成的中压并网逆变器
2.2光伏应用
光伏(PV or photovoltaic)是太阳能光伏发电系统(photovoltaic power system)的简称。是一种利用太阳电池半导体材料的光伏效应,将太阳光辐射能直接转换为电能的一种新型发电系统,有独立运行和并网运行两种方式。光伏板组件是一种暴露在阳光下便会产生直流电的发电装置,由几乎全部以半导体物料(例如硅)制成的薄身固体光伏电池组成。由于没有活动的部分,故可以长时间操作而不会导致任何损耗。简单的光伏电池可为手表及计算机提供能源,较复杂的光伏系统可为房屋提供照明,并为电网供电。 光伏板组件可以制成不同形状,而组件又可连接,以产生更多电力。近年,天台及建筑物表面均会使用光伏板组件,甚至被用作窗户、天窗或遮蔽装置的一部分,这些光伏设施通常被称为附设于建筑物的光伏系统。
光伏应用中一般只有一个电力电子并网逆变器(GTI)。GTI的交流输出电压和最小直流输入电压成正比,该最小直流输入电压是和最小光照成正比的启动光伏电压。如果选择的交流输出电压越低,则额定功率对应的电流越高,然而启动电压会越低。为此需要对交流输出电压做一个折衷:一些产品使用3×270V,另一些使用3×328V.
当光伏电压/输出交流电压较低时,可以利用很小的能量,当交流输出电压设计得较高则无法利用这部分能量。在光伏应用中,GTI只工作在约1/2额定输出电压下。1200 V硅器件是一个发展,它使得输入输出交流电压可以达到480V,而现在的光伏应用中通常使用270V到330V.这样运行效率更低,因为其与调制比M,即Vac与Vdc的比值,密切相关。对于400Vac/650Vdc或者480 Vac/800Vdc,效率很接近而且都大于现在使用的270Vac/(500…900 Vdc)(见图4)。

图4 不同功率下GTI的效率;Fsw=5kHz
[p]2.3带有前端控制的光伏并网逆变器
在此介绍一种兆瓦级光伏装置的功率转换方案(见图5),包括太阳能电池板、紧接电池板的对称升压变换器前端控制、连接到逆变器的直流传输线、工业化的并网变换器、正弦滤波器以及标准中压线电压的变压器。

图5升压变换器和并网逆变器
逆变器输入电压优化至交流变压器的输入电压,调制比M约为1.
美国应用实例:图5所示电路,光伏输出电压在200V-600V的范围内;升压输出/传输电压800V直流电压;最后输出3×480V交流电到变压器上。前端控制的硅器件为600V,逆变器中为1200V.当光伏电压为400V时,直流输电线上损耗只占1/4.要求电池板输出的纹波电流相对小,可以增加电池板和前端控制间的电感,同时也需要提高开关频率。连接电缆的电感对于减小电流纹波有帮助。100m的连接电缆电感值超过0.1mH.
欧盟应用实例:光伏电压变化范围在400-900V间,前端升压变换器产生650V电压,输出3×400V交流电;或者产生800V电压,输出3×480V交流电。当光伏电压高于650V或者800V时,升压变换器停止工作,GTI的输入电压即为光伏电压。
前端升压变换器交替输出正二分之一和负二分之一的输出电压,当上部和下部的IGBT都只导通一半的开关时间,即180度电角度,则作为倍压变换器运行。这种运行方式有很大优势,太阳能电池板输出电流恒定,不需要再增加额外的大电感作为L1和L2,使用50-100m的连接电缆即可。
这个优势导致该方案如图6所示。

图6倍压变换器,第二个旁路或升压变换器,两个使用多重化PWM的GTI
光伏电压总是可以翻倍,即在800~1800V范围内。对于GTI中使用的低压硅器件,1800V是一个过高的电压,我们可以使用中压风机中使用的方法,将两个单元串联。旁路电路可以安装在靠近倍压变换器的地方,它为两个串联的逆变器调整需要的直流电压。通过这种方法,直流传输线上的电压最高将会比光伏输出电压提高4倍。
例1:光伏电压为400-900V;倍压后为800-1800V;第二个升压输出/直流传输线电压/逆变器电压为1600-1800V,最后向变压器提供2份3向480V交流电,高于1600V后不再有升压效果。所有开关为1200V.
例2:光伏电压为400-900V;倍压后为800-1800V;第二个升压输出/直流传输线电压/逆变器电压为2200V=2×1100V,最后向变压器提供2份3向690V交流电。倍压变换器硅器件电压等级为1200V,剩下的IGBT和二极管为1700V.如果载波开关频率低于4kHz,使用1700V硅器件的逆变器效率高于1200V.
当使用2200V传输电压时,传输线损耗比传统的直接与550V光伏电压相连的情况减小了16倍(使用相同的连接电缆)。
两个功率和相电流大小都相同的并网逆变器与电绝缘绕组相连。这样可以很容易的使用多重化PWM.对于两个逆变器的并联运行,使用多重化PWM时,会有1/2开关周期即180度角度的相移。
使用这种方法,正弦滤波器的体积大大减小,且只有一个电感值L.图8中的仿真结果显示了1号和2号逆变器的电流,此时开关载波频率只有1 kHz,THD=19%,两个逆变器的电流和即为并网电流,THD很小只有3.8%.

图7上端逆变器相电流;下端逆变器相电流,THD=19%,并网电流THD=3.8%;滤波器电感L_total=12%;Fsw=1kHz
使用多重化PWM优点明显。只需使用一个电感构成的低通滤波器与变压器的漏电感共同作用即可。变压器漏电感对应于变压器uk=4%时的短路电流。L_total=12%.
一个并网逆变器的正弦滤波器,电感标幺值为12%,电流THD需要小于4%,开关载波频率高于6kHz.
3结论
风机中电力电子器件只使用1700V的IGBT和二极管。基于双馈感应电机的风机结构已经不再流行。使用两个背靠背逆变器的全功率结构成为主要研究方向。发展中的风机功率等级为3-5MW.运用2个、3个甚至6个3相发电机绕组,使用同样数量的独立驱动装置,独立控制装置,可以提供很高的模块化功率,也可以在有故障发生时,提供冗余的运行方式。
风机的新型设计方案为一个中压发电机与中压并网逆变器相连,中压并网逆变器通过一串可以旁路的低压并网逆变器单元实现,低压并网逆变器接到中压变压器独立绕组上。
太阳能应用基于1MW的并网逆变器,可以直接与太阳能电池板相连。
太阳能应用中,主要针对于获得更高的系统效率。由一个倍压变换器和两个串联的逆变器单元构成。直流传输电压提高了4倍,逆变器调制比为1,使用多重化PWM进行控制,大大简化了输出滤波器。
射频工程师养成培训教程套装,助您快速成为一名优秀射频工程师...

