- 易迪拓培训,专注于微波、射频、天线设计工程师的培养
单片机的恒流源技术研究
直流恒流源的输出电流,是相对稳定而非绝对不变的,它只是变化很小,小到可以在允许的范围之内。产生变化的原因是多方面的,主要有以下几个因素:(1)电网输入电压不稳定所致 电网供电有高峰期和低谷期,不可能始终稳定如初。(2) 由负载变化形成的 比如负载短路,负载电流会很大,电源的输出电压会趋于接近于零,时间一长还会烧坏电源。(3)由稳定电源本身条件促成的 构成稳定电源的元器件质量不好,参数有变化或完全失效时,就不可能有效地调节前两种原因引起的波动。(4)元器件因受温度、湿度等环境影响而改变性能也会影响稳定电源的输出不稳。恒流源设计中主要针对以上第3 和第4 个因素设计了基于数字控制的直流恒流源,可以提高恒流源输出电流的稳定性。
1 数字控制直流电流源系统工作原理
本论文设计了基于单片机的数控恒流源,该系统由恒流源主电路和单片机最小系统组成,其中单片机最小系统主要由单片机控制单元、A/ D 和D/ A 转换模块以及负载及键盘显示模块组成,系统结构框图如图1所示。单片机控制系统以单片机AT89S52 为核心[1] ,高精度12 bit A/ D 芯片AD1674 实现采样输入,12 bitD/ A 芯片DAC1230 产生控制输出,实现了输出电流的精确设定和检测,系统还设置了串口通讯功能。
技术指标:输入电压180 V ~250 V/50 Hz,输出电流范围为20 ~2 000 mA,具有" +"、" -"步进调整功能,步进<=10 mA;输出电流最大偏差小于1 mA,纹波电流小于0. 05 mA.数控直流电流源系统框图如图1 所示。
图1 数控直流电流源系统框图
1. 1 恒流源主电路设计
恒流源电路原理结构图如图2 所示,由于D/ A转换输出的模拟信号不稳定,加上C3 稳定电压。经过3.6 K 的电阻和1 K 的电位器加到单运放OP07 的同相输入端,调节电位器的阻值的大小可调节同相输入端的电位,从而改变输出点的电位,输出电位加到达林顿管的B 管脚上,进入达林顿信号产生自激信号,通过C1过滤掉。利用达林顿管的电流放大特性,可实现大电流的输出,电流放大倍数为1 000 ~15 000倍。
图2 恒流源主电路原理结构图
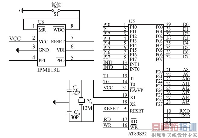
1. 2 单片机最小系统设计
数控电路组成包括单片机最小系统、A/ D 采样输入电路和D/ A 控制输出电路。其中数控直流电流源的控制电路采用单片机最小系统对电路各部分进行控制。最小系统由MCU、采样输入、控制输出、串口通讯电路及复位电路、键盘、显示电路组成。
单片机最小系统图如图3 所示。MCU 选用ATMEL公司的AT89S52 单片机。AT89S52 是一种低功耗、高性能的CMOS 工艺的8 bit 单片机,与标准MCS51 的引脚和指令完全兼容。其外接晶振频率范围为0 Hz ~33 MHz,内置256 B 片内RAM,3 个16 位定时器/ 记数器,片内看门狗。其性能好于我们常用的89C52 系列单片机。
图3 单片机最小系统电路图
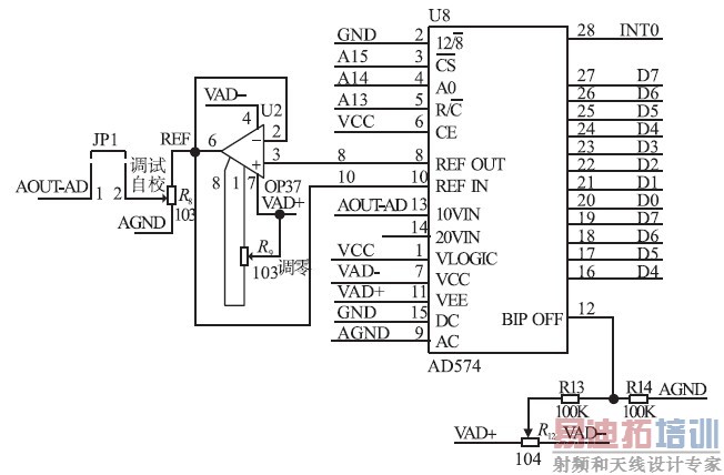
1. 3 A / D 采样输入电路设计
A/ D 采样输入电路如图4 所示。为了满足取样精度需要,我们选择12 bit A/ D 转换器和12 bitD/ A 转换器,使步进小于1 mA,在电路中A/ D 启动后,先读高8 位结果,再读后4 bit;D/ A 是先写入高8 bit,再写入低4 bit.
图4 A/ D 采样输入电路
1. 4 D / A 采样电路设计
D/ A 控制输出电路如图5 所示。该单片机的输入信号为经过12 bit 的A/ D 转换器的数字量,送入单片机处理后产生输出数字量经D/ A 转换后送入恒流源,因而这种数控恒流源的精度最终取决与电路中A/ D 和D/ A 转换器的转换精度。
图5 D/ A 控制输出电路
1. 5 系统控制算法软件实现
采用数字控制策略比模拟控制的有无可比拟的优势:实现不同的控制算法;数字PID 具有设计周期短,调试和升级方便。数字控制系统主程序图如图6 所示。在系统加电后,主程序首先完成系统初始化,其中包括A/ D、D/ A、串行口、中断、定时/ 计数器等工作状态的设定,给系统变量赋初值,显示上次设定值等。然后扫描获取键值,判断设定键、校准键是否按下,执行相应的功能子程序。当启动键按下后,根据设定值、校正等参数计算对应输出的数字量,再进行闭环反馈调整,如图6 所示。
图6 系统主程序流程图
2 实验结果及分析
电源稳定度测试数据如表1 所示。其中电源稳定度是指在容许电网波动范围条件下,对输出电流稳定度的影响。测试条件为I0 =1 000 mA,RL =3Ω,测试数据表明电网电压在180 V ~250 V 波动时,输出电流最大偏差为0.99 mA,纹波电流小于0.05 mA,输出电流和纹波电流均达到设计要求。
表1 电源稳定度测试数据
负载稳定性测试条件为U0 =220 V/50 Hz,I0 =1000 mA,测试数据如表2 所示,其中负载稳定度是指一定的工作情况下,负载变化引起的输出电流变化。测试数据表明负载在0 ~10 赘变化时,输出电流最大偏差为0. 99 mA,纹波电流小于0. 05 mA.
表2 负载稳定性测试数据
3 结论
本论文设计了基于单片机控制的直流恒流源,用单片机代替模拟控制芯片具有以下优势:(1)单片机控制电路的应用,减少了控制电路的外围电路,减少了恒流源的重量和体积。(2)数字化处理和控制,可避免模拟信号传递的畸变、失真,减少杂散信号的干扰;(3)该数字控制电路相对于模拟控制电路具有输出电流恒定,精度高且外置数码显示功能。本文对数控恒流源的研究为国内直流恒流源的发展提供了一个思路。
射频工程师养成培训教程套装,助您快速成为一名优秀射频工程师...

