- 易迪拓培训,专注于微波、射频、天线设计工程师的培养
优化PCB布局可提升转换器性能
对于开关模式转换器而言,出色的印制电路板(PCB)布局对获得最佳系统性能至关重要。若PCB设计不当,则可能造成以下后果:对控制电路产生太多噪声而影响系统的稳定性;在PCB迹线上产生过多损耗而影响系统效率;造成过多的电磁干扰而影响系统的兼容性。
ZXLD1370是一款多拓扑开关模式LED驱动控制器,每个不同的拓扑结构中都嵌有外部开关器件。该LED驱动器适用于降压、升压或降压-升压模式。
本文将以ZXLD1370器件为例,讨论PCB设计的考虑因素并提供相关建议。
考虑迹线宽度
对于开关模式的电源电路,主开关和相关功率器件载有大电流。用于连接这些器件的迹线具有与其厚度、宽度和长度相关的电阻。电流流经迹线时产生的热量不仅会降低效率,而且会使迹线的温度上升。为了限制温升,确保迹线宽度足以应对额定开关电流非常重要。
以下方程显示了温升与迹线横截面积之间的关系。
内部迹线:I=0.024×dT0.44×A0.725
外部迹线:I=0.048×dT0.444×A0.725
其中:I=最大电流(A);dT=高于环境的温升(℃);A=横截面积(mil2)。
表1显示了相对电流容量的最小迹线宽度。这是基于1oz/ft2 (35μm)铜箔在迹线温度升高20oC下的统计结果。

表1:外部迹线宽度与电流容量(20oC温升)。
对于用表贴器件设计的开关模式功率转换器应用而言,PCB上的铜面亦可用作功率器件的散热器。因传导电流引起的迹线温升应被降到最低。建议把迹线温升限制在5oC以下。
表2显示了相对电流容量的最小迹线宽度。这是基于1oz/ft2 (35μm)铜箔在迹线温度升高5oC下的统计结果。

表2:外部迹线宽度与电流容量(5oC温升)。
考虑迹线布局
必须合理设计迹线布局,才能达到ZXLD1370 LED驱动器的最佳性能。以下指引可以让基于ZXLD1370的应用设计无论是在降压模式还是升压模式下都能获得最大性能。
降压模式
图1显示了ZXLD1370在降压模式下工作的典型原理图。主要开关回路由Q1、D1、L1及输入去耦电容C3、由LED形成的负载、输出滤波电容C5和检测电阻组成。

图1:ZXLD1370降压LED驱动器的原理图。
C2是ZXLD1370的去耦电容电源轨。要保障ZXLD1370的稳定工作,C3应以最短的PCB迹线长度,直接与ZXLD1370的VIN和GND脚相连。
为说明开启和关闭阶段的电流方向,图2对原理图进行重新绘制,将开关电路放在了原理图的右边。

图2:ZXLD1370降压LED驱动器的开关电流回路。
在开启阶段(Q1开启),关闭阶段遗留的电感电流将流过主开关Q1。开关电流路径的突变将使导线(在图中以紫色突出显示,即Q1漏极和D1阴极之间的导线、Q1源极和C3之间的导线以及D1和C3之间的导线)内产生较大的电流变化(di/dt)。
在关闭阶段(Q1关闭),开启阶段存储的电感电流将流过续流整流器D1。开关电流路径的突变将使紫色突出显示的相同导线内产生较大的电流变化(di/dt)。
由开关产生的尖峰电压的大小与突出显示的迹线的电阻和寄生电感有关。要把开关产生的尖峰电压降到最低,就需要确保这些迹线够短、够宽。
图3显示了具备所有功率器件的降压PCB布局。该布局示例具有以下特点:尽可能使Q1、D1和C3之间的迹线达到最短,这有助于减少迹线的电阻和寄生电感产生的噪声;所有迹线都位于PCB的同一侧,这有助于减少任何经由过孔产生的噪声。

图3:ZXLD1370降压LED驱动器的PCB布局示例。
升压模式
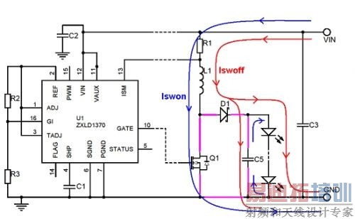
图4显示了ZXLD1370在升压模式下工作的典型原理图。主要开关回路由Q1、D1、感应电阻R1、L1及输入去耦电容C3、由LED形成的负载和输出滤波电容器C5组成。

图4:ZXLD1370升压LED驱动器的原理图。
C2是ZXLD1370的电源轨去耦电容。为确保ZXLD1370稳定工作,C3应以最短的PCB迹线长度,直接与ZXLD1370的VIN的GND脚相连。
为说明开启及关闭阶段的电流方向,图5对原理图进行重新绘制,将开关电路放在了原理图的右边。

图5:ZXLD1370升压LED驱动器的开关电流路径。
在开启阶段(Q1开启),关闭阶段存储的电感电流将流过主开关Q1。开关电流路径的突变将使导线(在图中以紫色突出显示,即Q1漏极和D1阴极之间的导线、Q1源极和C5之间的导线以及D1和C5之间的导线)内产生较大的电流变化(di/dt)。
在关闭阶段(Q1关闭),开启阶段保存的电感电流将通过不受限制的整流器D1。开关电流路径的突然转变亦会使同一组导体内的高电流(di/dt)发生改变,在图中以紫色显示。
由开关产生的尖峰电压的大小与突出显示的迹线的电阻和寄生电感有关。要把开关产生的尖峰电压降到最低,就要确保这些迹线够短、够宽。
图6显示了具备所有功率器件的升压PCB布局。该布局示例具有以下特点:尽可能使Q1、D1和C5之间的迹线达到最短,这有助于减少迹线的电阻及寄生电感产生的噪声;所有迹线都位于PCB的同一侧,这有助于减少经由任何过孔产生的噪声。

图6:ZXLD1370升压LED驱动器的PCB布局示例。
本文小结
对于所有开关稳压器而言,精心的PCB布局对确保良好工作和降低辐射和传导噪声都至关重要。ZXLD1370在任何工作模式下都是如此。通过把布线长度减到最低,就可以避免产生较大的di/dt。打造出色PCB布局的关键在于了解电流路径并借此进行设计。设计人员亦可计算出如何进一步利用迹线围绕功率器件,以获得良好的散热布局。
射频工程师养成培训教程套装,助您快速成为一名优秀射频工程师...
天线设计工程师培训课程套装,资深专家授课,让天线设计不再难...
上一篇:我国光伏产业摆脱困境要走三条路
下一篇:电网智能化催热智能电表

