- 易迪拓培训,专注于微波、射频、天线设计工程师的培养
变压器的晶闸管调压方法的设计
笔者提出了晶闸管组合变压器副边绕组改变高压钠灯两端电压,在单片机控制下精确降压并稳压。笔者采用串联变压器副边,利用其多绕组的不同组合,灵活升高、降低负载电压,并结合单片机检测实时电压以控制晶闸管,达到定时精确调压、随时稳压的目的。此方法非常适合我国道路照明的实情及节能需要。
1 调压原理
1. 1 变压器调压
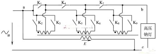
在高压钠灯主线路中串入变压器副边,如图1所示。该副边有多个匝数不同的绕组,各绕组的空载电势分别为E 1,E2,E 3 等。通过开关K1 ~ K12的开断将各绕组组合,可得到不同的E ab,从而改变Eb c。如K2,K3,K5,K8,K9,K12闭和时,E ab = E2 + E3 - E1。因此只需选择合理的控制方案,就可精确得到预定电压。同时,由于本方案调控范围大,精度高,故在需稳压时也可通过K1 ~ K12的开断来调控负载电压。

图1 高压、稳压原理

图2 方案改进示意图
另外,晶闸管具有动作迅速、无电弧等特点被广泛作为开关应用于工业生产中。笔者所提方案中可将其代替图1中的K1 ~ K12,利用其触发角的可控性,灵活选择开断时间。
1. 2 控制电路设计
本文中控制电路需要实现电压采样比较,晶闸管触发信号的产生,实时时钟、实时电压显示及人机对话等功能。单片机具有运行速度快,工作电压低,功耗低,输入输出直接驱动能力大,价格低,体积小等特点,因此得到广泛应用。89C51片内的4 K 程序存储器是FLASH 工艺的,这种工艺的存储器用户可以用电的方式瞬间擦除、改写,而且对开发设备的要求很低,开发时间也大大缩短。写入单片机内的程序还可以进行加密。另外,其售价比8031还低,市场供应也很充足。因此本文采用89C51作为控制芯片,完成变压器调压控制。
1. 3 主电路改进
1. 1中当调压范围扩大时副边绕组数目增加,晶闸管的数目也随之增加,不仅加大了控制难度,还增大了电路规模。若将原方案按图2 改进,显然,变压器二次绕组容量大约提高了一倍,但每相接通的晶闸管开关数目比图1减少,这有利于晶闸管开关工作可靠性提高。
2 副边电势的确定
变压器副边绕组个数、匝数等应根据具体情况而定。一般情况下,三个典型数值是必需的,即E 1 =1 V,E2 = 3 V,E3 = 9 V。通过晶闸管的组合可组成±1 V~ ± 13 V 精度为± 1 V共25档补偿电压。若再增加一个20 V 绕组,则可将调压范围扩大。因此在理论上,本文方案可将调压范围扩大至无穷。
3 实例分析
把本文所提方案应用于蔡关线——工学院道路照明系统。取A相为实验相,其他两相为参照相。各相所接高压钠灯220 V,250 W 共25 盏,均配有电容器。
表1 节能模式及其工作电压时

采用2. 5 kVA,220 V 单相变压器,副边有四组电压: 1 V,3 V,9 V,20 V。依据时间及具体交通状况,按时间分为四个模式: 启动、正常、高峰及节能模式。对应各模式的调压稳压范围如表1所示。2010年4月1日- 4月3日测量参数如表2所示。表2表明,采用本文所提方案后可明显降低能耗,同时由于电网电压波动使未采取措施的路灯耗能浮动较大。
表2 4月1日-4月3日耗电量

4 小结
本文所提调压稳压方法具有精度高、调节范围宽、可频繁动作且不易产生电弧等优点。不仅可以用于道路照明,还可用于其他采用高压钠灯且有调压空间的场合。但是,LED 照明不在本文讨论范围,因此读者可参阅其他相关文献。
射频工程师养成培训教程套装,助您快速成为一名优秀射频工程师...
天线设计工程师培训课程套装,资深专家授课,让天线设计不再难...
上一篇:使用一次侧回授的4.2
W
GU10
LED照明驱动器
下一篇:使用微控制器集成模拟比较器以提供电源保护并降低电路板空间

