- 易迪拓培训,专注于微波、射频、天线设计工程师的培养
如何解决运放振荡问题
对于工程师来说,电流源是个不可或缺的仪器,也有很多人想做一个合用的电流源,而应用开源套件,就只是用一整套的PCB,元件,程序等成套产品,参与者只需要将套件的东西焊接好,调试一下就可以了,这里面的技术含量能有多高,而我们能从中学到的技术又能有多少呢?本文只是从讲述原理出发,指导大家做个人人能掌控的电流源。本文主要就是设计到模拟部分的内容,而基本不涉及单片机,希望朋友能够从中学到点知识。
加速补偿——校正Aopen
校正Aopen是补偿的最佳方法,简单的Aopen补偿会起到1/F补偿难以达到的效果,但并非解决一切问题。
如果振荡由于po位于0dB线之上造成,可想到的第一办法是去掉po。
去掉极点作用的基本方法是引入零点。
引入零点的最佳位置为Ro,Ro上并联电容Cs可为MOSFET输入端引入一个零点zo。
但Ro是运放内部电阻,无法操作,因此在Ro后添加一只电阻Rs,并将Cs与Rs并联。

如果Rs》Ro,则可基本忽略Ro的作用。
增加Rs和Cs后,会使MOSFET输入端的极点po和零点zo频率分别为:
po=1/2pi(Cs+Cgs)Rs,zo=1/2piCsRs。
如果Cs》Cgs,则原有的极点po=1/2piRoCs由高频段移至低频段,频率由Cs、Cgs和Rs决定,而非Cgs和Ro决定,新引入的零点zo也在低频段并与po基本重合,两者频率差由Cgs与Cs的比例决定,因而很小。
通常Rs=2k-5kOhm,Cs=0.01-0.1uF。

Rs和Cs将原有极点po移至低频段并通过zo去除。像极了chopper运放里通过采样将1/f噪声量化到高频段后滤除。很多不沾边的方法思路都是相通的。
由瞬态方法分析,Cs两端电压不可突变,因此运放输出电压的变化会迅速反应到栅极,即Cs使为Cgs充电的电流相位超前pi/2。因此Cs起到加速电容作用,其补偿称为加速补偿或超前补偿。
很多类似电路里在Rs//Cs之后会串联一只小电阻,约100 Ohm,再稍适调整零点和极点位置,此处不必再加,那个忽略的Ro很合适。
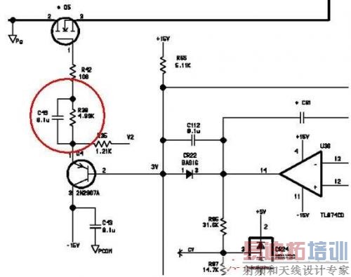
看个范例,Agilent 36xx系列的MOSFET输入级处理,由于PNP内阻很小,至少比运放低得多,因此后面有一只R42=100 Ohm。

在此之前,如果看到C49和R39,恐怕很多坛友会很难理解其作用,然而这也正是体现模拟电路设计水平之处。有人感叹36xx系列电路的复杂,然而内行看门道,其实真正吃功夫的地方恰在几只便宜的0805电阻和电容上,而非那些一眼即可看出的LM399、AD712之类的昂贵元件。
[p]后面两节里还会出现几只类似的元件,合计成本0.20元之内。
本次增加成本:
3.9k Ohm电阻 1只 单价0.01元,合计0.01元
0.1uF/50V电容 1只 单价0.03元,合计0.03元
合计0.04元
合计成本:9.46元
潜在的振荡:运放的高频主极点pH
通过加速补偿,由Cgs造成的极点作用基本消除。
然而,0dB线附近还有一个极点——运放的高频主极点pH。
事实上,就纯粹的运放而言,pH只在0dB线之下不远的位置。与po类似,由于gmRsample的增益作用,pH也有可能浮出0dB线,从而使Aopen与1/F的交点斜率差为40dB/DEC,引起振荡。
pH的位置比po低,因此gmRsample的增益必须更高才能使电路由于pH而产生振荡,然而gmRsample由于datasheet中没有完整参数,实际上只能大致预测而无法精确计算。因此必须采取一定措施避免pH的作用。
如前所述,零点可以矫正极点的作用,但有一个条件,除非将零点/极点频率降得很低或升得很高,使其位于远离1/F的位置。
pH距离0dB线过于近,而且是运放的固有极点,想通过前面类似的方法转移极点位置很不容易。
如果1/F的位置改变,远离pH,就能轻易解决pH的烦恼。然而1/F决定了电路的输出电流,不能随意更改。
但如果1/F的DC值不变而高频有所提升,应该可以——这就是噪声增益补偿。
噪声增益补偿方法来自反向放大器,使用RC串联网络连接在Vin+和Vin-之间。这种方法不建议用在同向放大器,但也不是绝对不可以,只需将RC串联网络的Vin+端接地,并在Rsample上的电压反馈到Vin-之前串联电阻RF即可。

这个电路在功放里很常见,目的是降低DC误差,但不影响高频响应。此处的作用在于为反馈系数F提供一对极点/零点,从而使F的高频响应降低,即1/F的高频响应增强,实质上使F成为一个低通滤波器,对应1/F为高通滤波器。

F中的极点和零点在1/F中相对应为零点zc和极点pc,zc=1/2pi(RF+Rc)Cc,pc=1/2piRcCc,两者之间的增益差为1+RF/Rc,从而使pc之后的1/F提升了1+RF/Rc,使1/F远离pH。
显然,1+RF/Rc越大,zc和pc频率越低,1/F越远离pH,系统越稳定,但也会出现致命的问题——瞬态性能下降。
如果电流源输入端施加阶跃激励,电流源系统输出端会产生明显的过冲振荡,而后在几个振荡周期后进入稳态。
原因在于阶跃激励使运放迅速动作,MOSFET栅极电压迅速增大,输出电流Io增大,但体现在Rsample上的采样电压IoRsample受到噪声增益补偿网络F的低通作用,向运放隐瞒了IoRsample迅速上升的事实,即反馈到Vin-的电压无法体现运放的输出动作,从而造成超调振荡。
虽然超调振荡不是致命的,由于足够的阻尼作用,它总会进入稳态,但超调造成的输出电流冲击却很容易摧毁脆弱的负载,因此仍然不能容忍。
适可而止,如果1+RF/Rc=2,就给gm的增大提供2倍空间,考虑稍适过补偿原则,1+RF/Rc取3是合理的,对应产生3倍gm变化的电流增量至少需要10倍,足矣。
即使如此,阶跃响应仍有一些很小的过冲,将在后面解决。
直流性能是不受影响的。
实际RF=1k Ohm,Rc=470 Ohm,Cc=0.1uF,zc=1kHz/0dB,pc=3kHz/9.5dB。
(补充:上一节中的Rs=3.9k Ohm,Cs=0.1uF,po=400Hz,zo=400Hz,由于无法编辑,补充于此)
[p]本次增加成本:
1k Ohm电阻 1只 单价0.01元,合计0.01元
470 Ohm电阻 1只 单价0.01元,合计0.01元
0.1uF/50V电容 1只 单价0.03元,合计0.03元
合计0.05元
合计成本:9.51元
避免轻微的超调过冲和常规电压接口
由于噪声增益补偿的问题,电流源在阶跃激励下会有轻微的超调过冲,稍严重一点儿在示波器上能看到逐渐衰减的超调振荡。
虽然不严重,但追求完美即完善细节,尽量做得比对手好一点。
如果电流源看不到陡峭的上升沿,也就不存在这个问题了。
蒙蔽它。只需一个低通滤波器。
恰好正需要一个常规电压接口,0—0.3V估计不是标准的电压,标准电压一般都是2.5V/5V(DAC、基准)或7V(更好的基准)。
电阻分压降压即可,以2.5V为例。
(2.5/0.3)-1=7.33,如果对地电阻R4为3.3k Ohm,水平电阻为24.2k Ohm,其中设置微调R2=5k Ohm + R3=500 Ohm电位器,固定电阻R1取值22k Ohm。
对地电阻并电容C1,获得低通滤波器,转折频率f=1/2piC1(R4//(R1+R2+R3))《zc=1kHz,C1》0.054uF,实际取0.1uF。
R1和R4影响电流源的温度性能,因此必须使用低温漂电阻。

此时Iin的影响就应降至最低。
本次增加成本:
22k Ohm 0.1% 1/4W 25ppmmax金属膜电阻 1只 单价0.50元,合计0.50元。
3.3k Ohm 0.1% 1/4W 25ppmmax金属膜电阻 1只 单价0.50元,合计0.50元。
5k Bouns 10圈精密微调3296电位器 1只 单价2.00元,合计2.00元
500 Ohm Bouns 10圈精密微调3296电位器 1只 单价2.00元,合计2.00元
0.1uF/50V电容 1只 单价0.03元,合计0.03元
合计5.03元
合计成本14.58元
射频工程师养成培训教程套装,助您快速成为一名优秀射频工程师...
天线设计工程师培训课程套装,资深专家授课,让天线设计不再难...
上一篇:LDO线性稳压器拓扑结构及分类
下一篇:电池供电系统监控电路

