- 易迪拓培训,专注于微波、射频、天线设计工程师的培养
自适应单纯太阳能路灯控制器的设计
大阳能路灯以其无需铺设电缆,不消耗常规能源等优点得到了广泛认可。然而太阳能路灯还存在一些问题造成其成本偏高,可靠性不稳定,、比如电池往往不到一年就需要更换,不仅提高了后期维护的费用,而且增加了客户的消费成本,也造成了资源浪费。其次是太阳能属于不稳定能源,而且能量分布不均,夏天能量充足,但路灯使用时间短,冬天有效光照时间短,但路灯使用时间长,大大降低了运行的可靠性,其原因主要受到太阳能路灯控制器性能的影响。太阳能控制器是太阳能光伏系统中的核心部分,主要完成对蓄电池的充、放电、调光和路灯的开、美控制,以及在过充、过放电、过载等情况发生时对系统进行及时和有效地保护,保证照明时间,确保可靠性,有效延长电池寿命,降低成本。
1 太阳能路灯控制器的主要设计要求和发展阶段
太阳能路灯控制器的技术和质量的主要要求有:
1)供电系统,根据太阳能路灯蓄电池板特性,要设计成恒流输出:
2)过充,过放保护;
3)具有系统功率调节功能;
4)建立网络控制系统;
5)根据市场要求,产品模块化。
太阳能路灯控制器的发展到日前为止已经经历了3个阶段:第一代功能比较简陋,开关灯控制需要外接光敏感应器,定时时间不可设置,没有电池保护电路,系统寿命非常短暂,很快就被市场淘汰:第二代在第一代的基础上,设置了电池保护电路,通过太阳能路灯蓄电池组件搜集光敏数据,通过开关或程序设置定时,技术上有了阶跃式的发展,逐渐被市场接受:第三代路灯控制器在于多数商家采用了PWM充电控制功能,对蓄电池进行涓流充电,有效延长了电池寿命,降低了使用成本,从而进一步扩大市场占有率。
一个好的控制器可以弥补甚至解决纯太阳能路灯的诸多问题,提高其呵靠性。白适应太阳能供电路灯需要开发第四代控制器,它的特点是具有白适应灯的功率调节功能,电量检测和剩余电量计算是必备的:同时具有组网功能,这样可以保持整条街的路灯亮度一致,并可以进行通讯。
2 自适应单纯太阳能供电路灯控制器的设计
日前各种现代控制理论,如白适应控制、自学习控制、模糊逻辑控制、神经网络控制等先进控制理论和算法也大量应用在光伏发电系统中。其中自适应控制太阳能供电路灯控制器设计是值得推进的技术。
2.1设计目标
白适应单纯太阳能供电路灯的设计目标:主要针对支路和供行人和非机动车通行的居住区道路和人行道路灯,对于南风能供电或风光互补的路灯系统本设计同样适合:由于太阳能的不可靠性以及主干道的照明设计标准的严格性,单纯太阳能供电比市电供电的路灯控制器的设计更为复杂,如系统控制需要太阳能和市电切换,则在本设计的基础上进行精简就好了。目标地点位于北京市内。
2.2 自适应单纯太阳能供电路灯控制器设计特点及功能
白适应单纯太阳能供电路灯控制器设计方案的宗旨:通过精确控制,达到降低成本,提高可靠性的日的。主要具有以下几个特点及功能(以太阳能路灯储能器件为铅酸电池为例):
1)MPPT电路
根据太阳能路灯蓄电池板的特性,如将太阳能路灯蓄电池阵列的输出电压控制在某个恒定电压值附近,则太阳电池在整个工作过程中近似日标在最大功率点处,太阳能电池组件的能量转换效率最高。利用PWM技术并通过对负载稳压来实现对LED的恒流,从而保证了LED的可靠使用141.采用意法半导体公司的MPPT专用芯片SPV1020.跟踪效率可达98%,能量转换效率为95%.理论上,使用MPPT技术会比传统方法效率提高50%,实际测试中,由于周围环境影响与各神能量损失,最终的效率也可以提高20%-30%.
2)过充过放保护
采用充电限压,电池温升检测策略,如蓄电池电36 V,充电截止电压42.5-43 V,充电截止温度80℃,充电截止温升30℃。不过绝大部分时间蓄电池基本处于欠充状态。同时通过对电池电压的数据实时采集,利用软件控制对电池采取限压保护:通过实时计算电池电量进行防过充过放保护,电量为100%时停止充电,电量为20%时停止放电,为延长其寿命,做了第二道防线。图1 为蓄电池过充保护流程图。

图1 蓄电池过充保护流程图
3)智控开关,实时监测,预警功能
进行太阳能路灯电池板电流检测,蓄电池电压检测,蓄电池电量监测,以及环境温度的检测,采用光开时关,并实时上传工作环境及状态数据,预警故障,保证系统的可靠性。图2为太阳能路灯的开、关控制流程网。

图2 路灯的开、关控制流程图
4)亮度的自适应调节
通常太阳能路灯厂家为了保证连续阴雨天的正常工作,只一味地加大蓄电池容量,一般蓄电池的容量可达电池板容量的5倍,其实这样做并不能解决问题。因为阴雨天工作的可靠性并不取决于电池的容量,而是由很多因素平衡而定的。根据当前地理位置,季节,时间,气象条件,光的辐射量,浮尘浓度,工作环境以及剩余电量,自适应调节灯的亮度,合理分配能量。由于设计为纯太阳能供电,不考虑双电源情况,所以要想提高系统可靠性,唯一的方案就是牺牲灯的亮度。
根据当天用电前的剩余电量和当天的充电量来进行白适应调节,在保证正常照明的同时,使电池的工作点长期保持在高电位,并且使充放电深度在30%以下,根据电池循环寿命曲线,可以延长电池寿命4-5倍,有效降低太阳能路灯的成本,提高可靠性。以下将分别阐述剩余电量和充电量的计算过程。
2.2.1 电池电量检测
1)电量检测的算法
大量的实验数据表明,电池老化时蓄电池的内阻与电荷之间有较高的相关性(0.88左右),蓄电池完全充电和完全放电时的内阻相差2-4倍,所以通过测量电池内阻可较准确地检测电池电量。
2)建立内阻一电量一循环周期的关系曲线
为了得到实时剩余电量值,要建立一个电量和内阻之间关系的数据库。
以时间为标准,就可以建立起内阻一电量一循环周期的关系曲线,然后通过Matlab的曲线拟合功能得出内阻,电量以及循环周期的关系式。蓄电池内阻与剩余电量关系曲线如
图3所示,剩余电量随着内阻的增大而成指数趋势减小。

图3 蓄电池内阻与剩余电量关系曲线
3)在线检测电量
在太阳能路灯工作开始之前检测出剩余电量,采用交流压降内阻测量法测得内阻值,通过查做好的数据表,并进行数据校正,得到对应的电量值。
给电池施加一个固定频率和固定电流(日前一般使用l kHz频率、50 mA小电沆),然后对其电压进行采样,经过整流、滤波等一系列处理后通过运放电路计算出该电池的内阻值。图4为在线测量剩余电量硬件框图。

图4 在线测量剩余电量硬件框图
2.2.2充电量计算
充电量是通过太阳能电池板接收辐射强度和电池板面积计算得到的。太阳能电池板接收辐射强度为单日辐射强度与sin a的乘积,其中a为正午太阳辐射与电池板的平均夹角。电池板面积可参考配置计算部分的内容,并且经过优化得到的。
2.2.3剩余电量计算
通过计算电流在时域上的积分,可得出电量变化值,在路灯工作前检测到的电池电量作为初始电量,则剩余电量为初始电量减去电量变化值。同时通过对MPPT电路的输出电流做积分,作为电量变化的校正值,从而得到较准确的剩余电量值。图5为剩余电量计算流程图。

图5 剩余电量计算流程图
1)Zighee无线通讯系统连网
保证整条路的路灯的开,关时间一致,马路亮度均匀,保证驾驶安全,避免驾驶员视觉疲劳;实时传送数据,进行远程监测和控制:在线软件升级,降低维护及调试成本:待机睡眠,降低系统功耗。将Zigbee无线传感器网络技术应用于蓄电池牛产过程中的充放电参数检测中,将极大地提高产品测试的灵活性和可靠性,对提高蓄电池牛产质量和效率具有重要意义问。
2)模块化可扩展性
设计的控制器的供电系统可以是模块化的,设计采用恒流充电方式,所以电池板可扩展,LED模组可根据系统功率进行并联扩展。
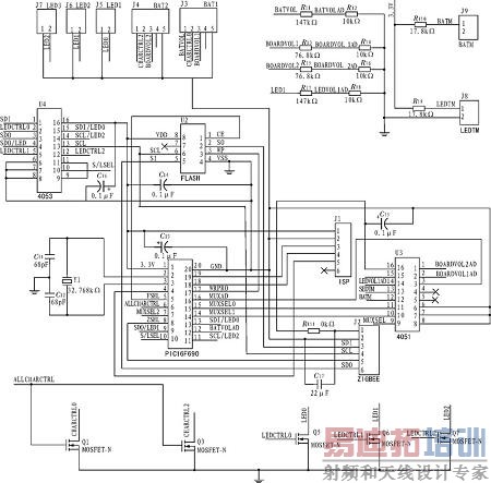
根据如上计算,具体设计框图如图6所示,为太阳能路灯控制系统硬件框架。图7为太阳能路灯控制系统电路原理图。

图6 太阳能路灯控制系统硬件框架

图7 太阳能路灯控制系统电路原理图
3 自适应单纯太阳能供电路灯控制器设计方案模拟
开关灯的时间根据天安门升降旗时间而定,如表1所示,全年最长点灯时长茌12月为14.52小时,最短为9.13小时。照明时间分为3个时段,第一个时段从当天天安门降旗时刻开始,为5个小时,第二个时段到早上5点,第三个时段从5点到灭安门升旗时刻,灯光亮度各时段权重比为5:2:3,如果以100 W光源为设计标准,则光源功耗最大为1.068 5 kW-h。

表1 照明策略基准参数
图8显示根据表1中的数据得m的各月太阳能电池板面积排列柱形罔,从而可以选定电池板的面积为柱形途中的拐点处2月的画积值,太阳电池板面积为2.2 IT12.蓄电池为115 Ah.这样选择的原因是这样可以保证全年85%的照明时间,剩下的15%为过放,不过要给白适应调节留下一个调节余量,所以选择以2月数据计算fn的太阳能面积的值,即2.216 2 m2,过放的情况为3个月,过放比率为25%,从而有100/e的调节空间。

图8 各月太阳能电池板对应面积排列柱形图
4 结 论
白适应单纯太阳能供电路灯控制器的设计,实现了以MPPT电路为控制核心的智能太阳能路灯控制器,具有外围电路简单,可靠性高的特点,实现了太阳能电池的最大功率点跟踪,采用了合理的蓄电池充放电策略,实现算法简单,既提高了太阳能电池板的使用效率,又延长了蓄电池的使用寿命,对于个别过分欠充、过充灯根据问题加大、减小电池板面积,更换电池或灯珠,根据每盏路灯的实际情况灵活调整其配置,可使每盏灯都工作在最佳状态,不但保证了正常照明,而且避免了资源浪费,也降低了产品造价,具有一定的参考和推广应用价值。
射频工程师养成培训教程套装,助您快速成为一名优秀射频工程师...
天线设计工程师培训课程套装,资深专家授课,让天线设计不再难...
上一篇:有声验电器的制作
下一篇:ICE385565P单片开关电源的制作

