- 易迪拓培训,专注于微波、射频、天线设计工程师的培养
有声验电器的制作
这个有声验电器是一种检验220V交流电火线的小仪器。传统的试电笔内装有氖泡和电阻器,利用氖泡的发光可检测和显示电路中哪根是带电的火线。氖泡的发光很弱,白天在室外的一般光照下很难看清氖泡是否发光,若做一个有声验电器,可利用声音的提示来告诉我们线路中哪根是带电的火线。
一、元器件的准备
所用的元器件如下所示。
序号
元器件规格
R1
2.7MΩ、1/8W碳膜电阻器
C1
1000pF瓷介质电容器
VT1、VT2
9014等NPN型三极管
HA
蜂鸣器
3V电池夹
30mm×20mm电路板
带绝缘皮的单股导线5-10cm
这里使用的蜂鸣器实质是一个内装集成电路的小扬声器。它的体积小,使用方便。使用时必须注意蜂鸣器引线的极性,不能接错。它的正极接电源的正极,负极接电源的负极。蜂鸣器的种类很多,蜂鸣器的工作电压也有几种,如3V、6V、9V等。这里使用的是一种小型连续声蜂鸣器,它的工作电压为3V,工作电流约为20mA。还有一种蜂鸣器的发声是断续的,声音好听,但价格稍贵。
二、电路的制作与调试
首先进行元器件的检查,按图所示将蜂鸣器的正、负极接3V电源的正、负极,蜂鸣器应正常发声。

三极管的种类很多,样子各异,上图所示的是最常见的三极管的符号与本电路中所用的塑封管的实物图。安装前要会识别三极管的各个管脚。当管脚向下有字的平面面向自己时,管脚从左到右依次为发射极(e)、基极(b)及集电极(c)。
所用元器件的引线在安装焊接前都应进行镀锡处理。如果元器件的引线已经氧化发乌,还需要用小刀将元器件的引线刮干净,再进行镀锡处理,这样处理后的引线才能保证焊接质量的可靠性。对于初学者来说一定要养成良好的习惯,认真做好安装焊接前的准备工作。准备工作完成后,对照有声验电器的电原理图,电路板安装图元件图如下图,依次将电阻器、电容器、三极管和蜂鸣器装到电路板上并焊牢固。把一根带绝缘皮的导线的两端各剥去5mm,其一端焊在有声验电器的输入端(即电阻器一端)。最后将电池夹的引线焊到电路板上,注意电池夹的引线的正负极一定要正确。
验时把带绝缘皮的长导线一头触到交流电源插座中的火线上(要绝对注意安全,事先可用氖泡试电笔区分好火线和零线)手摸电池的正极或负极,蜂鸣器应发出鸣叫。因为验电器检验的是220V交流电,所以必须十分注意安全。
图是一块43mm×10mm的小型有声验电器的电路板图,供参考。这样可以把这个电路做得很小。电路板上使用的是两个纽扣电池,图中已预留了位置,但需要自制电池夹片,注意纽扣电池的外壳是电池的正极。
三、电路工作原理
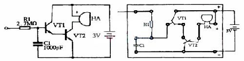
参看上图,电路中电阻器R是一个限流保护电阻器,避免测试人员受到伤害。由于这个电阻器的阻值很太,三极管VT1的基极电流极小,一只三极管不能带动蜂鸣器,所以用了两只三极管。这样当电阻器的左端接触到220V交流电时,交流信号通过电阻器注入三极管基极,又经人体回到大地。两只三极管对信号进行了放大,带动蜂鸣器工作。电容器C1是为了消除各种干扰而设置的。蜂鸣器不工作时,电路不耗电。
验电器中的2.7MΩ电阻器的阻值不能过小,否则使用时不安全。
有声验电器虽然简单,但也可以利用这个电路来做其他的用途。图是一个触摸门铃的示意电路图,图的左边是一对触摸片。利用人体的自身电阻来触发电路。想想看这个电路还有什么其他的妙用

射频工程师养成培训教程套装,助您快速成为一名优秀射频工程师...
天线设计工程师培训课程套装,资深专家授课,让天线设计不再难...
上一篇:基于结温保护的LED驱动设计
下一篇:自适应单纯太阳能路灯控制器的设计

