- 易迪拓培训,专注于微波、射频、天线设计工程师的培养
基于电流极限比较器的设计
1.引言
开关电源因体积小、重量轻、效率高、性能稳定等优点在电子、电器设备、家电等领域得到了广泛的应用,进入了快速发展期。开关电源的基本工作原理为:在不同的负载情况下,反馈控制电路通过改变功率开关管的占空比使输出电压稳定。反馈控制电路分为电流模式和电压模式,电流模式因动态响应快、补偿电路简单、增益带宽大、输出电感小、易于均流等优点而被广泛应用。
极限电流比较器是电流模式控制电路中一个非常重要的部分,其对不同的负载情况,产生不同的极限电流,去限制电感上的峰值电流或平均电流,从而尽可能地减小输出电压纹波和提高电源效率。例如:
重负载情况对应的电源输出电流比较大,此时应设定较大极限电流,保证输出电压稳定;轻负载情况对应的极限电流较小,此时应设定较小极限电流,使输出电压稳定。因此不同的负载情况对应不同的极限电流,从而得到不同的占空比,保证电源效率高和输出电压纹波小。
传统的开关电源控制电路中,电流极限比较器结构如图1(a)所示,检测电流由M1(senseMOSFET)流入由多个开关管和电阻组成的网络R1中,该网络通过控制开关管导通或关断,改变R1的电阻值,得到不同的占空比。另外一基准电流流过一阻值固定的电阻R,产生一固定参考电压。当R1的压降随检测电流上升到参考电压时,比较器关断功率管,保证输出电压稳定。其工作原理如图2(a)所示,例如:R1上的电压从a上升到d,从而关断功率管产生一占空比,当改变R1的电阻值,R1上的电压从a上升到f得到另一占空比。从图1(a)可以看出:传统的开关电源电流极限比较器是将两种电流先转化成电压再进行比较,需要占芯片面积非常大的电阻网络和开关管,并且为保证电阻精度,一般需要激光修调技术,这大大增加了芯片成本。因此本文在此基础上提出一种新型的电流极限比较器结构。

图1 传统的与新颖的电流极限比较器结构

图2 传统的与新颖的电流极限比较器结构的工作原理
2.新结构及原理
图1(b)给出了本文所提出的电流极限比较器的基本框架,其中Iref为通过电流镜产生的极限电流,其值可变。检测电流由M1(senseMOSFET)流入电流比较器,直接与所设定的极限电流比较,当其值上升到极限电流时,关断功率管。通过改变极限电流的大小,得到不同的占空比,其工作原理如图2(b)所示。
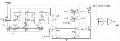
图3为本文所提出的新型电流极限比较器具体电路。其中M0--M11构成电流镜网络,用于设定电源所需的几种极限电流值。Mc1--Mc10构成电流比较器,使极限电流与检测电流直接比较产生不同的占空比(即不同的导通时间)。与非门和倒相器构成控制电路,直接驱动功率MOS管,控制其导通或关断。此电流极限比较器采用电流镜结构代替传统的电阻网络产生电源所需的几种极限电流,采用cascode结构组成电流比较器代替传统的电压比较器使两种电流直接比较。

图3 一种新型的电流极限比较器
M0通过电流镜引入基准电流,M2,M3,M4,M5通过M1以一定的比例产生四种大小不同的基准电流,然后分别通过电流镜传到M7,M9,M11及M5,四种电流以不同的组合产生电源所需的各种极限电流。检测电源输出电压的状态机通过对输出电压的检测,产生相应的高低电平信号去设定所需的极限电流[4].此电路巧妙地用状态机的输出电压作为电流镜的电源电压,分别接到s0,s1,s2,直接控制电流镜导通或关断,产生所需要的极限电流,从而不需要占芯片面积非常大的开关管。
由于采用电流镜网络代替电阻网络,工艺上MOS管的匹配性远高于电阻的匹配性,从而避免了电阻网络为保证精确度而采用的激光修调技术,大大降低了成本。并且电流镜所占的芯片面积大大小于电阻网络所占的面积,进一步降低成本。另外本文非常巧妙地利用状态机输出的控制信号直接作电流镜的电源,从而使电流极限比较器不需要占版图面积非常大的开关管。例如,s0,s2接高电平,s1接低电平时,M9中没有电流,M7,M8和M5中的电流之和Mc1和Mc2作为极限电流。在传统的电流极限比较器中,为保证开关管导通电阻非常小,其宽长比非常大,从而占比较大的版图面积。本结构巧妙地省去开关管,进一步减少芯片面积,降低成本。为满足低功耗设计,本文设定M5中的电流作为几种极限电流的最小值,并且始终存在电流。当功率管关断时,控制信号s0,s1,s2为低电平,则电流镜网络中只有M5中存在电流,由于其静态电流非常小,从而保证电路低功耗。而在带电阻网络的电流极限比较器(其实为电压比较器)中,一般需要产生大约1V以上的参考电压,从而开关管关断时静态电流相对比较大。M5中的电流既可以作为正常工作时的极限电流,又可以防止由于状态机和电流镜的延时或噪声引起的误动作。
Mc3--Mc6组成cascode结构作为电流比较器。
检测电流引入到Mc8,这可采用中的结构完成。然后镜像到Mc5.当主功率管开始导通时,Mc5和Mc6中的电流镜像检测电流缓缓上升,只要检测电流小于此时所设定的极限电流,Mc3和Mc4就至少有一个工作在线性区,Mc3和Mc4作为一个整体呈电阻特性。因为若Mc3和Mc4已工作于饱和区,则其电流一定会镜像Mc1和Mc2中的电流即极限电流。这就会出现Mc3和Mc4中的电流与Mc5和Mc6中的电流不等的矛盾。因此,只有当Mc3和Mc4中的电流与Mc5和Mc6中的电流相等时,Mc3和Mc4才工作于饱和区。
当检测电流与极限电流相等时,cascode输出电源电压与地的平均值给反相器,此时正好达到反相器的中转电压,反相器开始翻转电平,从而关断功率管。由于比较器采用cascode结构,其输出电阻非常大,则只要检测电流刚上升到极限电流时,即可马上使反相器电平翻转,关断功率管,具有非常高的精度。cascode结构代替电压比较器使检测电流与极限电流直接比较,也避免了由电压比较器的失调电压引起的不精确性。例如,假设失调电压为20mV,电阻网络的最小值为5kΩ,则失调电压会引起4μA的检测电流误差,极大地影响了系统的性能。总之,本文所提出的电流极限比较器结构无论是电流镜部分还是电流比较器部分比之相应的传统结构都具有较大的改进。
3.仿真
本文采用TSMC0.25μm工艺模型对图3设定参数进行性能仿真。设最小极限电流即通过m5中的电流为4μA,s0所控制的极限电流为12μA,s1所控制的极限电流为20μA,s2所控制的极限电流为36μA.
图4-图7给出了极限电流分别为4μA,16μA,24μA和40μA时电流比较器的工作情况,四种电流所对应的占空比分别为10%,40%,60%和100%.图4-图7中横轴代表检测电流,其从0慢慢增大,纵轴代表图3中某些关键点的电压随检测电流变化的情况。

图4 当极限电流为4uA时电流极限比较器的特性

图5 当极限电流为16uA时电流极限比较器的特性

图6 当极限电流为24uA时电流极限比较器的特性

图7 当极限电流为40uA时电流极限比较器的特性
现以图4为例阐述电流极限比较器的工作情况。此时极限电流为4μA,其虚线代表cascode结构的输出电压波形,黑色实线代表反相器的输出电压波形即与非门的输入电压波形,另外两条点划线分别代表cascode结构中Mc3和Mc4的栅电压波形。
从虚线即cascode结构的输出电压波形可以看出,电流极限比较器的工作过程分为五个阶段,第一阶段:检测电流从0慢慢上升到A,在此过程中,由于检测电流远小于极限电流,强迫Mc3和Mc4都工作于线性区。第二阶段:检测电流从A上升到B,cascode结构的输出电压也随着上升,使Mc4工作于饱和区,Mc3工作于线性区。但是Mc4只是刚刚进入饱和区,还受沟道调制因素影响,这可从图中很清析地看出当cascode结构的输出电压随检测电流上升时,Mc4中电流慢慢接近所设定的极限电流。第三阶段:检测电流从B上升到C,此时检测电流已上升到所设定的极限电流,Mc3和Mc4都工作于饱和区,同时cascode结构的输出电压也上升到后面反相器的中点电压,经过后续控制电路关断功率管。第四阶段:检测电流从C上升到D,此时检测电流大于所设定的极限电流,迫使Mc5工作于线性区,虽Mc6还工作于饱和区,但受沟道调制因素影响,另外Mc3和Mc4工作于饱和区。第五阶段:检测电流从D继续往上升,迫使Mc5和Mc6都工作于线性区,Mc3和Mc4工作于饱和区。从图4中可以看出,当检测电流达到4.1μA时,关断功率管,满足系统要求。图5--图7的工作情况与图4类似,图5设定极限电流为16μA,可以看出当检测电流达到15.97μA时,关断功率管。图6设定极限电流为24μA,可以看出当检测电流达到23.82μA时,关断功率管。图7设定极限电流为40μA,可以看出当检测电流达到39.6μA时,关断功率管。
仿真结果表明,本文所提出的新结构能使检测电流非常精确地达到所设定的极限电流值,满足系统的要求。但是图中显示检测电流与极限电流还是有一定的偏差(最大为0.4μA),通过仿真分析发现这是因沟道调制因素引起电流镜镜像的误差造成的。若将电流镜的栅宽增大能进一步提高精度,但这会一定程度上增大芯片的面积,设计时应根据系统指标要求折中考虑。
结束
本文提出了一种新型的电流极限比较器结构,其采用电流镜结构代替传统的电阻网络产生开关电源所需的几种极限电流,采用cascode结构组成电流比较器代替传统的电压比较器使两种电流直接比较。此结构不需要开关管和电阻网络,使得芯片面积大幅度降低,减小了成本,同时具有速度快,功耗低,精度高的优点。
射频工程师养成培训教程套装,助您快速成为一名优秀射频工程师...
天线设计工程师培训课程套装,资深专家授课,让天线设计不再难...
上一篇:改变电源频率降低EMI性能
下一篇:多路开关系统设计

