- 易迪拓培训,专注于微波、射频、天线设计工程师的培养
如何调整基准电压提高ADC精度
为了提高灵活性,数据采集板应适合不同的输入电压范围,利用同一采集电路处理低幅度信号时往往需要增加几位分辨率,从而提高了系统成本。
利用本应用笔记给出的简单电路,可以采用低成本10位ADC将实际精度提高至13位。

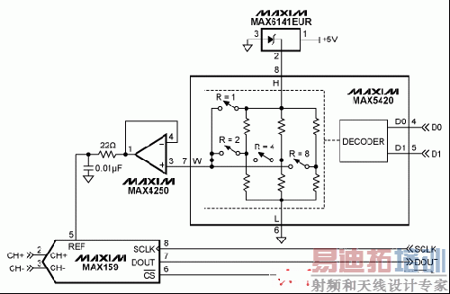
图1
ADC的1个LSB (最低有效位)为FSR/2n,其中n表示位数。FSR (满量程)取决于电压基准幅度。采用外部基准的MAX159是低功耗、108ksps串行ADC,封装于µMAX®-8,其输入范围为0至VDD + 50mV。较宽的输入范围允许利用基准缩放技术来适应不同的输入范围。
低成本、3端电压基准的输出通过数字可编程电阻分压器(MAX5420)进行缩放调节,分压器可提供精确的分压比(1、2、4、8)。分压比精度为0.025%至0.5%,取决于所选择的器件等级(A、B、C)。分压比由数字输入D1和D0决定,具体如下:
表1.
DIGITAL INPUTS
D1 D0 DIVIDER RATIO
0 0 1
0 1 2
1 0 4
1 1 8
MAX6141电压基准可提供4.096V输出电压。分压比为1时,1LSB为:4.096/1024 = 4mV。不同分压比下,1LSB对应的电压如下表所示。
表2.
VREF (V) DIVIDER RATIO LSB (mV) VIRTUAL ACCURACY TO 4.096V FS
4.096 1 4 10-bit
2.048 2 2 11-bit
1.024 4 1 12-bit
0.512 8 0.5 13-bit
该电路中有效分辨率仍然为10位。但与4.096V FSR系统相比,实际精度得到了提高。即使在分压比为8时,1个LSB仍然大于转换器的典型噪底(300µV)。确保ADC性能不受限于LSB的降低。
射频工程师养成培训教程套装,助您快速成为一名优秀射频工程师...
天线设计工程师培训课程套装,资深专家授课,让天线设计不再难...
上一篇:DSP和OZ890构成的电池管理系统设计
下一篇:如何将基准源噪声减半

