- 易迪拓培训,专注于微波、射频、天线设计工程师的培养
在电源设计中加入PFC
在2005年最新的IEC61000-3-2标准生效以前,大多数PC、显示器和电视机的电源在采用110至120V,60Hz的单相交流电供电时都会产生过量的电源线谐波。在这个更新更严格的IEC标准的推动下,电源厂商开始通过增加功率因数校正(PFC)来最大限度地减少电源线谐波。
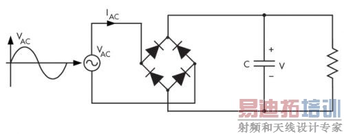
为了解IEC61000-3-2的影响,最好先了解一下直接穿过电源线放置负载电阻(R)的理想情况(图1)。在这种情况下,正弦线路电流IAC与线路电压VAC成正比,且与该电压同相。因此:


图1
这意味着,对于效率最高的无失真电源线操作来讲,所有的负载都应作为有效电阻(R),而消耗和提供的功率是RMS线路电压和线路电流的乘积。
不过,许多电子系统的负载都需要交流到直流的转换。在这种情况下,典型电源的电源线上的负载由一个驱动电容的桥式二极管组成(图2)。它是电源线的非线性负载,因为此桥式整流器的两个二极管都位于输入交流电源线电压的正半周期或负半周期的直接电源通路中。此非线性负载仅在正弦电源线电压的峰值期间汲取电源线电流,这样会产生"多峰"输入电源线电流,从而引起电源线谐波(图3)。

图2

图3
非线性负载可使谐波大小与线路频率下的基本谐波电流具有可比性。图4显示了相对于线路频率下的基本谐波大小进行标准化的高阶谐波电流大小。不过,只有图1中给出的在与线路频率相同的频率下且与电源线电压同相的谐波电流(在此案例中为线路频率下的基本谐波)对提供给负载的平均功率起作用。这些谐波电流会影响同一电力线上的其他设备的工作情况。

图4
电源线谐波的大小取决于电源的功率因数,功率因数的变化范围为0至1。功率因数值越低,产生的谐波更大,功率因数值越高,产生的谐波越小。功率因数(PF)的定义如下:

其中,P = 实际功率(单位:瓦特);IRMS = RMS线路电流;VRMS = RMS线路电压;VRMS * IRMS =视在功率(单位:伏特-安培/VA)。
PF还等于线路电流与电压之间的相角(θ)的余弦值;从这个角度来讲,式2可以重新写成以下形式:

Cosθ的值是0至1之间的数字。
如果θ = 0°,则cosθ = 1且P = IRMS * VRMS,这与电阻负载的情况相同。当PF为1时,负载消耗电源提供的所有能量。
如果θ = 90°,则cosθ = 0;因此负载收到的功率为零。提供功率的发电机必须提供IRMS * VRMS的功率(即使没有功率用于做有用功)。
因此,对于图2中的二极管桥式电容器案例,式2的PF定义中剩下的唯一一个变量就是线路电流IRMS,因为线路电压(VRMS)已通过电源线发电机固定至120V。电源线为提供给负载的给定平均功率而汲取的IRMS越高,功率因数(PF)就越低。图2中的AC-DC转换器采用120V的交流电源线电压供电,并向负载提供600W的功率,同时汲取10A的线路电流,该转换器的PF = 0.5。不过,图1中PF为1的电阻负载仅从电源线中汲取5A的电流(该负载从120V交流电源线中汲取600W的功率)。
电力公司会因低PF负载而遭受损失,这是因为电力公司必须提供更高的发电能力,从而满足由于负载的低PF而产生的更大的线路电流的要求。不过电力公司只会按提供的平均功率(单位为瓦特)向用户收费——而不是按产生的伏安收费。
伏安与瓦特之间的这种差别要么以发热的形式出现,要么反过来体现到交流电源线上。校正这种情况的最常见方法是采用功率因数校正。
功率因数校正
IEC-61000-3-2标准定义了给定功率级别允许的最大谐波电流。该标准1995年和2001年的初始版本已被2005年的版本3更新(请参见表)。2005年版本3对每相耗费的功率在75至600W之间,耗费的电流≤16A的(D类)PC、显示器和电视机的电源线谐波电流提出了更加严格的要求。为满足这些要求,设计工程师必须在D类电源中采用有源功率因数校正(PFC)。
许多PFC电路都采用升压转换器。传统的PFC升压转换器中的一个限制因素是它只能由整流后的交流电源线供电,而这种电源线涉及两级功率处理(图5)。转换器产生的波形更好地说明了这个问题(图6)。此外,无法通过简单有效的方法在传统升压转换器中引入隔离。

图5

图6
采用升压转换器的全桥扩展(然后作为PFC转换器进行控制)是一种引入隔离的方法(图7)。不过,这种方法需要在初级增加四个晶体管,在次级增加四个二极管整流器(晶体管和整流器均在100kHz的开关频率下工作),从而增加了复杂性。此外,四个增加的二极管位于以50/60Hz的线路频率工作的输入桥式整流器中。

图7:作为PFC控制器控制的升压转换器的全桥扩展可以提供隔离。
除了低频正弦电流之外,线路电流还将在高开关频率下叠加输入电感纹波电流,这需要通过交流电源线上的一个额外的高频滤波器进行滤波。由于增加了12个在硬开关模式下工作的开关,因此造成了较高的传导和开关损耗。据报道,这种两级方法及辅助开关器件的最高效率为87%。
由于升压直流转换增益的影响,这种方法还会出现启动问题。它需要额外的电路对输出电容进行预充电,以便转换器能够启动。
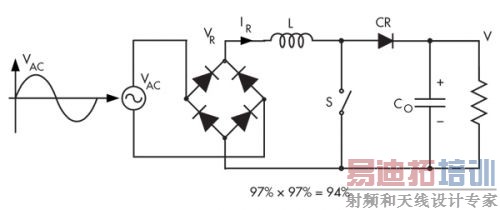
要实现1kW或1kW以上的功率,设计工程师经常采用三级方法(图8)。在图8中,标准升压PFC转换器和隔离降压转换器位于输入的桥式整流器之后。这总共需要14个开关。其中至少六个开关为高压开关,这样就进一步降低了效率,增加了成本。尽管如此,在使用最好开关器件的情况下,最高效率能够达到90%左右,该频率仍比两级方法的效率要高。

图8:至少1kW的电源一般采用三级PFC转换器。
如要实现中低功率,则有一个替代方法,该方法通过采用前向转换器作为隔离级来减少开关数量(图9)。在采用这个方法之前,必须注意这一点:虽然现在有10个开关,但与全桥式方案相比,正向转换器中的四个开关器件向初级和次级开关施加了更大的电压应力。此外,全桥式方案还需要四个磁性元器件。

图9:此PFC电路采用隔离正向转换器,这是一种通常在中小功率应用中保留的设置。
无桥PFC转换器
Teslaco公司总裁Slobodan Cuk博士开辟了这个领域的新天地,他研发出一种直接由交流电源线供电的无桥PFC转换器(正在申请专利)。该转换器据称是首款真正的单级无桥AC-DC PFC转换器。
为了实现这一壮举,Cuk采用了一种新的开关功率转换方法,这种方法称为"混合开关"(hybrid-switching)。该方法采用仅包含三个开关的转换器拓扑:一个可控开关S和两个无源整流器开关(CR1和CR2)(图10)。输入交流电压为正极或负极时,两个整流器根据主开关(S)的状态作出相应的导通和关断操作。该拓扑由一个与输入串联的电感、浮动的能量传输电容(作为开关周期部件的谐振电容器)和一个谐振电感组成。
由于基于PWM方波开关的传统转换器采用电感和电容器,因此它们需要互补的成对开关。当一个开关导通时,其互补的开关就关断,反之亦然。因此,只允许采用偶数个开关,而新型混合开关PFC转换器可以采用奇数个(3个)开关。
在这种设置中,这样的互补开关是不存在的。一个有源开关S单独控制两个二极管,其角色会根据交流输入电压的极性自动发生变化。例如,交流输入电压为正极时,CR1在开关S的导通间隔导电。而交流输入电压为负极时,CR1在开关S的关断间隔导电。此外,CR2还根据开关S的状态和输入交流电压极性自动作出反应。交流输入电压为正极时,CR2在开关S的关断间隔导电;交流输入电压为负极时,CR2在开关S的导通间隔导电。
因此,三个开关可以在输入交流线路电压的正半周期和负半周期的整个周期内工作。因此,这种真正的无桥PFC转换器无需全桥式整流器也可以工作,这是因为转换器拓扑实际上执行了交流线路整流。最终在输入交流线路电压的正负半周期实现了同样的直流输出电压。消除全桥式整流器相当于直接消除了损耗(特别是对于85V的低电压线路而言)。
初级的有源开关S在开关频率下调制和工作,该开关频率比线路频率高三个数量级(比如,开关频率为50kHz时,交流线路频率为50/60Hz)。占空比(D)可以通过控制开关的导通时间和所有的稳态指标(比如,直流转换率)来定义,电感L的直流电流根据D来表示。
随后,全波输入线路电压和输入线路电流被感测后作为输入发送至无桥PFC IC控制器。控制器对初级的开关S进行调制,强制输入线路电流与输入线路电压成正比,从而提供理想的整功率因数。
该PFC转换器真正出众的特性是流电隔离扩展可以保持图10中的三个开关组成的转换器的简单性。谐振电容器基本上分成了两个串联的电容器,隔离变压器被插在它们分离的位置。
数字控制PFC
用于电源的低成本、高性能数字控制器的出现使得这类控制器开始应用于PFC设计。数字控制器可提供可编程配置、非线性控制、低器件数和实现通常使用模拟方法很难实现的复杂功能的能力。
如今的大多数数字功率控制器(比如TI的UCD3020)都具有集成式功率控制外设和功率管理内核,包括数字环路补偿器、快速模数转换器(ADC)、带内置死区时间的高分辨率数字脉宽调制器(DPWM)、低功耗微控制器等。这些控制器支持无桥PFC等复杂的高性能电源设计。
例如,无桥PFC可以整合两个直流-直流升压电路:L1、D1、S1和L2、D2、S2(图11)。D3和D4是慢速恢复二极管。单独感测以内部电源地为基准的线路和中性点电压可实现输入交流电压的测量。通过比较感测的线路和中性信号,固件可以判断是正半周期还是负半周期。在正半周期时,第一个直流-直流升压电路(L1-S1-D1)是有源电路,升压电流通过D4返回至交流中性线。在负半周期时,L2-S2-D2为有源电路,升压电路通过D3返回至交流电源线。

图11:数字控制的无桥PFC由两相升压电路组成,但是每次只有一个相位为有源相位。
与采用相同的功率器件的传统单相PFC相比,无桥PFC和单相PFC应具有相同的开关损耗。不过,无桥PFC电流仅通过一个慢速二极管(正半周期时为D4,负半周期时为D3),而不是同时通过两个二级管。因此,效率的提升依靠的是一个二极管与两个二极管之间的传导损耗之差。
无桥PFC的效率还可以通过全面导通不活动的开关来提升。比如,在正周期时,S2可以全面导通,而S1由PWM信号控制。由于在流动的电流低于某个值时MOSFET S2上的电压降可能低于D4,返回电流会部分或全部流过L1-D1-RL-S2-L2,然后返回至交流电源。这就降低了传导损耗,从而提高了电路效率(特别是在轻负载下的电路效率)。同样,在负周期时,S1全面导通,而S2则进行开关控制。
[p]在相同的交流电压和直流输出电压下,输出电流与电压回路输出成正比。在此基础上,频率和输出电压可以进行相应地调整。固件实现数字控制器中的电压回路。由于输出已知,因此很容易就能以低于模拟方法的成本实现该功能。
更多的数字PFC控制器
ADI公司最近发布了ADP1047和ADP1048数字PFC控制器,这两款控制器还可以提供输入电能计量和浪涌电流控制。ADP1047用于单相PFC应用,而ADP1048则针对交错式和无桥PFC应用。
数字PFC功能基于传统的升压电路来为AC-DC系统提供最佳的谐波校正和功率因数。所有的信号都被转换成数字信号,从而最大限度地提高灵活性;关键参数可以通过PMBus接口进行报告和调整。
总的来说,ADP1047和ADP1048的配置可以帮助设计工程师优化系统性能,最大限度地提高负载范围的效率。这两款IC可以精确地测量RMS输入电压、电流和功率。然后该数据可以通过PMBus接口报告给电源的微控制器。
ADP1048的无桥升压配置可以消除PFC转换器的桥式输入引起的传导损耗(图12)。在这种配置中,两个功率MOSFET必须单独驱动,以实现最高效率。从ADP1048发出的信号可以实现这一点。IBAL引脚可以检测出交流线路相位和零交叉点。IBAL引脚的最高额定电压为VDD + 0.3 V,因此该引脚需要采用合适的箝位电路进行保护。

图12
在正交流电源线相位时,只有一个升压级在有效工作。第二个级为无源级;Q2中的电流从源极流至漏极。在此相位时将Q2 FET全面导通可以最大限度地降低Q2的传导损耗。当交流线路相位变为负时,Q1和Q2的角色则出现反转,Q2进行有源开关,而Q1则始终处于导通状态。相位信息通过IBAL引脚从交流线路中检测。在软启动阶段,两个FET都作为预防措施进行开关操作。当IBAL引脚上的相位信息损坏或者不准确时就会出现这样的情况。
电源设计必杀技:TI公司最系统的电源设计培训资料
射频工程师养成培训教程套装,助您快速成为一名优秀射频工程师...
天线设计工程师培训课程套装,资深专家授课,让天线设计不再难...
上一篇:时域时钟抖动分析
下一篇:高效率DC-DC转换器三项基本技术

