- 易迪拓培训,专注于微波、射频、天线设计工程师的培养
高效率DC-DC转换器三项基本技术
DC-DC 开关转换器的作用是将一个直流电压有效转换成另一个。高效率DC-DC转换器采用三项基本技术:降压、升压,以及降压/升压。降压转换器用于产生低直流输出电压,升压转换器用于产生高直流输出电压,降压/升压转换器则用于产生小于、大于或等于输入电压的输出电压。本文将重点介绍如何成功应用降压/升压DC-DC转换器。
图1所示为采用单个单元的锂离子电池供电的典型低功耗系统。电池的可用输出范围为放电时的约3.0 V到充满电时的4.2 V。系统IC需要1.8 V、3.3 V、和3.6 V的电压,以实现最佳工作状态。锂离子电池开始工作时的电压为4.2 V,结束工作时的电压为3.0 V,在此过程中,降压/升压调节器可以提供3.3 V的恒定电压,而降压调节器或低压差调节器(LDO)则可在电池放电时提供1.8 V的电压。理论上,当电池电压高于3.5 V时,可使用降压调节器或LDO产生3.3 V电压,但当电池电压降至3.5 V以下时,系统就会停止工作。允许系统过早关闭会减少电池需要重新充电前的系统工作时间。

图1. 典型低功耗便携式系统
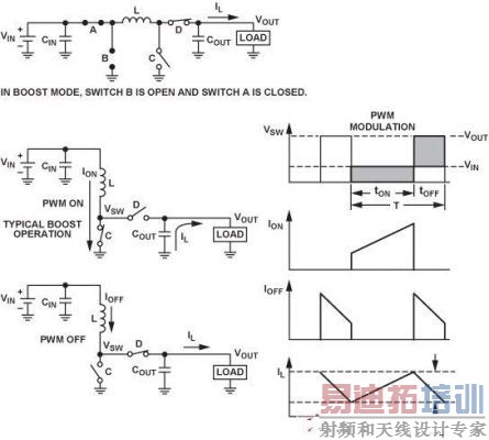
降压/升压调节器内置四个开关、两个电容和一个电感,如图2所示。如今的低功耗、高效率降压/升压调节器在降压或升压模式下工作时,只要主动操作其中两个开关,就可以降低损耗,提高效率。

图2. 降压/升压转换器拓扑结构
当VIN大于 VOUT, 时,开关C断开,开关D闭合。开关A和B的工作方式和在标准降压调节器中一样,如图3所示。

图3.Buck mode when VIN 》 VOUT时的降压模式
当 VIN小于VOUT,时,开关B断开,开关A闭合。开关C和D的工作方式和在升压调节器中一样,如图4所示。最困难的工作模式是当VIN 处在VOUT ± 10%, 范围内时,此时调节器会进入降压/升压 模式。在降压/升压模式下,两种操作(降压和升压)会在一个开关周期内发生。应特别注意降低损耗、优化效率,以及消除由于模式切换造成的不稳定性。这么做的目标是保持电压稳定,使电感中的电流纹波降至最低,保证良好的瞬态性能。

图4.BoostVIN
[p]对于高负载电流,降压/升压调节器采用电流模式、固定频率、脉冲宽度调制 (PWM)控制,以获得出色的稳定性和瞬态响应。为确保便携式应用的电池寿命最长,还采用了省电模式,在轻载时可降低开关频率。对于无线应用和其它低噪声应用,可变频率省电模式可能会引起干扰,通过增加逻辑控制输入,可强制转换器在所有负载条件下均以固定频率PWM方式工作。
降压/升压调节器提高系统效率
如今的很多便携式系统都采用单单元锂离子充电电池供电。如上所述,电池会从满充状态时的4.2 V开始工作,缓慢放电至3.0 V。当电池输出降至3.0 V以下时,系统就会关闭,防止电池因过度放电而受损。采用低压差调节器产生3.3 V电压轨时,系统会在
VIN MIN = VOUT + VDROUPOUT = 3.3 V + 0.2 V = 3.5 V
时关断,此时只用了电池所存储电能的70% 。但如果采用降压/升压调节器(如ADP2503或ADP2504),系统就可以持续工作到最小实际电池电压。ADP2503和ADP2504 (参见 附录) 均为高效率、600 mA和1000 mA低静态电流、降压/升压DC-DC转换器,工作时的输入电压可高于、低于或等于稳压输出电压。电源开关采用内置形式,最大限度地减少了外部元件的数量和印刷电路板(PCB)的面积。通过 这种方法,系统可以一直工作到3.0 V,从而充分利用电池存储的电能,增加了电池需要重新充电前的系统工作时间。
为了节省便携式系统的电能,各种子系统(如微处理器、显示屏背光和功率放大器)不用时会在全开 和 休眠模式之间频繁切换,造成电池电源线路上较大的电压瞬变。这些瞬变会使电池输出电压短时降至3.0 V以下,并触发低电量警告,从而使系统在电池完全放电前关闭。降压/升压解决方案可以承受的电压摆幅低至2.3 V,有助于维持系统潜在的工作时间。
降压/升压调节器主要规格特性与定义
输出电压范围选项: 降压/升压调节器提供额定的固定输出电压,或者提供选项,允许通过外部电阻分压器对输出电压进行编程设置。
地电流或静态电流: 未输送给负载的直流偏置电流 (Iq) 器件的 Iq低,则效率越高,然而, Iq 可以针对许多条件进行规定,包括关断、负载、脉冲频率(PFM)工作模式或脉冲宽度(PWM)工作模式。因此,为了确定某个应用的最佳升压调节器,最好查看特定工作电压和负载电流下的实际工作效率。
关断电流: 这是使能引脚禁用时器件消耗的输入电流。低Iq对于电池供电器件在休眠模式下能否长时间待机很重要。在逻辑控制的关断期间,输入与输出断开,从输入源汲取的电流小于1 μA。
软启动:具有软启动功能很重要,输出电压以可控方式缓升,从而避免启动时出现输出电压过冲现象。
开关频率:低功耗降压/升压转换器的工作频率范围一般是500 kHz到3 MHz。开关频率较高时,所用的电感可以更小,还可减少PCB面积,但开关频率每增加一倍,效率就会降低大约2%。
热关断(TSD): 当结温超过规定的限值时,热关断电路就会关闭调节器。一直较高的结温可能由工作电流高、电路板冷却不佳和/或环境温度高等原因引起。保护电路包括迟滞,因此,发生热关断后,器件会在片内温度降至预设限值以下后才返回正常工作状态。
DC/DC设计原理、经验与应用技巧总结
射频工程师养成培训教程套装,助您快速成为一名优秀射频工程师...
天线设计工程师培训课程套装,资深专家授课,让天线设计不再难...
上一篇:在电源设计中加入PFC
下一篇:超级电容器储能的直流DVR装置的研发

