- 易迪拓培训,专注于微波、射频、天线设计工程师的培养
模块电源辅助功能的研制
1 前言
随着机载技术的不断发展,为了满足机载设备对电源模块的要求,提高可靠性,节约飞机上的能源和空间,缩短研制周期,机载电源模块逐步向小型化、高效化和模块化方向发展,模块电源越来越多地用在了机载电子产品上。虽然模块电源具有许多优点,但在模块电源的研制过程中,由于重点放在了提高电源效率,减小体积上,尤其对输出功率较小的模块电源,其内部空间有限,有许多电源内部不具备输出电路的过欠压保护功能。同时在机载产品中,为了满足国军标GJB181-86对用电设备的要求,在地面电瓶车和机上电源转换期间以及汇流条切换过程瞬间,如何使机上设备正常工作,即怎样提高模块电源输出电压的保持时间,也是模块电源作为机载电源应重点解决的问题。本文针对上述两个问题进行了理论分析,并给出了相应的解决方案。
2 过压与欠压保护电路
过、欠压保护电路的作用是,当输出电压超过或低于设计值时,把输出限定在某一安全值的范围内,或使输出电压关闭,从而达到保护电源模块和用电设备的双重功效。
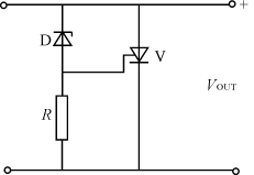
在以往用分立元器件组成的电源模块中,通常采用齐纳二极管和晶闸管组成的过压保护(OVP)电路(见图1),或集成化的OVP电路。前者的工作原理是,当过压现象发生时,齐纳二极管D发生雪崩击穿使V导通,把电源输出端短路,从而将过压保护转换为过流保护,这种保护一旦发生,只有把电源的输入电压断开几秒钟后,才能使电路恢复正常。而集成OVP保护电路是利用专门的集成电路(如MC3423),将过压采样信号加到感应电压端,当输出电压大于某一额定电压时,集成OVP电路输出高电平,该电平加至脉宽调制器的控制端,使保护电路开始工作。如果过压条件撤出,它可以使电路恢复正常。

图1 齐纳二极管和晶闸管组成的OVP电路
使用模块电源时,由于没有独立的脉宽调制器,因此采用上述两种方法进行过压保护是行不通的。为此,选用UC公司生产的UC3903芯片,实现对输出电压的过、欠压保护。
2.1 UC3903芯片的性能及特点
UC3903系列集成电路可以同时响应4路电压的过、欠压信号,内部的运算放大反向器允许至少1路信号为负电压。其内部包含过、欠压比较器,通用运算放大器,电源过压感应电路,过、欠压延时电路,启动锁存电路和3路OC(集电极开路)门输出电路等。
该集成电路内部的故障窗口调节电路可以很容易地实现过、欠压门限电压的编程控制,门限电压以2.5V为基准变化,具有与窗口宽度相关的输入滞后。一旦出现故障,UC3903的三个OC门输出可以吸收超过30mA的负载电流,这三个OC门输出分别对应过压(OV)、欠压(UV)和电源工作正常(Power OK)三种情况。除此之外,UC3903内部还包含一个独立的运算放大器,该运放可以实现其它辅助功能,例如用2.5V输出作为基准电压、感应和放大反馈误差信号。为了防止启动瞬间过压指示的误动作,UC3903内部还具有启动锁存功能。
UC3903的工作电压为8~40V,工作电流7mA。器件封装形式有PLCC20、LCC20表面贴装封装形式及双列直插DIP18塑封、陶瓷和表面贴装封装形式。其内部结构如图2所示。

图2 UC3903框图
2.2 管脚定义
VREF 精密的2.5V电压基准,可作为外部电路的基准电压。
WINDOW ADJUST 窗口调节。
SENSE 4 INVERT INPUT 过、欠压信号输入端4反向电压输入端。
SENSE 1-4 过、欠压信号输入端。
OV RELAY过压延时。
OV FAULT 过压故障,信号电平为低电平有效。
UV FAULT 欠压故障,信号电平为低电平有效。
POWER OK 电源工作正常指示。
LINE/SWITCHER SENSE 电网/开关感应端。
OUTPUT 通用运算放大器输出端。
N.I 通用运算放大器同向端。
INV. 通用运算放大器反向端。
2.3 典型应用
UC3903用于3路输出模块电源过、欠压保护电路的典型应用如图3所示。其主要原理是,多路监视器UC3903接收到各路输出电压信号后,分别与过、欠压门限电压比较,经过、欠压比较器检测,输出正常时OC门输出脚11(OV FAULT)、脚12(UV FAULT)、脚14(POWEROK)经过电阻R15上拉为TTL高电平。如果某一路或几路输出电压有故障(过压或欠压),该监控器的脚11,脚12或脚14即输出一个TTL低电平,此电平作为故障告警信号,加至模块电源的控制端,关闭电源模块的输出,实现过、欠压保护。

图3 三路输出模块电源过、欠压保护电路图
3 输出电压保持时间
3.1 保持时间的定义
开关电源中由于滤波电容的存在,在输入电压降低或关闭的过程中,使得输入电网电压从最低值到输出电压下降到系统无法正常工作的临界值时,输出电压能够维持一段时间,这段时间称之为输出电压保持时间。
对于机载设备,按照国军标GJB181-86对用电设备的要求,输出保持时间有两个含义。一是指当输入电压欠压时,即直流输入电压降到8V,交流输入电压降到70V时,系统应能满足50ms的保持时间要求,也就是系统要能正常工作50ms。另一种是指当输入电压彻底断开时,系统输出电压能够保持多长时间,使得系统仍能够工作。
3.2 保持时间的计算方法
3.2.1 交流输入的保持时间计算
交流输入整流电路和整流波形分别见图4,图5。

图4 交流输入整流电路

图5 交流输入的整流波形
从图5中可以看出,从t0时刻开始,整流桥输出电压大于储能电容器C上的电压,整流桥导通,输入电网对C充电,同时向负载提供能量。在t1时刻,整流桥输出电压达到最大值,限流电阻R上的电压也达到最大值URm。然后整流桥电压开始下跌,C也开始放电,并和电网一起通过开关向负载提供能量直至t2时刻。而此时刻整流桥上的电压与电容上的电压相等,电阻R上的电压为零。在以后的t2~t3时间内,电容器处于放电状态,C放电直至t3时刻结束。
从以上的描述中,可以把在放电后t2至t3这一段时间称为输出电压维持时间tk,用公式表示为
tk=t3-t2 (1)
当t0到t1、t2的时间远小于tk时,则可近似认为电容C在tk时间内向负载提供能量,也即是开关电源的输入功率Pi.如果用U2、U3表示t2、t3时刻对应的输入电压,则维持时间可用公式表示为
tk=
(2)
3.2.2 直流供电的开关电源保持时间
在直流供电条件下,开关电源输出保持时间tk的计算公式是
tk=
(3)
式中:U2——输入电压最低时的电压值;
U3——输出电压下降到临界值时对应的输入电压。
3.3 延长输出保持时间的方法
由上述分析结果可以看出,输出保持时间的长短主要与输入电容Ci,电源输入功率Pi,t2、t3时刻对应的电压值U2、U3有关外,还与输出电容和输出负载也有一定的关系。虽然增加输出电容量亦可增加保持时间,然而增加输出电容量就意味着增加电源的体积和重量,而放电时间相对于充电时间较快,且与负载有关,因此相对于输入电容,输出电容对保持时间的影响几乎可以忽略不计。在体积重量允许的情况下,采取多个电容并联的方式来增大Ci容量,可延长输出保持时间。然而,随着输入电容的增大,电源启动瞬间的浪涌电流也会增大,使得功率管的峰值电流应力增加,从而增加了功率管的成本,降低了电路开启工作的可靠性。权衡考虑,除增加储能电容的容量外,适当设计辅助电路,使其在电网正常时不工作,仅仅在欠压瞬间工作,这样就可以减小启动瞬间的浪涌电流,提高正常工作时的电源效率,并且能够延长输出电压的保持时间。
对于直流供电的模块电源一般采用辅助升压电路,当供电电源低于某一设定值时,升压电路开始工作,将输入电压升高,使得在低输入电压情况下电源也能正常工作,从而拉宽了电网的工作范围,使电源在低电压和断电两种情况下的保持时间均得到了延长。
对于交流供电的模块电源,一般的模块电源均能满足宽输入电压的要求,因此延长保持时间主要指的是延长输入电压断电时的保持时间,采用图6所示的辅助电路可以将电源的保持时间延长将近1倍。其工作原理是,当输入电压正常时,电容C2上的电压为整流后的电压,且该电压经过二极管D和电阻R向电容C1充电,一旦电容C2上的电压低于C1上的电压,二极管D截止,电容C1上存储一定的电压,功率管Q1不导通时,只有电容C2上的电压加至模块电源上。当输入电压下降后,其它检测单路输出的控制信号加至Q2上,使Q1导通,而此时电容C2上的电压低于C1上的电压,这样C1上的电压向模块供电,相当于模块电源的输入电压升高,其结果必然使输出保持时间延长,而这部分电路在电网正常时并不工作,因此不会带来启动瞬间电流增大的问题。

图6 延长保持时间电路图
4 结语
由于使用了过、欠压保护电路,不仅使电源本身的保护能力得到加强,也使得电源的智能化水平有所提高。将电源正常指示信号和过、欠压信号通过接口电路加到计算机上,可以方便地检测电源的工作,提高电源的可测试性,进而提高了电源的可维护性。
使用辅助电路延长输出电压的保持时间,不仅电路结构简单,而且也较好地解决了增大输入电容与延长保持时间之间的矛盾,降低了起动瞬间的浪涌电流。
正是由于使用了上述电路,增大和完善了模块电源的功能,加上模块电源本身所具有的体积小、重量轻、集成度高和可靠性高等优点,模块电源势必会在机载领域得到广泛的应用。
射频工程师养成培训教程套装,助您快速成为一名优秀射频工程师...
天线设计工程师培训课程套装,资深专家授课,让天线设计不再难...
上一篇:反激式DC/DC电源的集成化研究
下一篇:一种消除有源电力滤波器系统振荡的控制方法

