- 易迪拓培训,专注于微波、射频、天线设计工程师的培养
谐波及无功电流检测方法对比分析
0 引言
APF补偿电流的检测不同于电力系统中的谐波测量。它不须分解出各次谐波分量,而只须检测出除基波和有功电流之外的总的高次谐波和无功畸变电流。难点在于准确、实时地检测出电网中瞬态变化的畸变电流,为有源电力滤波器控制系统进行精确补偿提供电流参考,这是决定APF性能的关键。目前文献已报道运行的三相APF中所使用的几种谐波电流检测方法,除了各自存在的难以克服的缺陷外,共同存在的问题是,由于是开环检测系统,故对元件参数和系统的工作状况变化依赖性都比较大,且都易受电网电压畸变的影响。对单相电路的谐波和无功电流的检测还存在实时性较差的缺点。
本文对目前有源电力滤波器中应用的畸变电流检测与控制方法进行了分析比较,在此基础上,针对APF中只须检测总的畸变电流,反向后注入系统,以抵消或补偿系统中畸变电流,使电网仅提供基波有功电流这一工作特点,从保证APF能最有效地工作出发,综合瞬时无功功率理论检测法的快速性和闭环电路的鲁棒性,提出了基于瞬时无功功率理论的闭环检测方案。从谐波及无功电流开环、闭环检测电路抽象出检测电路的本质(本文称为统一模型),在此基础上,给出了检测电路的优化设计方案,研究了检测系统中等效低通滤波器的阶数与截止频率对检测精度与快速性的影响,推导了统一模型下闭环检测电路的实现。最后,通过实验加以验证。
1 基波幅值检测原理
设单相电路中的电源电压为
us=
Usint(1)
非线性负荷电流为
iL(t)=if(t)+ih(t)=ifp(t)+ifq(t)+ih(t)=ifp(t)+ic(t)(2)
式中:if(t)为iL(t)的基波电流;ih(t)为iL(t)中高次谐波电流;ifp(t),ifq(t)分别为基波电流的有功分量和无功分量;ic(t)为要补偿的谐波和无功电流之和,称为畸变电流。
因为,负荷电流中的基波有功分量必定是一个初相角与电网电压相同,角频率为基波角频率ω的正弦波,所以,我们可以设负荷电流的基波有功分量为
ifp(t)=Asint(3)
若能求出A的大小,则可由式(3)得出基波有功电流的表达式。为求出A的大小,先对非线性负荷电流进行傅立叶分解,有
iL(t)=
Ansin(nωt+φn)=A1sin(ωt+φ1)+
Amsin(mωt+φm)
=A1cosφ1sinωt+A1sinφ1cosωt+
Amsin(mωt+φm)(4)
式中:m,n均为整数;Am,φm,An,φn为各次电流的幅值和初相角。
从式(4)可以看出负荷电流的基波有功分量幅值为A1cosφ1,为分离此值对式(4)左右两边同乘以sinωt,得到
iL(t)sinωt=
Ansin(nωt+φn)sinωt=A1cosφ1sin2ωt+A1sinφ1cosωtsinωt+
Amsin(mωt+φm)sinωt
=
A1cosφ1+
A1cosφ1sin
+
A1sinφ1cos2ωt+![]()
Am{cos〔(m-1)ωt+φm〕-cos〔(m+1)ωt+φm〕}(5)
从式(5)可以看出,我们已得出了负荷电流中基波有功分量幅值的一半值,也就是式中的A1cosφ1,我们再把此值扩大2倍,即得出电流基波有功分量幅值,也就得出了基波有功电流ifp(t)=A1cosφ1sinωt。因此,畸变电流为
ic(t)=iL(t)-ifp(t)=iL(t)-A1cosφ1sinωt(6)
这样,即可实时检测出畸变电流的大小。
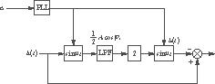
图1为根据以上分析所得出的电路设计的原理图。该图中ea为电源相电压,sinωt可通过正弦信号发生电路得到。PLL为锁相环,它的作用是锁定电压信号,以让正弦波发生器产生一个与电网电压同频同相的正弦波。LPF为一低通滤波器,用来滤掉基波以外的其它高次谐波。从该原理图也可以看到,由于整个系统是开环系统,所以,不存在系统不稳定的问题。需要指出的是该方法可以方便地用于单相电路中的检测。

图1 电网电流基波幅值检测原理图
2 基于ANN理论自适应检测谐波电流的原理
自适应噪声抵消法可以把信号s(t)和加性噪声n(t)分离开来,原理如图2所示。系统的输入信号包括原始输入s(t)+n(t)和参考输入n′(t)。参考输入n′(t)经自适应滤波器调整后的输出为v(t)。s(t)和n(t)不相关,和n′(t)也不相关,但是n(t)和n′(t)具有相关性。当v(t)在最小均方误差意义下最接近主通道噪声n(t)时,n(t)得到了最佳抑制。此时,系统输出z(t)在最小均方误差意义下也最接近信号s(t),从而把信号s(t)检测出来。这里,z(t)同时作为误差反馈信号e(t)用来调整自适应滤波器的参数。自适应噪声抵消法只需要很少或根本不需要任何关于信号和噪声的先验统计知识,就可以从混合信号中检测出所需要的信号。

图2 自适应噪声抵消法原理图
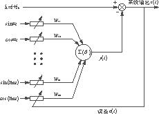
基于上述自适应噪声抵消法原理,便可得到如图3所示的自适应噪声抵消法检测谐波电流的原理图。设单相电路的电源电压us=Umsinωt,则非线性负载的周期非正弦电流可以用傅立叶级数展开为

图3 基于ANN的谐波电流检测原理图
iL(t)=I1sin(ωt+φ1)+Insin(nωt+φn)=i1(t)+in(t)(7)
式中:i1(t)及in(t)分别为基波电流和n次谐波电流。
可以把它们进一步分解为正弦和余弦两部分:
i1(t)=I1cosφ1sinωt+I1sinφ1cosωt=i1p(t)+i1q(t)
in(t)=Incosφnsinnωt+Insinφncosnωt=ins(t)+inc(t)n>1(8)
式中:i1p(t)及i1q(t)分别为基波有功电流和基波无功电流;ins(t)及inc(t)分别为n次谐波的正弦和余弦分量。
用自适应噪声抵消法进行谐波检测,取iL作为原始输入,若将i=i1+i2+……in看作"噪声干扰电流",则其他更高次谐波的总电流ih就是需要检测的"信号",i和ih不相关;取sinωt,cosωt以及它们的2、3、……、n次等倍频谐波作为参考输入,它们和i对应的各次正弦和余弦分量分别相关,而和ih不相关。可以看出,上述条件满足自适应噪声抵消法的要求,当选用适当的多路自适应滤波器并采用最小均方算法后,可以通过多路自适应滤波器得到"噪声干扰电流"i的各分量以及"信号"ih的最小均方误差意义下的最佳逼近值。从上述分析可以看出:
1)检测总谐波电流只取sinωt,cosωt作为参考输入,ANN学习完成之后,系统的输出z(t)即为总谐波电流。
2)检测奇次谐波电流取sinωt,cosωt以及sin(2k+1)ωt,cos(2k+1)ωt(3<=2k+1<=n,k为正整数)等作为参考输入,ANN学习完成之后i2k+1=w(2k+1)s×sin(2k+1)ωt+w(2k+1)c×cos(2k+1)ωt,就是对应的奇次谐波电流的值。
3)检测偶次谐波电流取sinωt,cosωt以及sin2kωt,cos2kωt(2≤2k≤n,k为正整数)等作为参考输入,ANN学习完成之后i2k(t)=w2ks×sin2kωt+w2kc×cos2kωt,就是对应的偶次谐波电流的值。
3 基于瞬时无功功率理论的畸变电流瞬时检测方法
瞬时无功功率理论[1]的基本思路是将abc三相系统电压、电流转换成αβο坐标系上的矢量,将电压、电流矢量的点积定义为瞬时有功功率;将电压、电流矢量的叉积定义为瞬时无功功率,然后再将这些功率逆变为三相补偿电流。瞬时无功功率理论突破了传统功率理论在"平均值"基础上的功率定义,使谐波及无功电流的实时检测成为可能。该方法对于三相平衡系统的瞬变电流检测具有较好的实时性,有利于系统的快速控制,可以获得较好的补偿效果。但该方法对于三相不平衡负荷所产生的无功和谐波电流,补偿效果则不理想,且只适用于三相系统,不能用于单相系统。
3.1 开环检测方案
基于瞬时无功功率理论的谐波及无功电流开环检测方案[2]如图4所示。

图4 基于瞬时无功理论的电流检测
图4中,LPF为低通滤波器,变换矩阵C3s/2r为三相静止坐标系到两相旋转坐标系(dq坐标系)的变换阵。在谐波及无功电流的检测系统中,首先检测基波有功电流,然后从三相负载电流中减去基波有功电流,从而获得谐波及无功电流。根据瞬时无功功率理论,可以推导如下结论[3][4]:三相负载电流经过dq变换,得到有功电流ip和无功电流iq(图4中未画出)。基波有功电流在dq坐标系下表现为电流ip中的直流分量。在dq坐标系下,将有功电流ip进行低通滤波得到直流分量,经过dq反变换可以得到基波有功电流。上述检测方案具有动态响应快、实时性好的优点。但是,由于电路采用开环结构,检测系统鲁棒性较差,需要采用高精度模拟乘法器[5]。
3.2 闭环检测方案
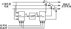
为了增强检测系统的鲁棒性,将闭环拓扑结构与瞬时无功功率理论的原理结合起来,可以构造出如图5所示的闭环检测电路[6]。

图5 基于瞬时无功功率理论的谐波电流闭环检测
图5中,G(s)与图4中的LPF不同,指一般的传递函数。谐波及无功电流检测的基本原理与图4相同,也是先获得基波有功电流,然后从负载电流中减去基波有功电流,从而得到谐波及无功电流。
4 仿真和实验验证
为验证所提出的谐波电流检测方法,进行了仿真和实验验证,结果如图6所示。

(a) 负载电流(iL)

(b) APF补偿电流(ic)

(c) 检测出的基波电流(ip)

(d) 实验波形(从上到下依次为:iL,ic,ip)
图6 谐波检测电路验证
实验结果表明该方法具有下述优点:
1)基于统一模型的闭环检测法以瞬时无功功率理论为基础,因而能清晰地解析出各次谐波、无功及基波有功电流;
2)由于采用闭环系统,检测电路的运行特性几乎不受参数变化的影响;
3)优异的性能并没有增加系统的复杂性和制造成本。
5 结语
本文提出了一种简便的基于瞬时无功功率理论的自适应闭环系统,以检测谐波及无功电流,通过实验验证了理论分析:
1)基于瞬时无功功率理论的谐波及电流检测方法能准确、快速地解析出各次谐波、无功及基波有功电流;
2)由于采用自适应闭环系统,检测电路特性对参数变化不敏感,鲁棒性好;
3)该方案性能优异而且结构简单,在有源电力滤波器系统中有相当好的应用前景。
射频工程师养成培训教程套装,助您快速成为一名优秀射频工程师...
天线设计工程师培训课程套装,资深专家授课,让天线设计不再难...
上一篇:基于重复控制的全数字UPS逆变器
下一篇:高速CMOS钟控比较器的设计

