- 易迪拓培训,专注于微波、射频、天线设计工程师的培养
隔离式电子变压器的半波整流电路设计
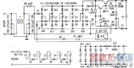
一、电路原理
图是隔离式电子变压器的半波整流电路(本电路降压比N为5,输入交流220V,输出直流约为44V)原理图。该电路是由充放电(串联充电,并联放电)电路、电子开关电路、隔离电路(交流电网与负载电路的隔离)等组成。该电路的电子开关电路随着交流电的周期,把充放电电路交替转换成串联充电与并联放电电路。即让电路的充电电路与放电电路,分别交替工作于交流电的正半周和负半周。其工作原理:当交流电压正半周时,电流流经Ro、D1、C1、D2、C2、D3、C3、D4、C4、D5、C5、D6形成串联回路,对电容Cl-C5进行串联式充电。此时二极管D11~D20不导通(这是因为没有形成回路,所以D11~D20没有电流流过,可视为不导通)。若C1~C5每个电容器容量相等,则每个电容器上的电压等于1/5输入交流电压(二极管D1~D6正向压降相对输出电压很小而忽略).即交流电压220V÷5=44V,其等效电路可画成如下图。

利用此法,可使输入交流1/N分压整流充电。同时当输入的交流电压为正半周时,对二极管D8反向连接呈截止状态,然而光电耦合器IC(GH1122Z)、达林顿电路的晶体管T2、T1、可控硅S1等。也都进入截止状态,使该电路的充电电路部分与后面的负载供电电路可靠隔离。
当输入交流电压为负半周时,由于D1和D6对输入交流负半周呈反向连接,故D1和D6被截止,即输入电源与充放电电路自然被隔离。这时D2~D5也由于C1~C5的反电压变成不导通。而二极管D8与光电耦合器IC内的LED处于正向连接导通,故光电耦合器内的光敏三极管被饱和导通。随即,T2、T1也饱和导通,这使电路中与C1~C5连接的上下二极管D11~D20与负载形成等效(如图3所示)的五组并联放电回路,则电阻R6上电流触发可控硅S1的控制极,使可控硅S1导通,成为完整的放电回路。
这样,当输入交流电压正半周时串联充电,负半周时并联放电。电路实现变压整流的功能。
二、主要元器件的选择原则
本电路所用二极管和电容数量虽较多(除二极管D31),但流过二极管的平均电流仅为输出电流的1/N(A);电容器的耐压也仅为输入电压的1/N(V);T2、T1、S1满足电网电压的峰值和输出电流:光电耦合器IC内的光敏三极管的集电极一发射极之间的击穿电压大于1/N(V)就可以(例如,本设计电路采用GHl122z);对电路中其他元件的参数要求也很低。
三、结束语
本电路只是半波整流电路。如果利用上述原理,将上面的电路做成两组(组件1+组件2),使组件1和组件2交替工作于交流电压的正半周和负半周:即当组件l串联充电状态时,组件2并联放电状态:当组件2串联充电状态时,组件1放电状态。则该电路将会更有应用价值。
射频工程师养成培训教程套装,助您快速成为一名优秀射频工程师...

