- 易迪拓培训,专注于微波、射频、天线设计工程师的培养
大功率装置用多路输出高压隔离新型开关电源设计
1 引言
随着高压大功率电力电子装置的不断发展,串接在一起的驱动电源之间,往往需要承受极高的工作电压。近来,多级隔离技术越来越多地被用在电路的驱动系统中,以满足高电压隔离的需要;但这同时也使得开关管的驱动电路越来越复杂。如图1所示是一个使用在三相接地系统中的固态短路限流器。它是由晶闸管三相整流器和一个限流电感组成的。限流器主要被用在15kV的电力系统中。考虑到电源电压的波动,晶闸管阻断电压限制和均压系数等因素,图1中所示限流器中的每个晶闸管阀在实际中必须要用8个6kV等级的晶闸管串联组成。这样在限流器中的晶闸管总数达到了64个,则至少需要有61路高压隔离驱动电源用到这些晶闸管的门极驱动中。所以,开发一个新型的电源用作限流器中晶闸管的门极驱动电源是一项非常重要的任务。

图1 三相接地系统固态短路限流器主电路拓扑
Dusan M. Raonic[2]提出了一种晶闸管自我供能的门极驱动方式,它把一个缓冲电容作为能量存贮单元,解决了几乎每个功率开关管都存在的对隔离电源的需求。但是,这种方式只能被用于工作在功率变换器直流侧的晶闸管和GTO的门极驱动中。Chang Liuchen[3]研制了一种驱动板电源用于三相逆变器中大功率IGBT的驱动,它通过一个多绕组的变压器,实现了4路相互隔离的输出。这种电源的缺点是随着输出路数和隔离电压的增加会导致变压器的结构很复杂,体积极庞大。Heinemann Lothar et al[4]提出了一种具有超高压隔离性能的电源用作IGBT的门极驱动,它使用了一种特殊结构的变压器,于是只能有一路输出。如果这种电源被用到如图1所示的固态短路故障限流器中,61路驱动电源将会不可避免地导致装置体积庞大,而且安装和配线都会有很大的不便。
基于专利技术[1],研制了一种具有多路输出,高压隔离性能的实用新型开关电源,用于多管驱动。该开关电源采用了磁环作输出变压器,仅由无需弯曲的电缆穿过1次形成单匝原边,副边就可以输出10W以上的功率,经过简单的整流和稳压形成一路驱动电源。因而驱动电源路数极易增减,既可按装置需要随意安装,又易达到极高的隔离电压(仅取决于电缆的绝缘性)。应用在要求很多路输出,高隔离电压的大功率装置,如固态短路故障限流器中,此电源已体现了无可比拟的优越性。
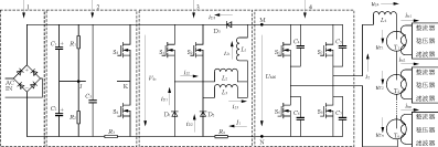
2 主电路拓扑
新型电源的主电路拓扑如图2所示。它由5个部分组成。第一部分是一个由4个二极管组成的单相整流器。第二部分是半桥拓扑结构,它主要由MOSFETS3及S4和电容C1及C2组成。这个部分是新型电源中辅助电源的主电路。

图2 新型电源的主电路拓扑
第三部分的功能是产生一个幅值恒定的直流电流I1。由于这里采用的PWM开关控制芯片是专门为移相全桥变换器电路设计的,满足全桥变换器需要的4路48%占空比的PWM驱动信号,通过简单组合可形成两路占空比48%内可调的PWM驱动信号,所以恒流源的主电路采用了一个双Buck的电路拓扑。这个双Buck变换器等效于两个普通的单Buck变换器的并联。MOSFET S1,二极管D1,电感L2组成了一个单Buck变换器;MOSFET S2,二极管D2,电感L3组成了另一个。这两个单Buck变换器分别由两路互补对称的PWM驱动信号控制。它们和电感L1,二极管D3一起组成了双Buck变换器。两个单Buck变换器共同使用电感L1,这样电感L2和L3的体积和重量都可以减小。二极管D3的功能是箝制恒流输出型双Buck变换器的输出电压,使它不超过整流器的输出电压。
第四部分是一个单相的全桥变换器,它把幅值恒定的直流电流I1变换成高频的交流电流i2。S5和S8(或S6和S7)由同一个驱动信号控制,实现了同步开通和关断。S1及S2和S5~S8的控制信号如图3所示。当S6及S7开通且S5及S8关断时,按照图2所定义的i2的正方向,i2为正值。而当S6及S7关断且S5及S8开通时,i2为负值。电流i2的波形是方波。和电压型的全桥变换器不同的是,为了避免由于单相变换器中的4个MOSFET同时关断引起的过压,S5及S8应该在S6及S7开通以后再关断,反之亦然。延时时间td如图3所示。

(a) S1控制信号

(b) S2控制信号

(c) S5及S8控制信号

(d) S6及S7控制信号
图3 MOSFET的控制信号
第五部分包括T1,T2,……Tn是一些特殊结构的变压器和电流i2的电缆线的引线电感L4。为了减小这个新型电源的体积,功率开关管必须工作在一个很高的频率下。这里采用了多谐振荡零电压软开关技术减小开关损耗,减小器件的电压电流应力,并获得良好的电磁兼容性。所有8个功率开关管都工作在软开关模式下。R3是一个电流检测电阻用作电源的短路保护。R4是另一个电流检测电阻,用来实现电流I1的闭环控制。
3 控制电路
控制电路的主要功能就是产生驱动信号,控制主电路产生一个幅值恒定的高频电流。为了使电流幅值恒定,采用了如上节所述的双Buck变换器电路。这个双Buck变换器控制电路的主要部分包括一个电流反馈的PI调节器和一个PWM信号发生器。单相桥式变换器的控制电路用以产生如图3(c)和图3(d)所示的控制信号。所有上述的功能只要用一片集成芯片UC3875就可以实现。UC3875产生的驱动信号使两个对角开关管的开关动作相对于另两个对角开关管的开关动作产生相移,实现了对桥式功率级的控制,能够在很高的频率下允许固定频率PWM调节结合谐振零电压软开关,实现高效率。
[p]4 输出变压器
采用磁环做输出变压器,每个输出变压器的原边仅有一匝,即高频交流电流i2流经的一根穿过所有输出变压器磁环的高压绝缘电缆线。通过输出变压器的增减,驱动电源路数能够很容易地实现增减。如果电流I1和整流器的输出电压足够高,仅一个电源就能够实现大量的隔离输出。新型电源每个输出单元都可以很容易地放置,只要把它们安装在相应晶闸管附近,用电缆线穿过所有磁环,用光纤传送DSP输出的驱动信号,既可实现整个装置的电能与信号分开传送,又可满足限流器中晶闸管安装的需要。因为,这些晶闸管被使用在高压电力电子装置中,每二个晶闸管的驱动电路之间的隔离电压必须足够地高。如果采用一根高压绝缘电缆线作为输出变压器的原边绕组,这样原边绕组与副边绕组之间的隔离电压至少等于这根高压绝缘电缆线的绝缘电压。这样,只要使用一根超高压绝缘的电缆线,变压器的原副边的隔离电压就可以达到相当高的等级。由于原边绕组的匝数仅有一匝,因此,要求导磁体具有很高的导磁率,磁环的磁路长度必须尽可能地短,而磁环的截面积则要求尽可能地大,以获得良好的电磁耦合效果,降低激磁电流。
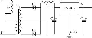
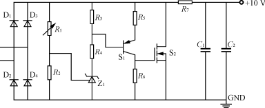
5 副边电路
图2第二部分所示是辅助电源的主电路,它的其它部分如图4(a)所示。端子J及K与图2中相同的端子相连。而新型电源隔离输出的副边电路如图4(b)所示。由二极管D1—D4组成的整流桥,把交流电流变成了直流电流。由电阻R1—R7,并联稳压器Z1,晶体管S1和MOSFET S2组成的电路把这个直流电流变成一个稳定的电压。即形成一路驱动电源。
6 仿真波形和实验结果
为了确认设计电源的有效性,对图2及图4所示电路进行了仿真。仿真结果如图5所示。仿真依据的主要参数如下:L1=1mH,L2=L3=L4=15μH,C4=C5=C6=C7=1μF。

(a) 辅助电源的副边电路

(b) 隔离输出的副边电路
图4 副边电路

图5 I1,i2,its1及驱动电源输出电压的仿真波形

图6 输出电流i2波形
根据原理分析及仿真验证,开发了一台700W的电源样机,已经成功使用在380V限流器实验装置中,实现了长期可靠运行。用一无感电阻对输出电流i2取样,并把示波器采集的数据用Origin数据分析软件还原,波形如图6所示。电源样机每个输出变压器的副边绕组都是3匝。每路驱动电源的负载阻抗都是25Ω。它的主要特性如下:驱动电源路数为12(可以更大);每路驱动电源输出功率可达20W;各路驱动电源之间的隔离电压为40kV。
7 结语
开发了一种新型的用于短路故障限流器中晶闸管驱动的多输出开关电源。设计电源的输出路数足以用来驱动所有使用在限流器中的晶闸管。使用超高压绝缘的电缆线作为所有输出变压器单匝的原边绕组,电源输出之间的隔离电压可以达到相当高的等级。根据限流器中的晶闸管的实际需要,电源输出级的路数和安装位置可以很容易地改变。相对于用其他方式研制的具有相同输出路数,相同功率,相同隔离电压的电源,该电源具有体积小,重量轻,效率高,可靠性强,价格低等显著优点。使用在大功率的装置中,新型电源也可以很好地适应那些具有大量功率电子器件的,如多用途的大型电机驱动系统的需要。
射频工程师养成培训教程套装,助您快速成为一名优秀射频工程师...

